GM Service Manual Online
For 1990-2009 cars only
Makes
🢒
Pontiac
🢒
1999
🢒
Grand Am
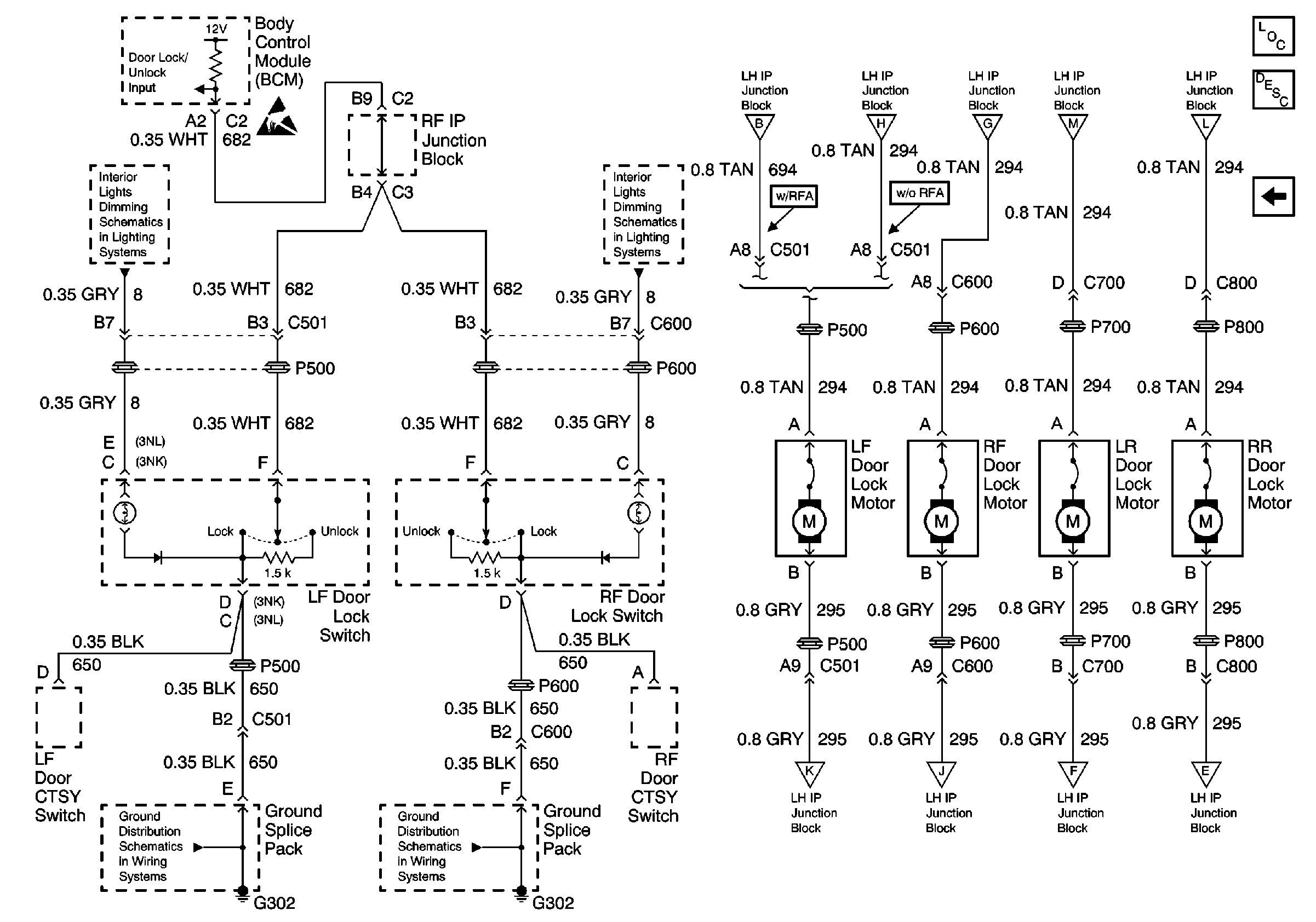
🢒 Cell 120, 131, 147: Door Locks
Cell 120, 131, 147: Door Locks
Cell 120, 131, 147: Door Locks
Power Door Systems Components
Power Door Locks Circuit Description
Cell 120, 131, 147: Door Lock Relay
Left side of IP
Left side of IP
Left side of IP
Left side of IP
Left side of IP
Left side of IP
Left side of IP
Left side of IP
Left side of IP
Ground Distribution Schematics
Ground Distribution Schematics
Interior Lights Dimming Schematics
Interior Lights Dimming Schematics