GM Service Manual Online
For 1990-2009 cars only
Makes
🢒
Pontiac
🢒
1999
🢒
Grand Am
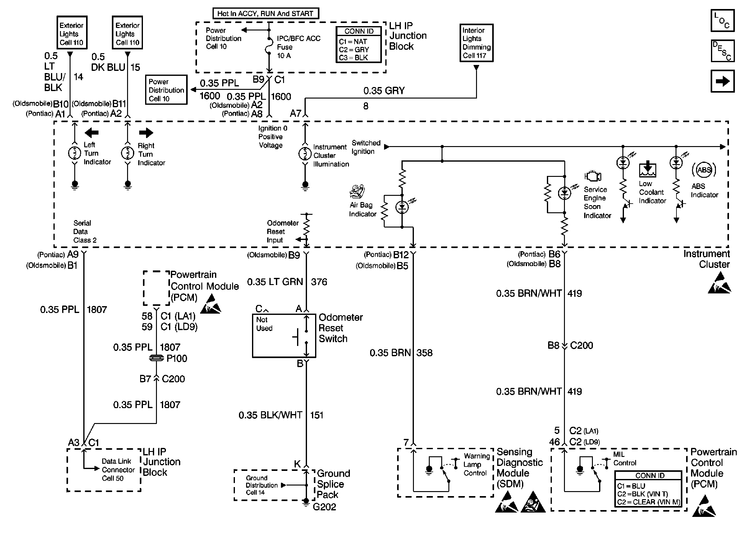
🢒 Instrument Cluster Ignition Voltage and Indicators 1 of 3
Instrument Cluster Ignition Voltage and Indicators 1 of 3
Cell 81: Instrument Cluster Ignition Voltage and Indicators 1 of 3
Instrument Cluster Components
Instrument Cluster Indicators 2 of 3
Instrument Cluster Indicators 2 of 3
Handling ESD Sensitive Parts Notice
Handling ESD Sensitive Parts Notice
Handling ESD Sensitive Parts Notice
Handling ESD Sensitive Parts Notice
SIR Handling Caution
Exterior Lights Schematics
Exterior Lights Schematics
Interior Lights Schematics
Power Distribution Schematics
Ground Distribution Schematics