GM Service Manual Online
For 1990-2009 cars only
Makes
🢒
Pontiac
🢒
1999
🢒
Grand Am
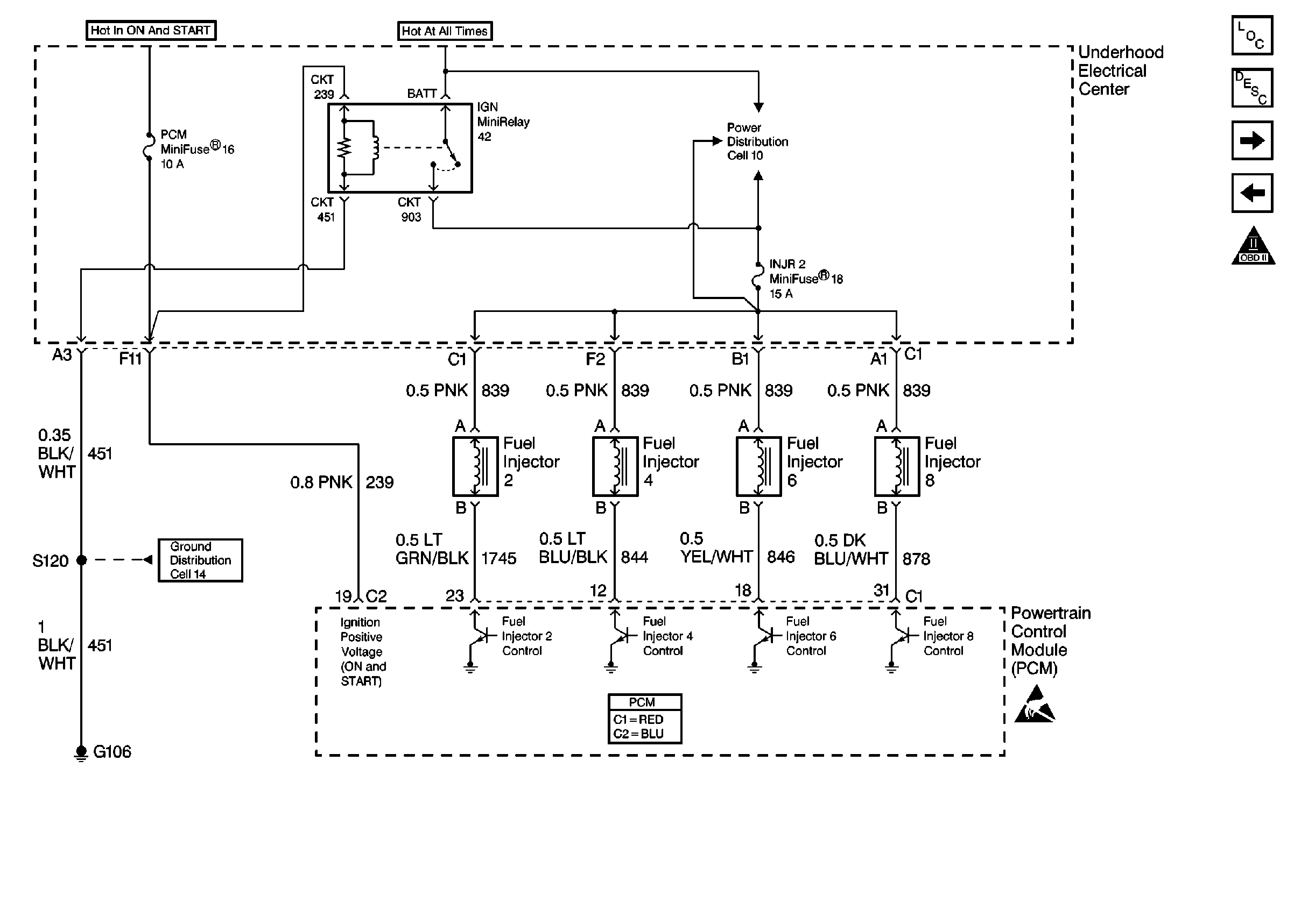
🢒 Cell 20: Fuel Injectors #2, #4, #6 and #8
Cell 20: Fuel Injectors #2, #4, #6 and #8
Cell 20: Fuel Injectors #2, #4, #6 and #8