GM Service Manual Online
For 1990-2009 cars only

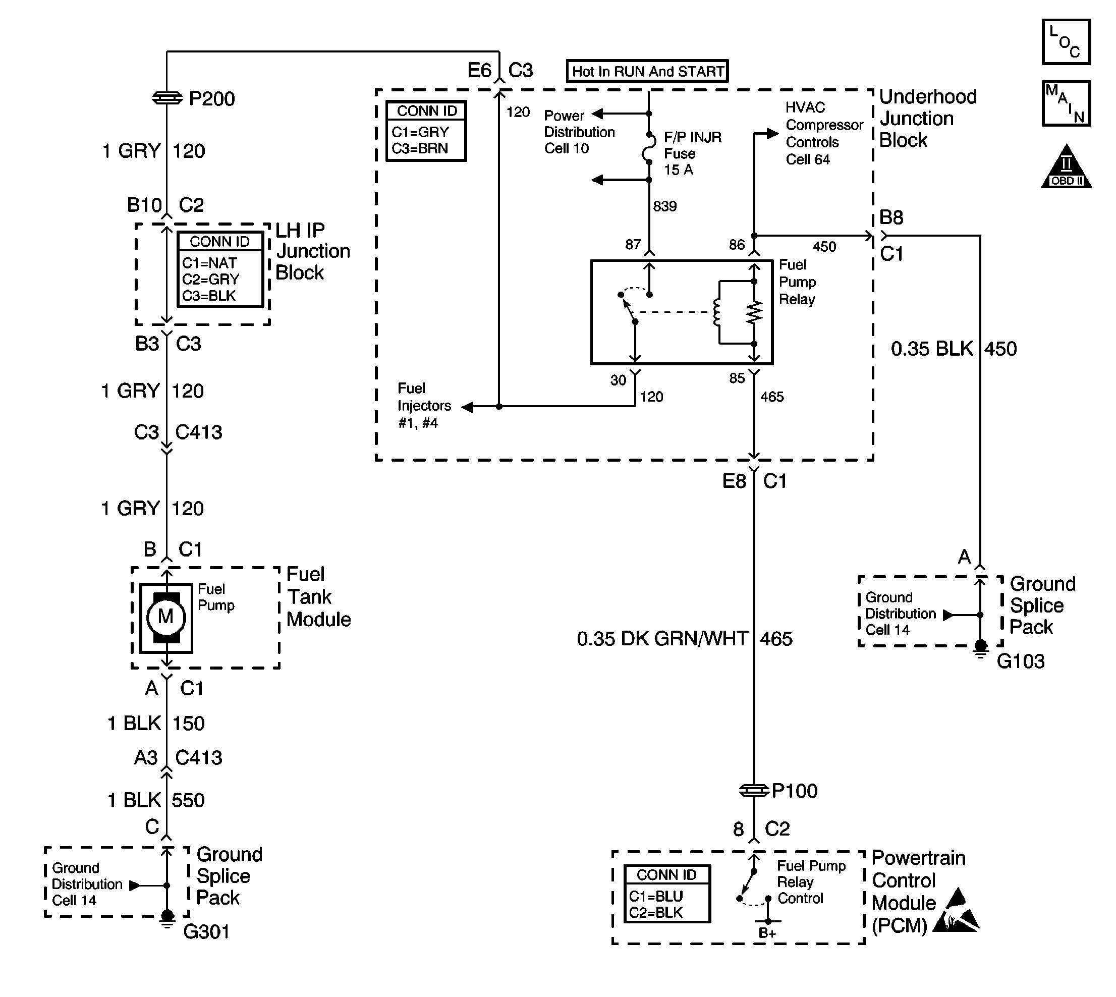
Object Number: 621264  Size: LF
Engine Controls Components
Power, Ground, and Injectors
OBD II Symbol Description Notice
Powertrain Control Module Connector End Views
Handling ESD Sensitive Parts Notice

Circuit Description

When the ignition switch is turned on, the powertrain control module (PCM) turns on the in-tank fuel pump. The pump will remain on as long as the PCM is receiving ignition reference pulses from the electronic ignition control module (ICM). If the PCM does not receive reference pulses, the PCM will shut off the fuel pump 2-3 seconds after the ignition is turned on, or about 10 seconds after the reference pulses stop.

The fuel pump delivers fuel to the fuel rail and the fuel injectors, then to the fuel pressure regulator where the pressure is controlled to the following pressure:

358-405 kPa (52-58 psi) with no manifold vacuum

OR

290-379 kPa (42-55 psi) with the engine at idle

Excess fuel is then returned to the fuel tank.

Improper fuel system pressure will result in one or all of the following symptoms:

    • The engine cranks but will not run
    • DTC P0171 set
    • DTC P0172 set
    • DTC P1171 set
    • DTC P0300 set
    • The engine cuts out
    • Reduced fuel economy and a loss of power
    • Engine hesitation

Diagnostic Aids

An intermittent may be caused by the following conditions:

    • A faulty connection
    • A rubbed-through wire insulation
    • A broken wire inside the insulation
    • A damaged harness

Inspect the PCM harness and the connectors for the following items:

    • Any incorrectly mated electrical connectors
    • Any broken locks
    • Any improperly formed terminals or damaged terminals
    • Any faulty terminal-to-wire connections
    • Any damaged harnesses

Test Description

The numbers below refer to the step numbers on the diagnostic table.

  1. Command both the ON and OFF states. Repeat the commands as necessary.

  2. This step determines if the condition is located on the coil side or the switch side of the circuit.

  3. This step verifies that the PCM is providing voltage to the fuel pump relay.

  4. This step tests for an open in the ground circuit to the fuel pump relay.

  5. This step determines if a voltage is constantly being applied to the fuel pump relay.

  6. Use the same amp fuse the circuit is protected with.

  7. This step determines if the condition with the circuit is intermittent. If the fuse does not open, inspect the supply voltage circuit between the fuse and the fuel pump for an intermittent condition.

  8. The replacement PCM must be programmed and the Crankshaft Position System Variation Learn procedure must be performed.

Fuel Pump Electrical Diagnosis (w/Jumper)

Step

Action

Yes

No

1

Did you perform the Powertrain On-Board Diagnostic (OBD) System Check?

Go to Step 2

Go to Powertrain On Board Diagnostic (OBD) System Check

2

  1. Install a scan tool.
  2. Turn ON the ignition, with the engine OFF.
  3. With a scan tool, command the fuel pump relay ON and OFF.

Does the fuel pump turn ON and OFF?

Go to Symptoms

Go to Step 3

3

With a scan tool, command the fuel pump relay ON and OFF.

Do you hear a click when you command the fuel pump relay ON and OFF?

Go to Step 9

Go to Step 4

4

  1. Turn OFF the ignition.
  2. Disconnect the fuel pump relay.
  3. Turn ON the ignition, with the engine OFF.
  4. Probe the control circuit of the fuel pump relay with a test lamp that is connected to a good ground.
  5. With a scan tool, command the fuel pump relay ON and OFF.

Does the test lamp turn ON and OFF?

Go to Step 5

Go to Step 6

5

  1. Connect a test lamp between the control circuit of the fuel pump relay and the ground circuit of the fuel pump relay.
  2. With a scan tool, command the fuel pump relay ON and OFF.

Does the test lamp turn ON and OFF?

Go to Step 21

Go to Step 24

6

Does the test lamp remain illuminated with each command?

Go to Step 7

Go to Step 8

7

  1. Disconnect the PCM connectors.
  2. Test the control circuit of the fuel pump relay for a short to voltage. Refer to Wiring Repairs in Wiring Systems.

Did you find and correct the condition?

Go to Step 29

Go to Step 28

8

  1. Disconnect the PCM connectors.
  2. Test the control circuit of the fuel pump relay for a short to ground or an open. Refer to Wiring Repairs in Wiring Systems.

Did you find and correct the condition?

Go to Step 29

Go to Step 22

9

Turn ON the ignition, with the engine OFF.

Does the fuel pump operate continuously?

Go to Step 10

Go to Step 11

10

  1. Turn OFF the ignition.
  2. Disconnect the fuel pump relay.
  3. Turn ON the ignition, with the engine OFF.

Does the fuel pump operate continuously?

Go to Step 23

Go to Step 27

11

Is the fuel pump fuse open?

Go to Step 12

Go to Step 14

12

  1. Disconnect the fuel pump harness connector from the rear body harness connector.
  2. Test the supply voltage circuit of the fuel pump for a grounded circuit between the fuel pump fuse and the rear body harness connector. Refer to Wiring Repairs in Wiring Systems.
  3. Replace the fuel pump fuse if necessary.

Did you find and correct the condition?

Go to Step 29

Go to Step 13

13

  1. Lower the fuel tank if necessary. Refer to Fuel Tank Replacement .
  2. Test or inspect the fuel pump jumper harness for the following:
  3. • Damage to the harness.
    • A grounded circuit. Refer to Wiring Repairs in Wiring Systems.
  4. Replace the fuel pump fuse if necessary.

Did you find and correct the condition?

Go to Step 29

Go to Step 20

14

  1. Turn OFF the ignition.
  2. Disconnect the fuel pump relay.
  3. Turn ON the ignition, with the engine OFF.
  4. Probe the F/P-INJ Fuse voltage circuit of the fuel pump relay switch with a test lamp that is connected to a good ground.

Does the test lamp illuminate?

Go to Step 15

Go to Step 25

15

Connect a 15 amp fused jumper wire between the F/P-INJ Fuse voltage circuit of the fuel pump relay switch and the supply voltage circuit of the fuel pump.

Does the fuel pump operate?

Go to Step 21

Go to Step 16

16

  1. Disconnect the fuel pump harness connector from the rear body harness connector.
  2. Test the supply voltage circuit of the fuel pump for an open or high resistance between the fuel pump relay and the rear body harness connector. Refer to Wiring Repairs in Wiring Systems.

Did you find and correct the condition?

Go to Step 29

Go to Step 17

17

Important: Visually/physically inspect the ground circuit for being tight, corrosion on terminals, or damage to the wiring harness.

Test the ground circuit of the fuel pump for an open or high resistance between the body pass through connector and ground. Refer to Wiring Repairs in Wiring Systems.

Did you find and correct the condition?

Go to Step 29

Go to Step 18

18

Inspect for poor connections at the fuel pump jumper harness to the body pass through connector. Refer to Testing for Intermittent Conditions and Poor Connections and Wiring Repairs in Wiring Systems.

Did you find and correct the condition?

Go to Step 29

Go to Step 19

19

  1. Lower the fuel tank. Refer to Fuel Tank Replacement .
  2. Test or inspect the fuel pump jumper harness for the following:
  3. • Damage to the harness.
    • An open circuit. Refer to Wiring Repairs in Wiring Systems.
    • Poor connection at the fuel pump connector. Refer to Testing for Intermittent Conditions and Poor Connections in Wiring Systems.

Did you find and correct the condition?

Go to Step 29

Go to Step 26

20

  1. Install all disconnected components.
  2. Install new fuel pump fuse.
  3. With a scan tool, turn ON the fuel pump.

Is the fuel pump fuse open?

Go to Step 26

Go to Symptoms

21

Inspect for poor connections at the fuel pump relay. Refer to Testing for Intermittent Conditions and Poor Connections and Wiring Repairs in Wiring Systems.

Did you find and correct the condition?

Go to Step 29

Go to Step 27

22

Inspect for poor connections at the harness connector of the PCM. Refer to Testing for Intermittent Conditions and Poor Connections and Wiring Repairs in Wiring Systems.

Did you find and correct the condition?

Go to Step 29

Go to Step 28

23

Repair the supply voltage circuit of the fuel pump for a short to voltage. Refer to Wiring Repairs in Wiring Systems.

Did you complete the repair?

Go to Step 29

--

24

Repair the open fuel pump relay ground circuit. Refer to Wiring Repairs in Wiring Systems.

Did you complete the repair?

Go to Step 29

--

25

Repair the F/P-INJ Fuse voltage circuit of the fuel pump relay switch. Refer to Wiring Repairs in Wiring Systems.

Did you complete the repair?

Go to Step 29

--

26

Important: Inspect for poor connections at the fuel pump, within the fuel tank, before replacing the fuel pump.

  1. Replace the fuel pump. Refer to Fuel Sender Assembly Replacement .
  2. Replace the fuel pump fuse if necessary.

Did you complete the replacement?

Go to Step 29

--

27

Replace the fuel pump relay.

Did you complete the replacement?

Go to Step 29

--

28

Important: Refer to Powertrain Control Module Replacement/Programming .

Replace the PCM. Refer to Powertrain Control Module Replacement .

Did you complete the replacement?

Go to Step 29

--

29

Operate the system in order to verify the repair.

Did you correct the condition?

System OK

Go to Step 2