GM Service Manual Online
For 1990-2009 cars only
Makes
🢒
Pontiac
🢒
2000
🢒
Grand Am
🢒
Body and Accessories
🢒
Lighting Systems
🢒 Interior Lights Schematics
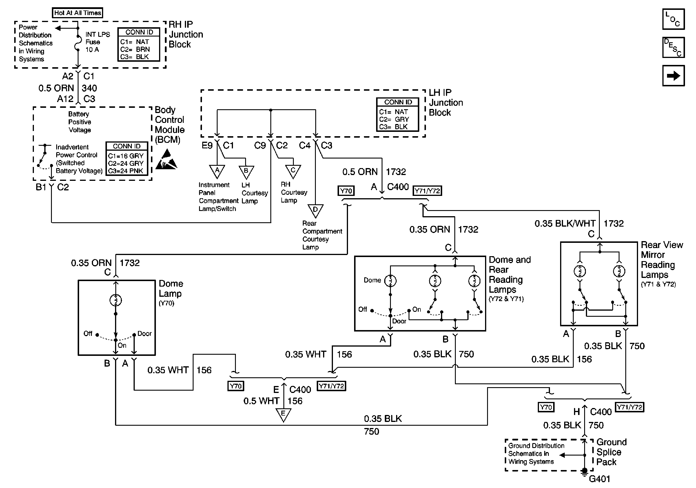
Figure
1:
Dome and Reading Lamps
Lighting Systems Components
Interior Lights Circuit Description
Courtesy and Instrument Panel Compartment Lamps
Power Distribution Schematics
Ground Distribution Schematics
Courtesy and Instrument Panel Compartment Lamps
Courtesy and Instrument Panel Compartment Lamps
Courtesy and Instrument Panel Compartment Lamps
Courtesy and Instrument Panel Compartment Lamps
Courtesy and Instrument Panel Compartment Lamps
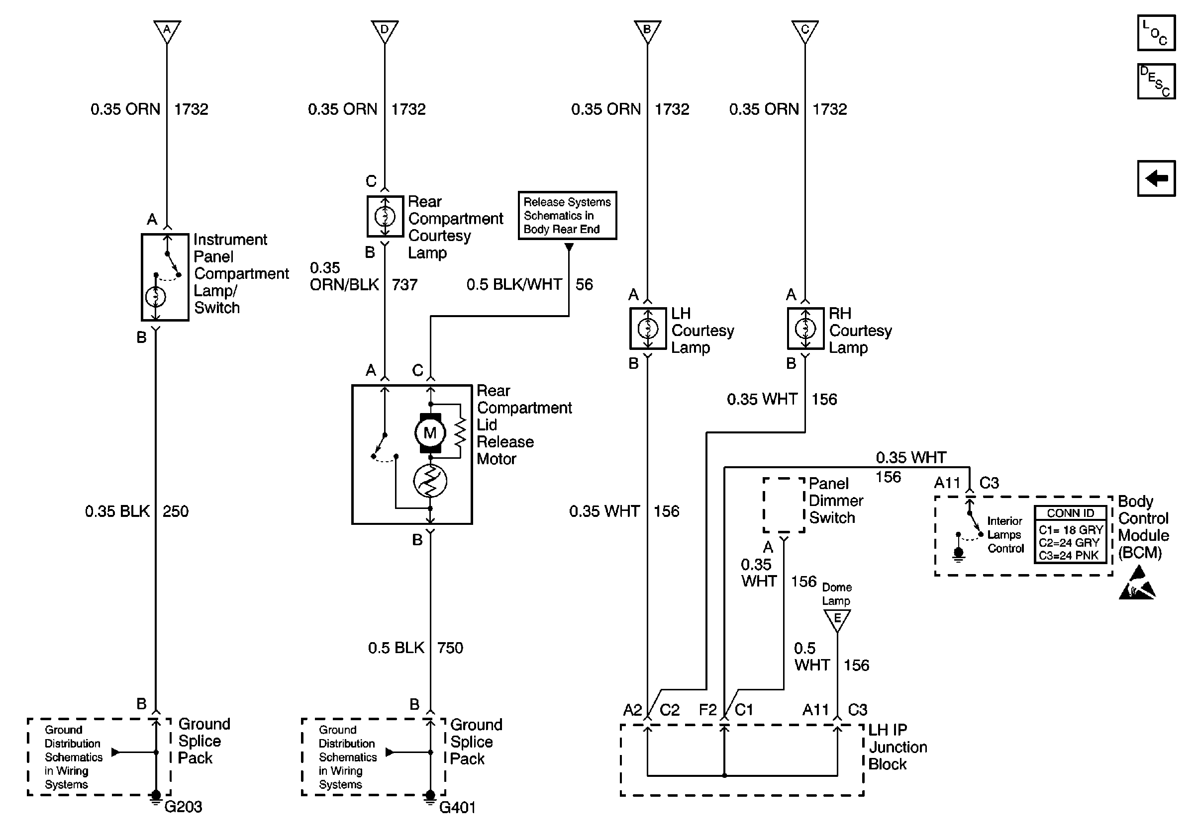
Figure
2:
Courtesy and Instrument Panel Compartment Lamps
Lighting Systems Components
Interior Lights Circuit Description
Dome and Reading Lamps
Dome and Reading Lamps
Dome and Reading Lamps
Dome and Reading Lamps
Dome and Reading Lamps
Dome and Reading Lamps
Ground Distribution Schematics
Ground Distribution Schematics
Release Systems Schematics