GM Service Manual Online
For 1990-2009 cars only
Makes
🢒
Pontiac
🢒
2000
🢒
Grand Am
🢒
Body and Accessories
🢒
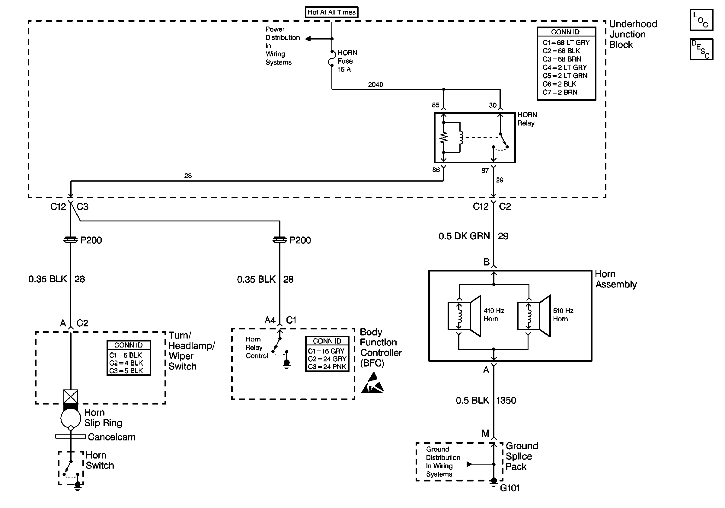
Horns
🢒 Horn Schematics
Horns Components
Horns Circuit Description
Ground Distribution Schematics