GM Service Manual Online
For 1990-2009 cars only
Makes
🢒
Pontiac
🢒
2000
🢒
Grand Am
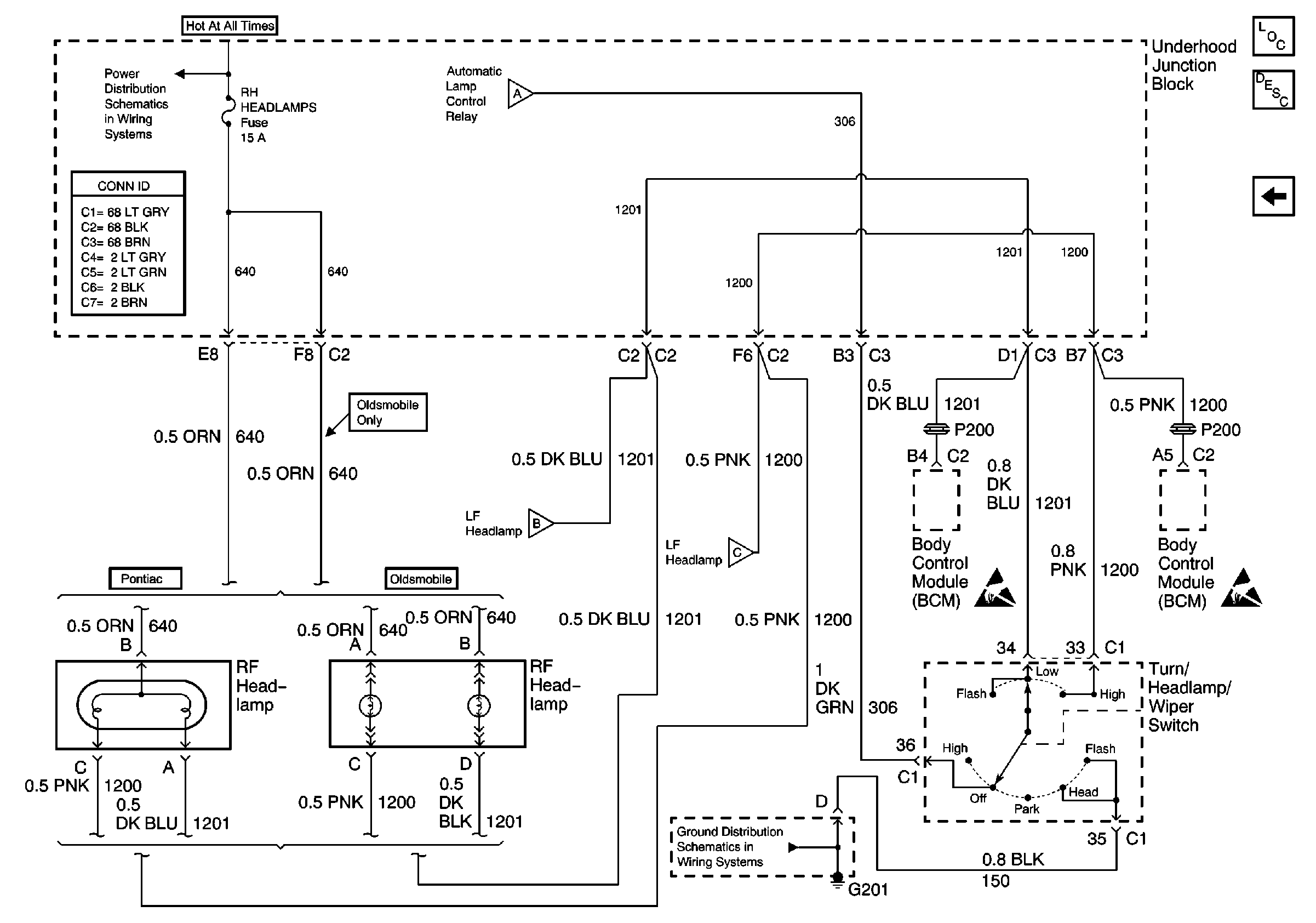
🢒 Right Front Headlamps, Turn/Headlamp/Wiper Switch
Right Front Headlamps, Turn/Headlamp/Wiper Switch
Right Front Headlamps, Turn/Headlamp/Wiper Switch
Lighting Systems Components
Headlights Circuit Description
Left Front Headlamps, Ambient Light Sensor, DRL Relay and ALC Headlamp Relay
Left Front Headlamps, Ambient Light Sensor, DRL Relay and ALC Headlamp Relay
Left Front Headlamps, Ambient Light Sensor, DRL Relay and ALC Headlamp Relay
Left Front Headlamps, Ambient Light Sensor, DRL Relay and ALC Headlamp Relay
Power Distribution Schematics
Ground Distribution Schematics