GM Service Manual Online
For 1990-2009 cars only
Makes
🢒
Pontiac
🢒
2001
🢒
Grand Am
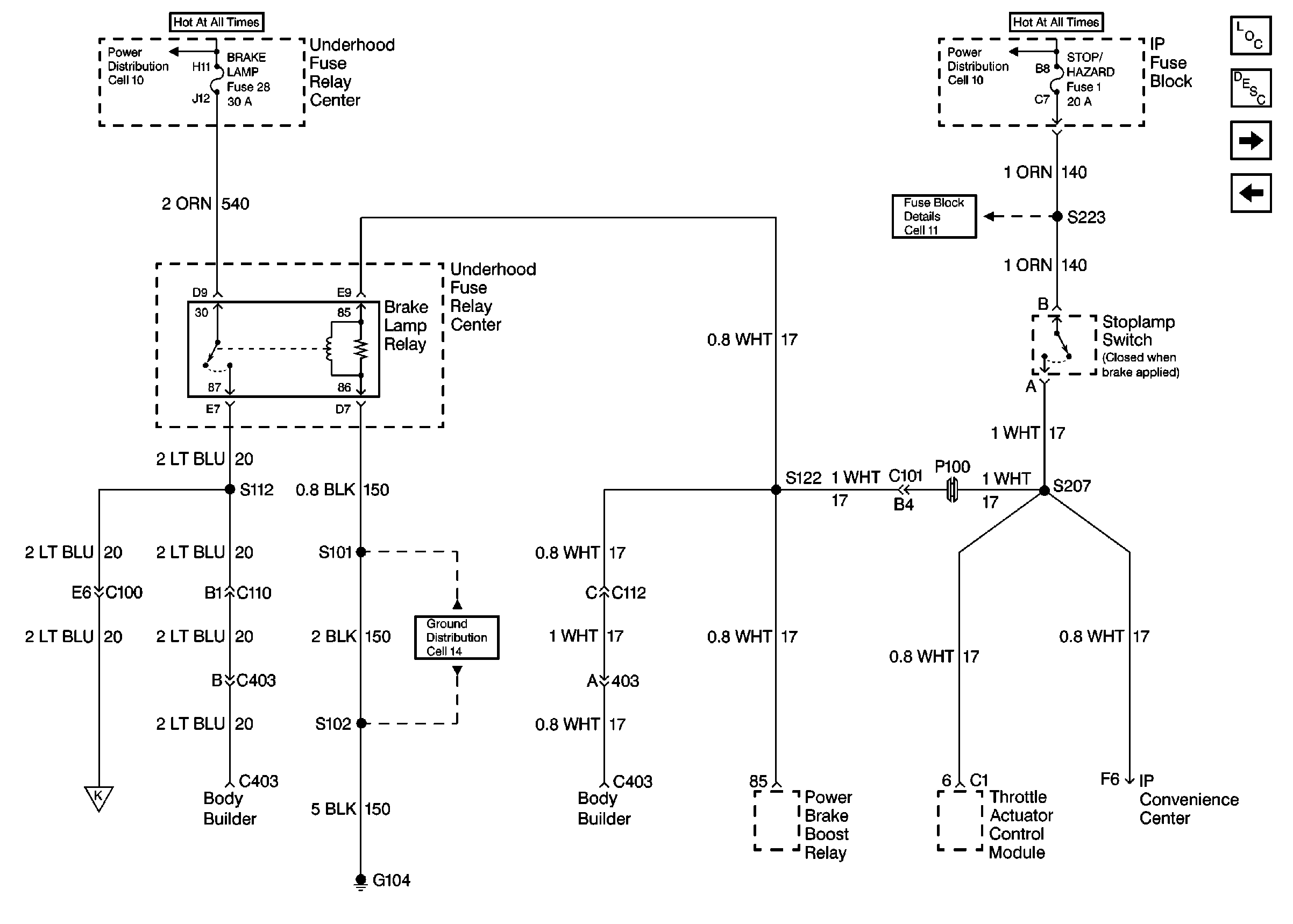
🢒 Cell 110: Brake Light Control
Cell 110: Brake Light Control
Cell 110: Brake Light Control
Cell 10: Battery, Always Hot Primary Fuses
Cell 10: Always Hot Secondary Fuses
Cell 11: Horn, Brake Lamp, Pwr Accy #1, Radio Bat, Cig Ltr, Aux Pwr, Stop/Haz Fuses
Cell 14: G104
Lighting Systems Components
Lighting System Operation
Cell 110: Turn/Hazard Circuit
Cell 110: Fuses
Cell 110: Turn/Hazard Circuit