GM Service Manual Online
For 1990-2009 cars only
Makes
🢒
Pontiac
🢒
2001
🢒
Grand Am
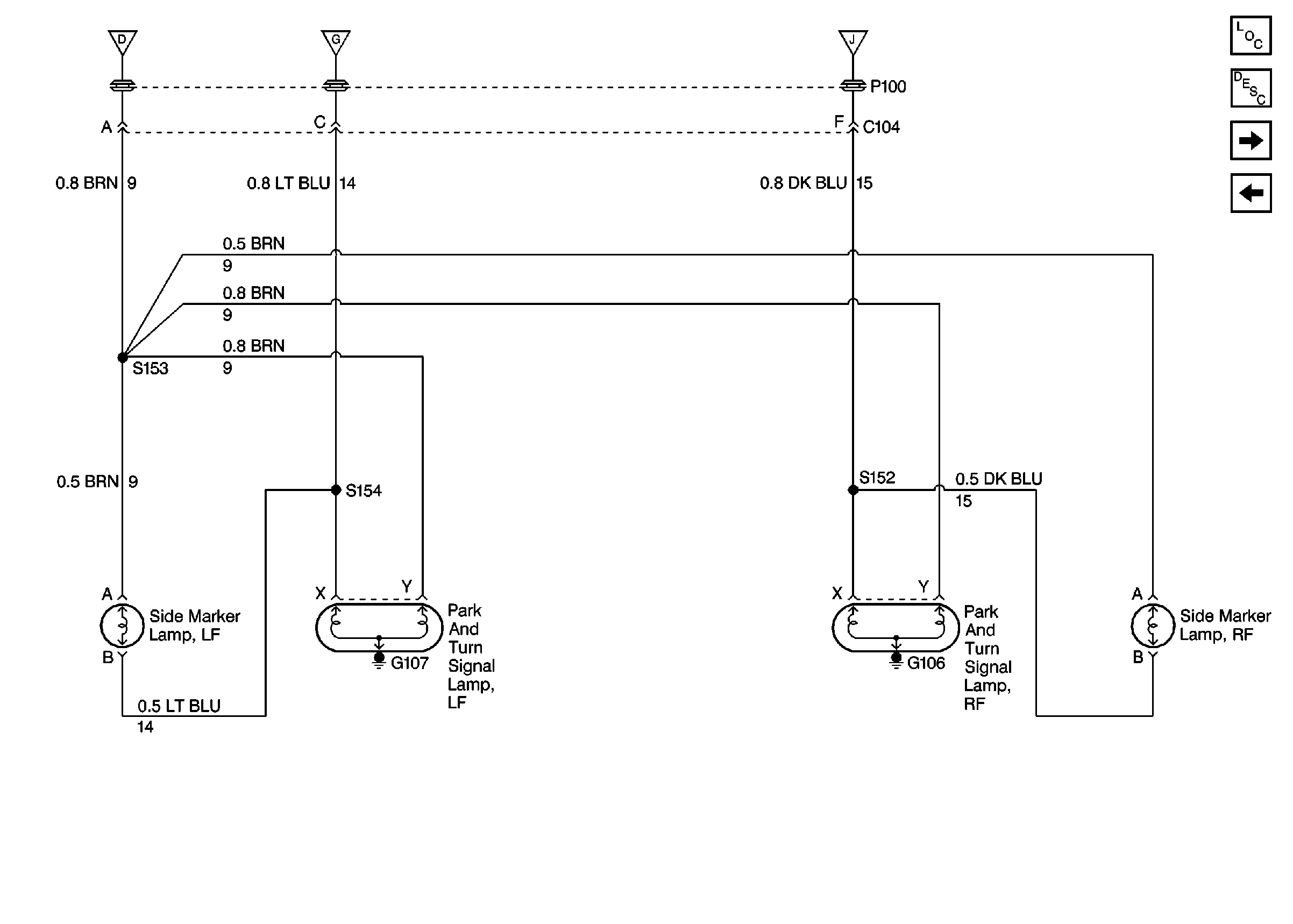
🢒 Cell 110: Front Turn, Park, Marker Lamps
Cell 110: Front Turn, Park, Marker Lamps
Cell 110: Front Turn, Park, Marker Lamps
Cell 110: Fuses
Cell 110: Turn/Hazard Circuit
Cell 110: Turn/Hazard Circuit
Lighting Systems Components
Lighting System Operation
Cell 110: Rear Tail/Stop, Turn, Marker, and License Lamps
Cell 110: Turn/Hazard Circuit