GM Service Manual Online
For 1990-2009 cars only
Makes
🢒
Pontiac
🢒
2001
🢒
Grand Am
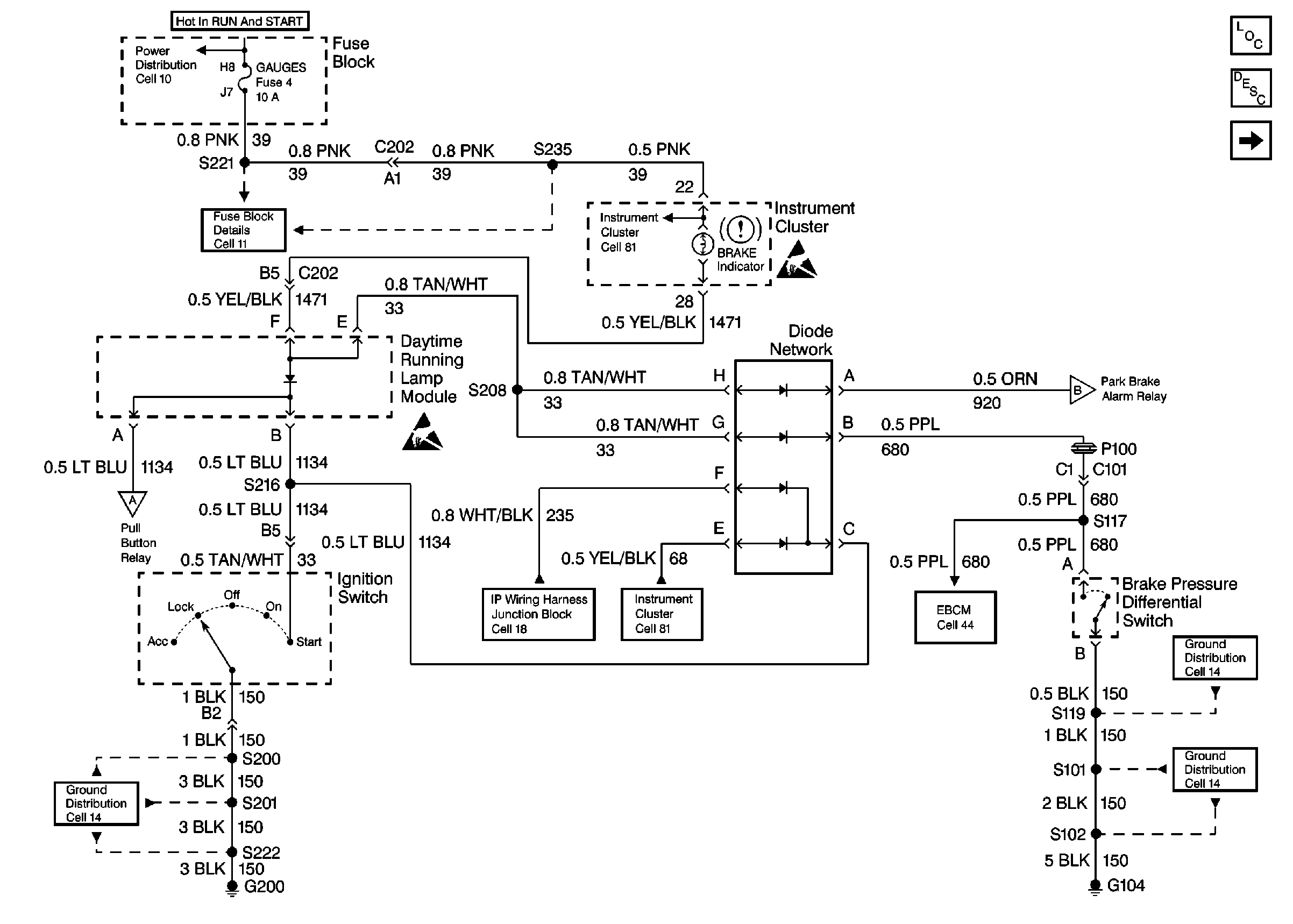
🢒 Cell 41: Brake Warning Circuit
Cell 41: Brake Warning Circuit
Cell 41: Brake Warning Circuit
Brake Warning System Description
Cell 41: Brake Warning Relays
Cell 41: Brake Warning Relays
Cell 10: Hot in Run and Start Fuses
Cell 11: Gauges, Turn/Backup, and ETM fuses
Cell 81: Gauges and Indicators
Handling ESD Sensitive Parts Notice
Handling ESD Sensitive Parts Notice
Cell 41: Brake Warning Relays
Cell 14: G101, G103, G109, and G110
Cell 14: G104
Hydraulic Brakes Components
Cell 81: Gauges and Indicators
Cell 18: Cavities D
Cell 14: G200
Cell 41: Brake Warning Relays