GM Service Manual Online
For 1990-2009 cars only
Makes
🢒
Pontiac
🢒
2001
🢒
Grand Am
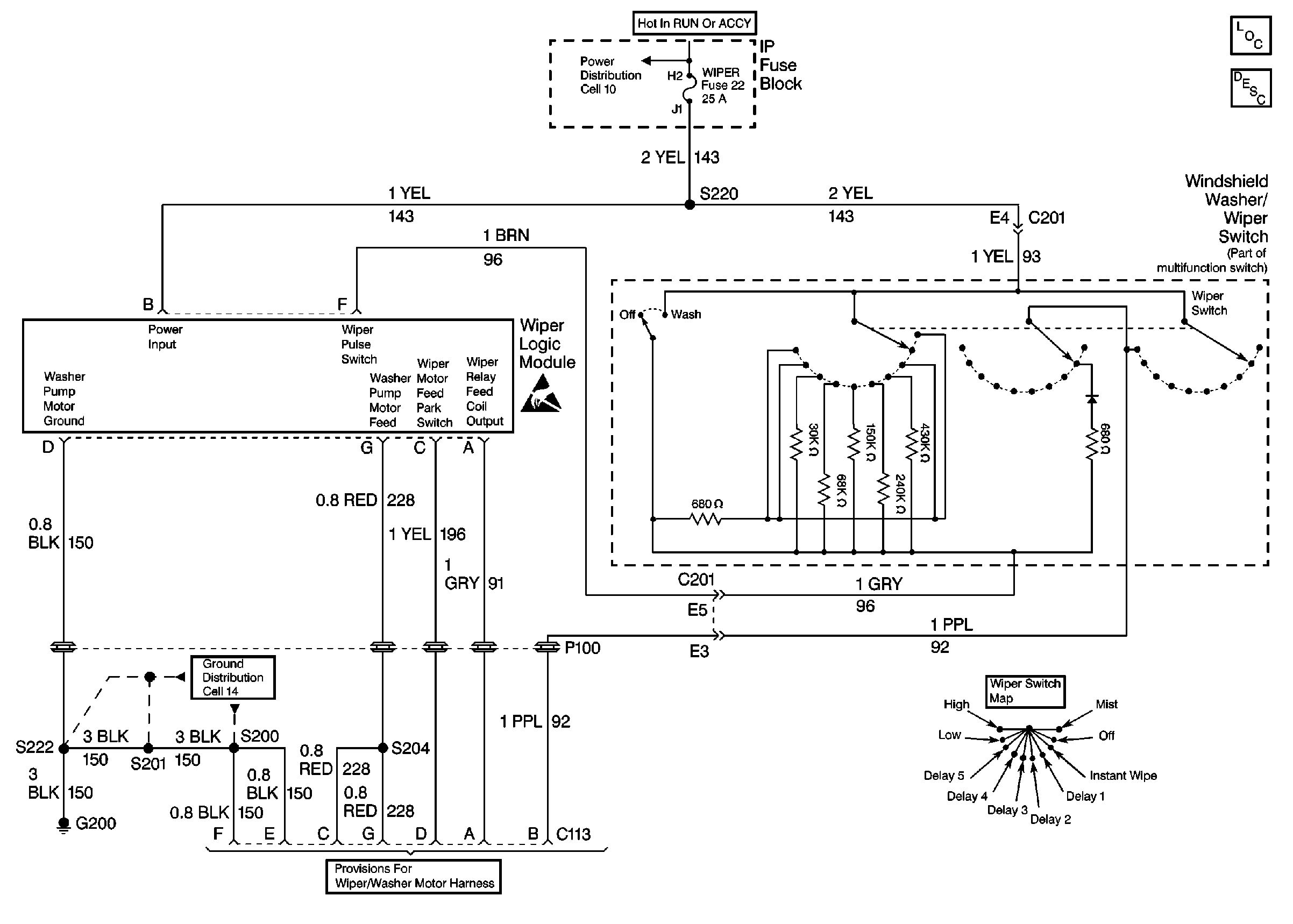
🢒 Cell 91
Cell 91
Cell 91
Cell 11: Hot in Run, Hot in Run and Accy Fuses
Cell 14: G200
Handling Electrostatic Discharge Sensitive Parts Notice
Wiper/Washer System Components