GM Service Manual Online
For 1990-2009 cars only
Makes
🢒
Pontiac
🢒
2001
🢒
Grand Am
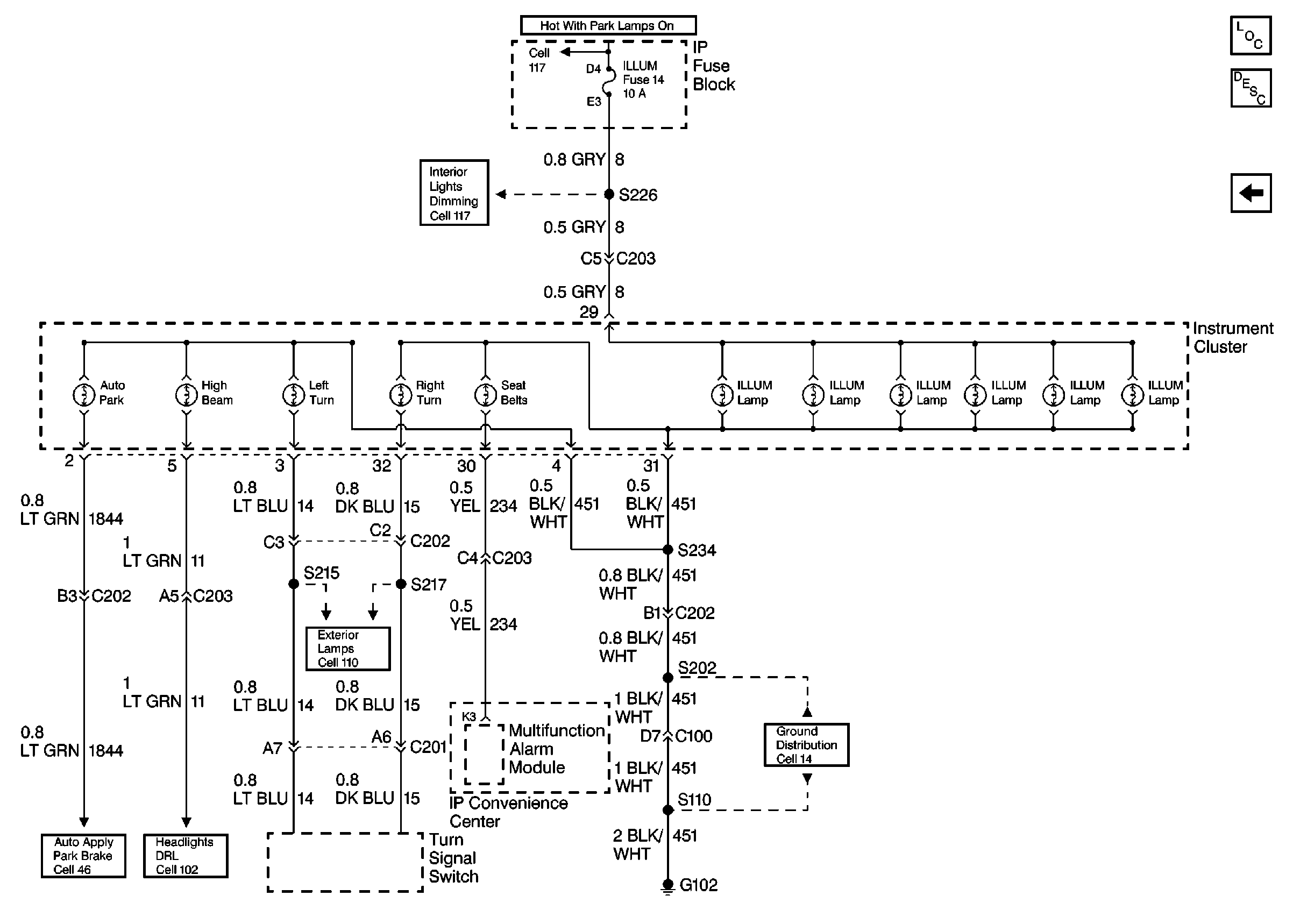
🢒 Cell 81: Indicator and Illumination Lamps
Cell 81: Indicator and Illumination Lamps
Cell 81: Indicator and Illumination Lamps
Cell 117: Interior Lights Dimming Schematics
Cell 46: Autopark Warning Lamp
Cell 102: Fuses, DRL System, Indicators
Cell 110: Turn/Hazard Circuit
Cell 14: G102
Instrument Cluster Components
Instrument Cluster Circuit Description
Cell 81: Gauges and Indicators
Cell 117: Interior Lights Dimming Schematics