GM Service Manual Online
For 1990-2009 cars only
Makes
🢒
Pontiac
🢒
2001
🢒
Grand Am
🢒 Cell 40
Cell 40
Cell 40
Cell 11: Horn, Brake Lamp, Pwr Accy #1, Radio Bat, Cig Ltr, Aux Pwr, Stop/Haz Fuses
Cell 14: G105, G106, G107, (Single Headlamps)
Cell 14: G105, G106, G107, (Dual Headlamps)
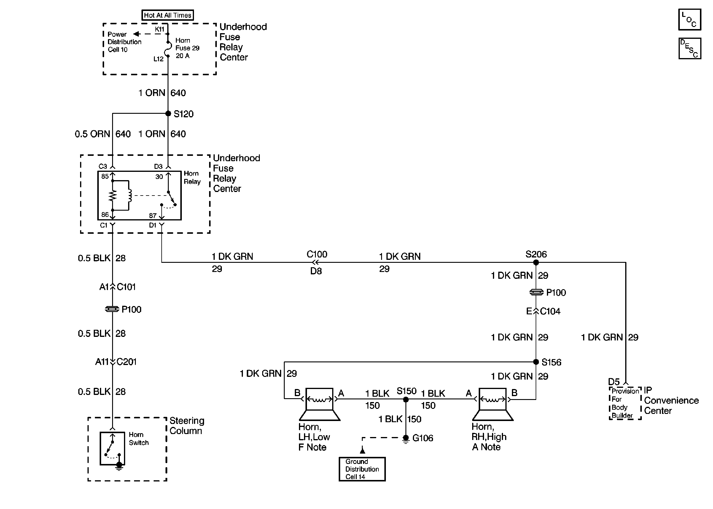
Horns Components
Horns Description