GM Service Manual Online
For 1990-2009 cars only
Makes
🢒
Pontiac
🢒
2001
🢒
Grand Am
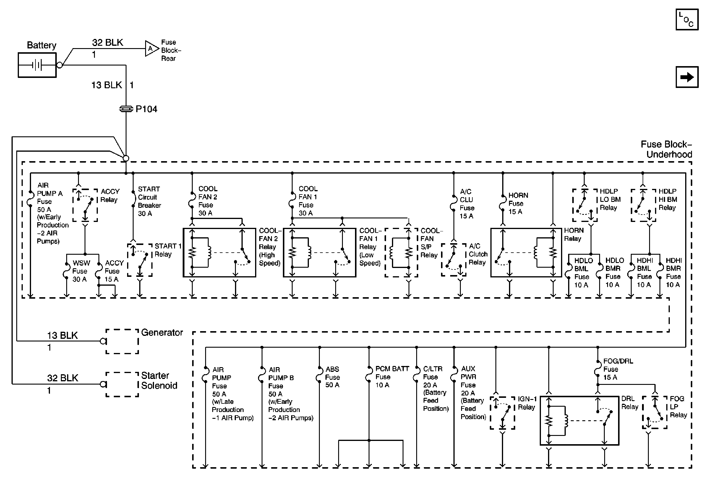
🢒 Battery Feed to the Fuse Block-Underhood
Battery Feed to the Fuse Block-Underhood
Battery Feed to the Fuse Block-Underhood
Master Electrical Component List
Battery Feed to the Fuse Block-Rear
Battery Feed to the Fuse Block-Rear