GM Service Manual Online
For 1990-2009 cars only
Makes
🢒
Pontiac
🢒
2001
🢒
Grand Am
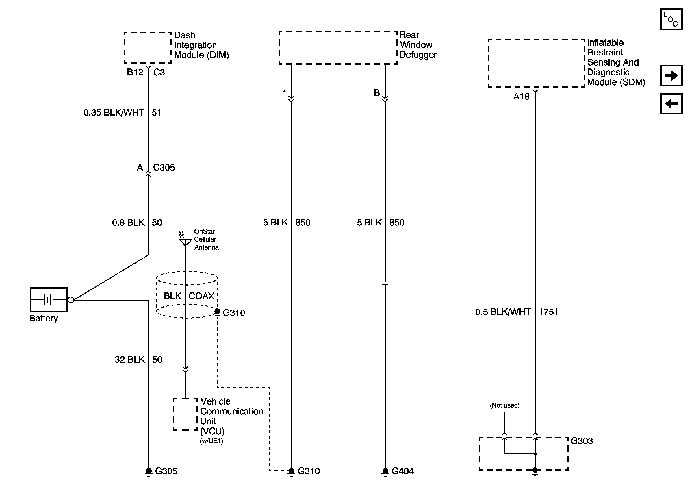
🢒 G303, G305, G310 and G404
G303, G305, G310 and G404
G303, G305, G310 and G404
Master Electrical Component List
G401 (1 of 2)
G302