GM Service Manual Online
For 1990-2009 cars only
Figure 1:

Power and Ground


Object Number: 791533  Size: FS
Master Electrical Component List
ABS Description and Operation
Wheel Speed Sensors
IGN SW-BATT2, WIPER, AIR BAG, TURN LPS, IGN MOD, B/U LP/BTSI, PCM IGN, F/P INJR, A/C BFC, AUTO TRANS, ABS/EVO/IGN Fuses
RH BEC BATT, ABS, COOL FAN (V6) GROUND, INT LPS, RADIO BATT, FOG LPS Fuses
G103 and G105
Data Link Connector (DLC) Schematics
Figure 2:

Wheel Speed Sensors


Object Number: 791534  Size: FS
Master Electrical Component List
ABS Description and Operation
Traction Control Switch
Power and Ground
Antilock Brake System Schematic Icons
Antilock Brake System Schematic Icons
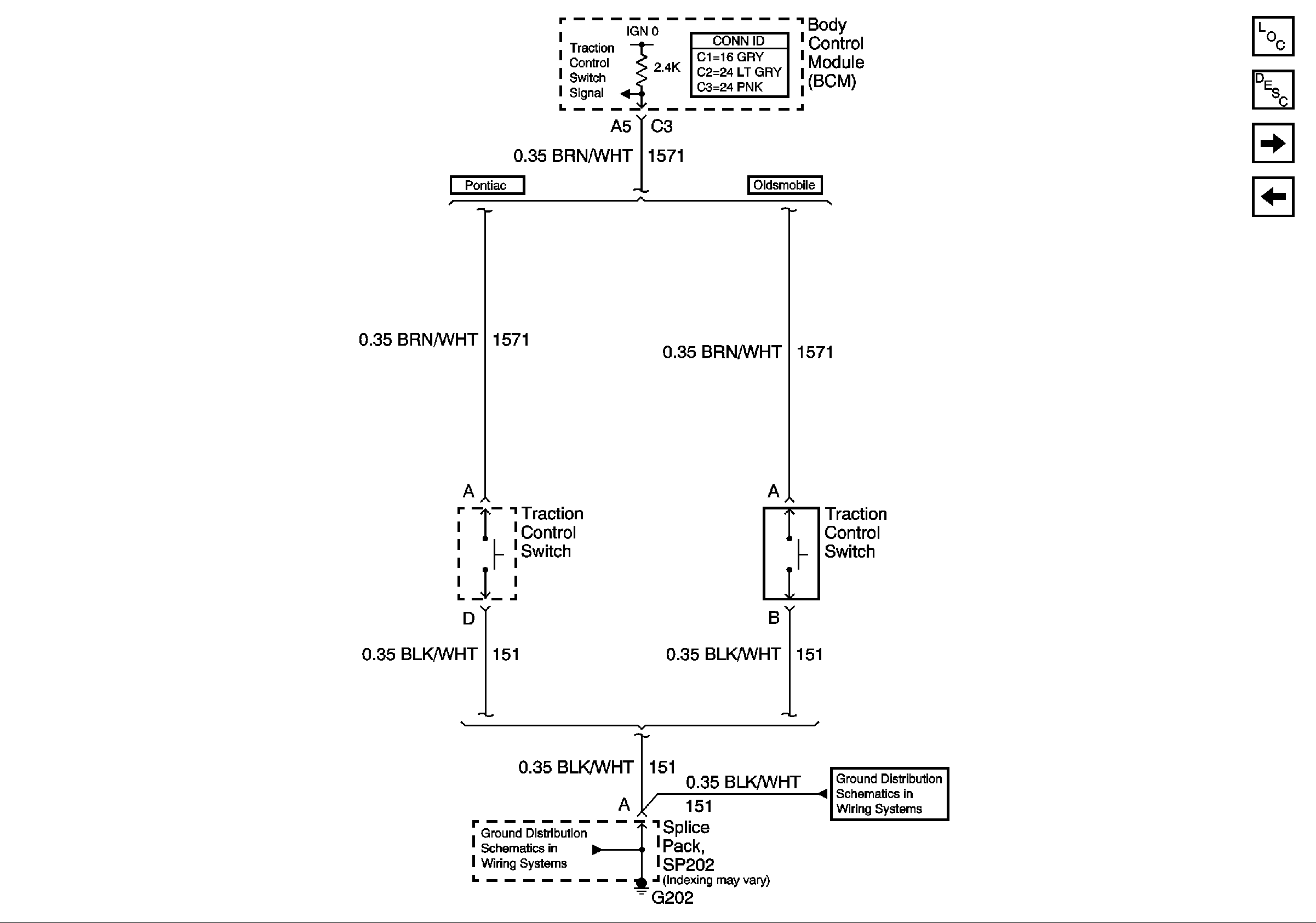
Figure 3:

Traction Control Switch


Object Number: 791535  Size: FS
Master Electrical Component List
ABS Description and Operation
Stop Lamp Switch and Steering References
Wheel Speed Sensors
G202
G202
Figure 4:

Stop Lamp Switch and Steering References


Object Number: 791536  Size: FS
Master Electrical Component List
ABS Description and Operation
Traction Control Switch
RH HDLP, LH HDLP, GEN BATT, LH BEC BATT2, STOP LPS, HAZARD LPS, IPC/HVAC BATT, BFC BATT Fuses
Stop Lamps
Stop Lamp Switch
Steering Controls Schematics