GM Service Manual Online
For 1990-2009 cars only
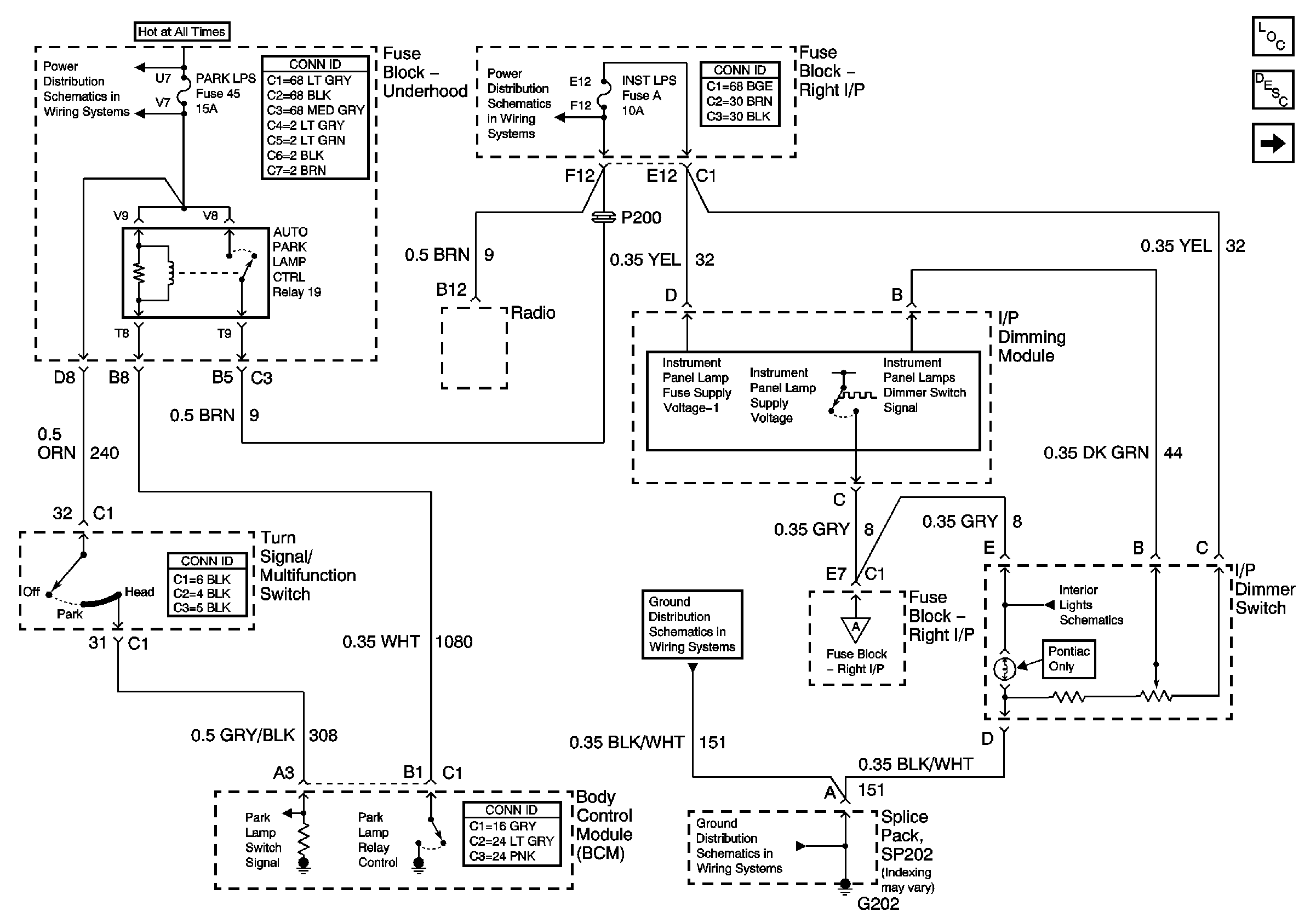
Figure 1:

Dimmer Controls


Object Number: 793098  Size: FS
Master Electrical Component List
Interior Lighting Systems Description and Operation
Instrument Panel Lamps
L/H BEC BATT1, AUX PWR/CIGAR, PARK LPS, PCM BATT, PWR MIRROR, DR LOCK, TRUNK REL/RFA/Radio Amp Fuses, and RWR SEAT Circuit Breaker
INST LPS Fuse
Dome Lamps
G202
G203
Instrument Panel Lamps
G202
G202
Figure 2:

Instrument Panel Lamps


Object Number: 793100  Size: FS
Master Electrical Component List
Interior Lighting Systems Description and Operation
Door Switches - Pontiac
Dimmer Controls
Dimmer Controls
Door Switches - Pontiac
Door Switches - Oldsmobile
SIR Handling Caution
SIR Handling Caution
Switches and Indicators
G201
G202
G203
G201
G202
Figure 3:

Door Switches - Pontiac


Object Number: 793101  Size: FS
Master Electrical Component List
Interior Lighting Systems Description and Operation
Door Switches - Oldsmobile
Instrument Panel Lamps
Instrument Panel Lamps
G302
G302
G302
G302
G302
G301
G302
Figure 4:

Door Switches - Oldsmobile


Object Number: 793102  Size: FS
Master Electrical Component List
Interior Lighting Systems Description and Operation
Door Switches - Pontiac
Instrument Panel Lamps
G302
G302
G301
G302
G301
G302
G302