GM Service Manual Online
For 1990-2009 cars only
Makes
🢒
Pontiac
🢒
2002
🢒
Grand Am
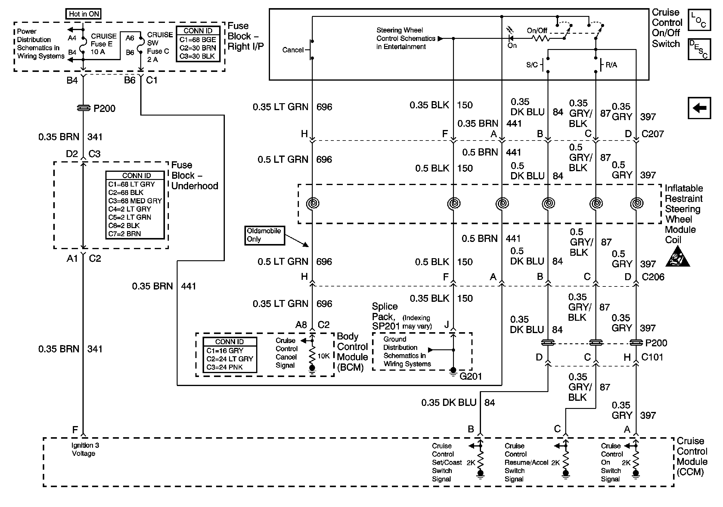
🢒 Cruise Control ON/OFF Switch
Cruise Control ON/OFF Switch
Cruise Control ON/OFF Switch
Master Electrical Component List
Cruise Control Description and Operation
Stop Lamp Switch
PWR WNDW, Circuit Breaker, CRUISE SW, CRUISE, SUNROOF, HVAC BLOWER Fuses
G201
SIR Handling Caution