GM Service Manual Online
For 1990-2009 cars only
Makes
🢒
Pontiac
🢒
2005
🢒
Grand Am
🢒
Body
🢒
Stationary Windows
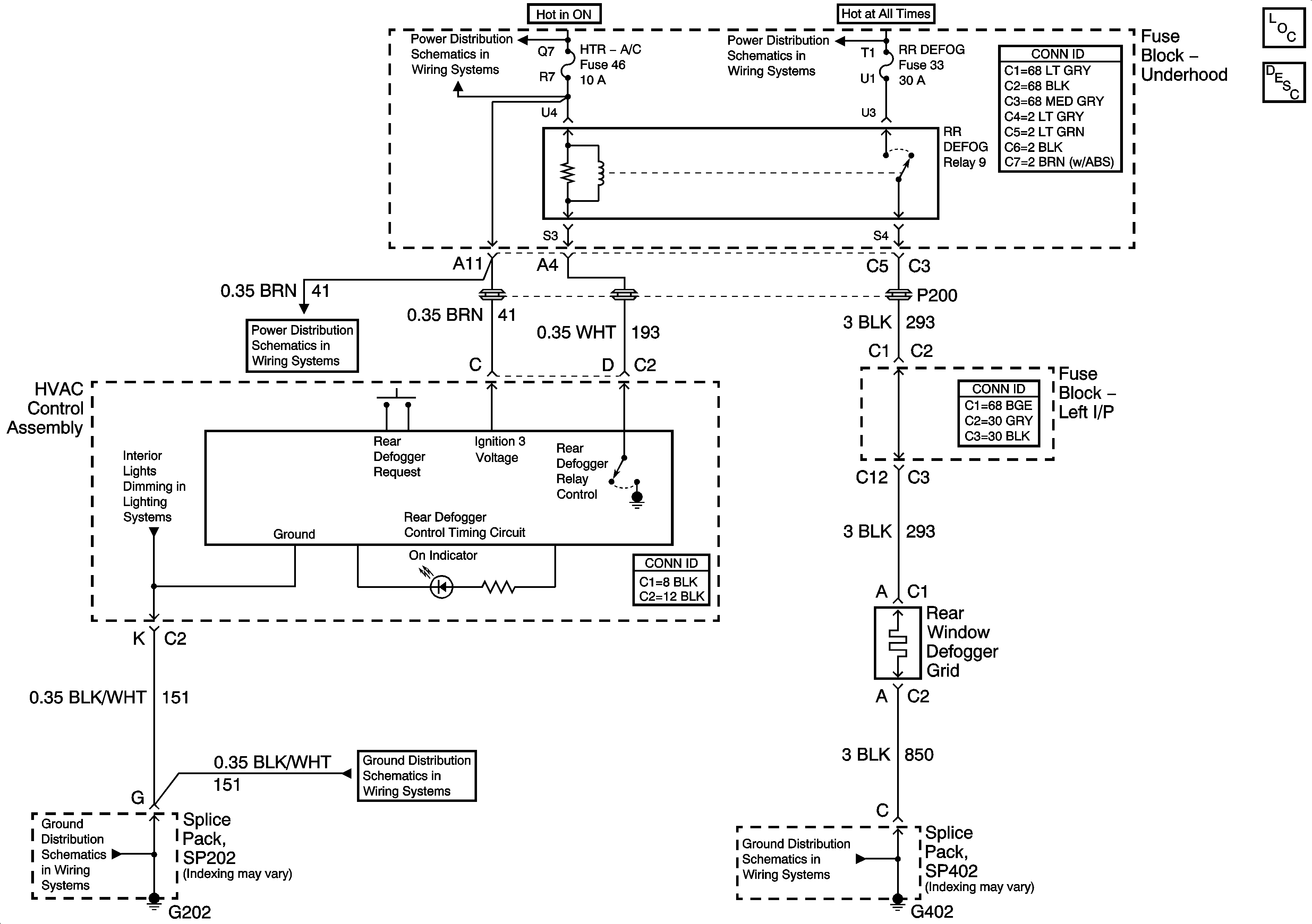
🢒 Defogger Schematics
Master Electrical Component List
Rear Window Defogger Description and Operation
IGN SW BATT1, ERLS, HTR-A/C and CRANK Fuses
B+ Bus Bar
IGN SW BATT1, ERLS, HTR-A/C and CRANK Fuses
G301
G202
G202
G402