GM Service Manual Online
For 1990-2009 cars only
Figure 1:

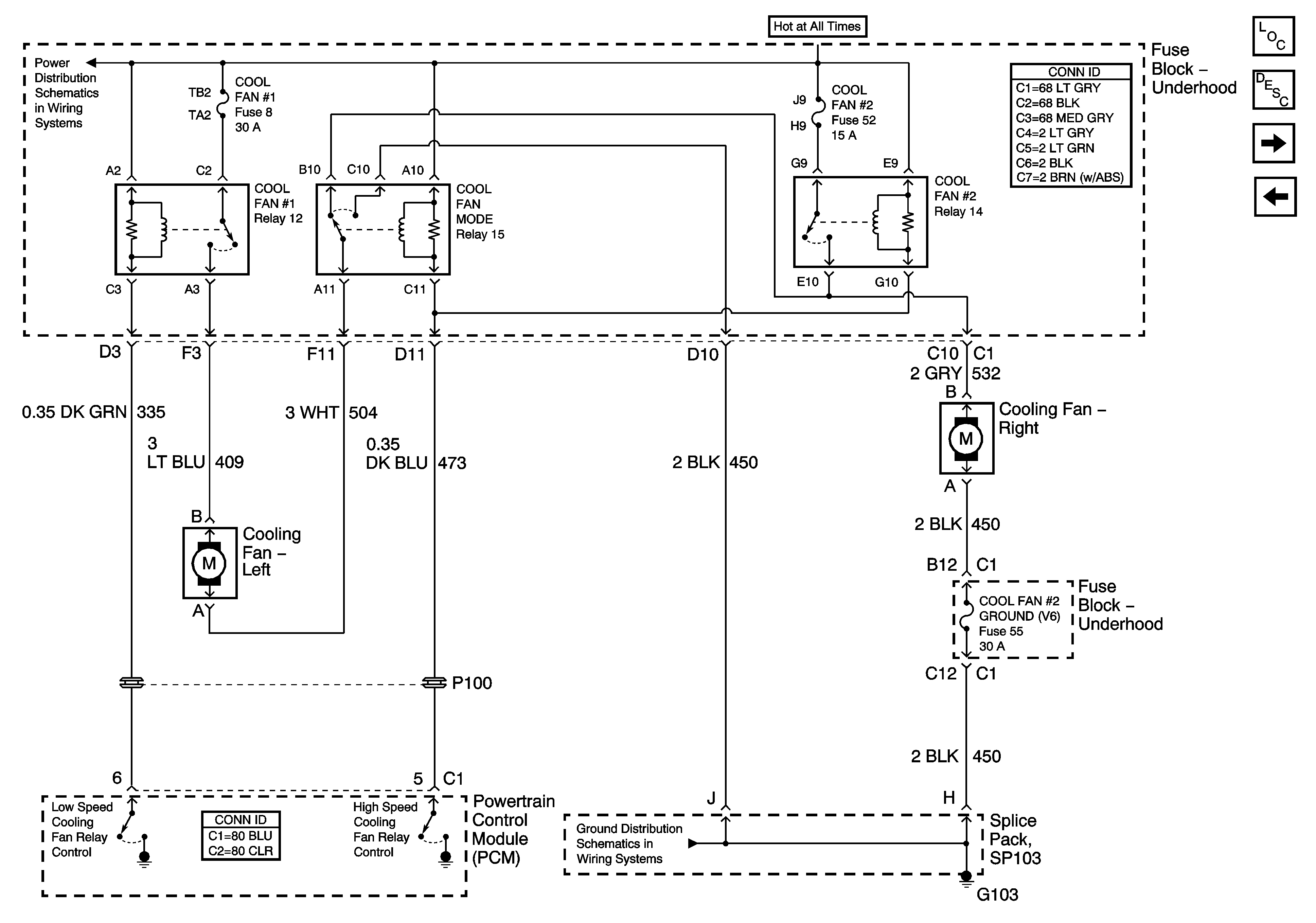
Cooling Fans (L61)


Object Number: 1391499  Size: FS
Figure 2:

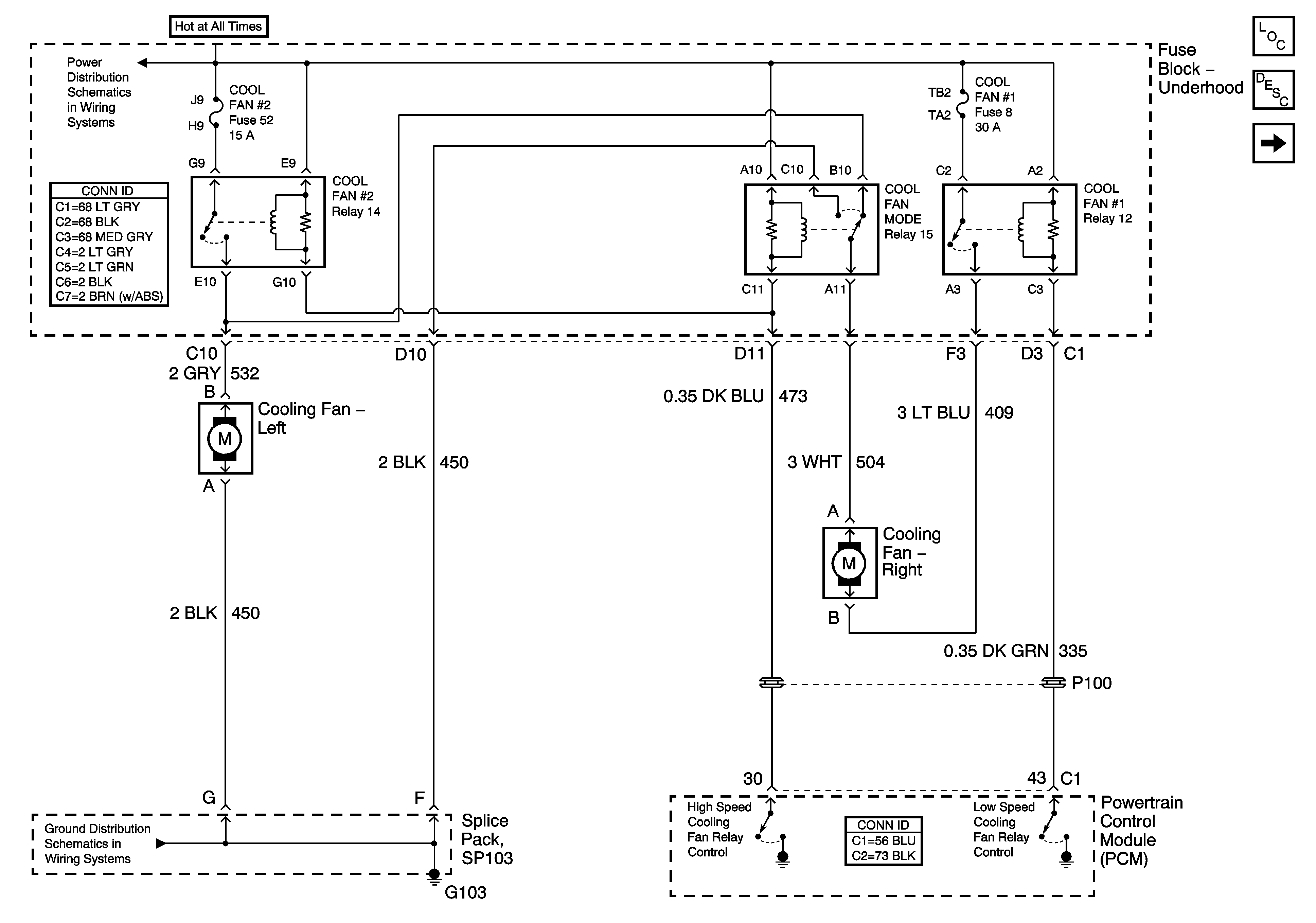
Cooling Fans (LA1)


Object Number: 1393033  Size: FS
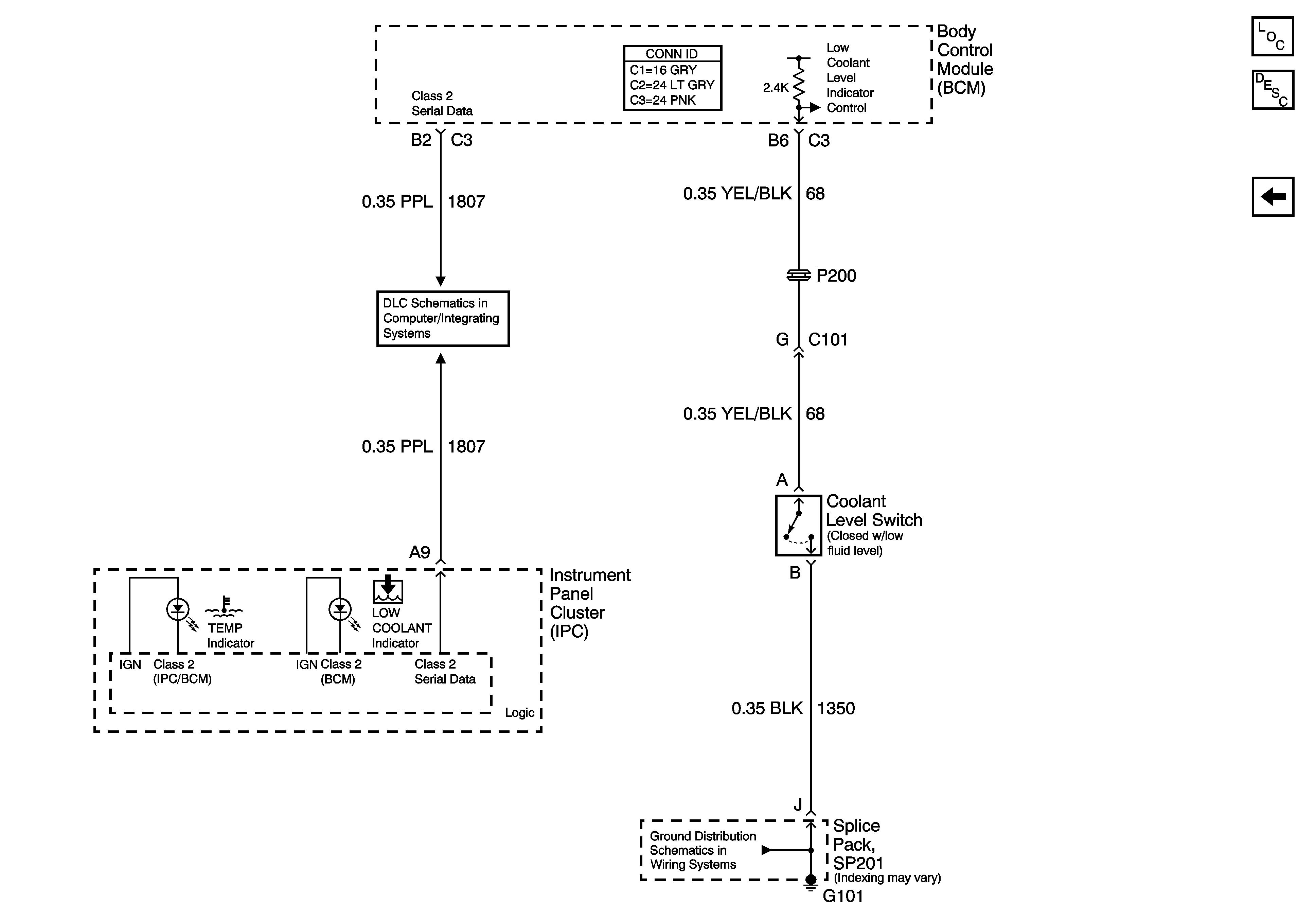
Figure 3:

Coolant Indicators


Object Number: 1393035  Size: FS