GM Service Manual Online
For 1990-2009 cars only
Figure 1:

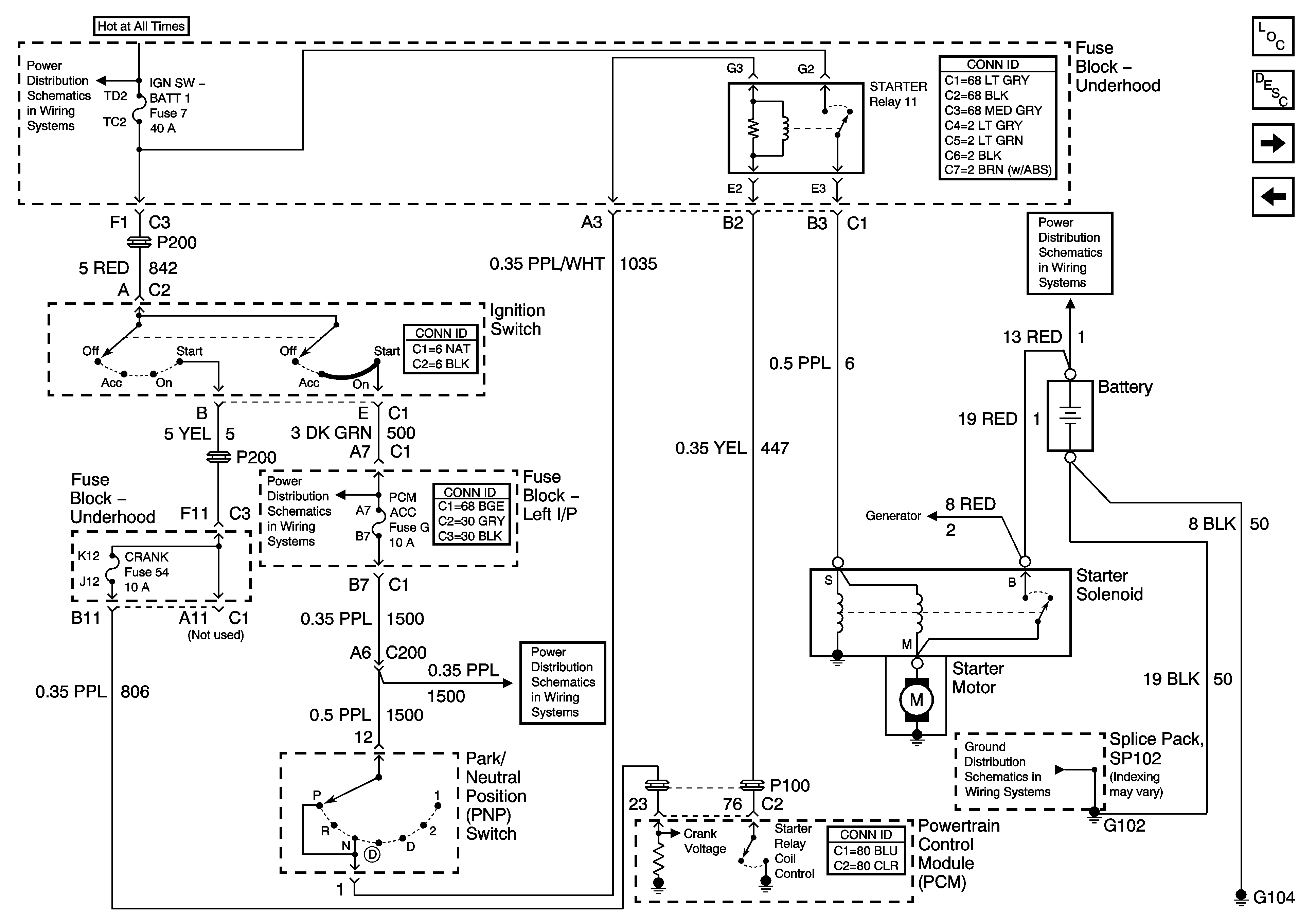
Starting System (L61)


Object Number: 1391470  Size: FS
Figure 2:

Starting System (LA1)


Object Number: 1391471  Size: FS
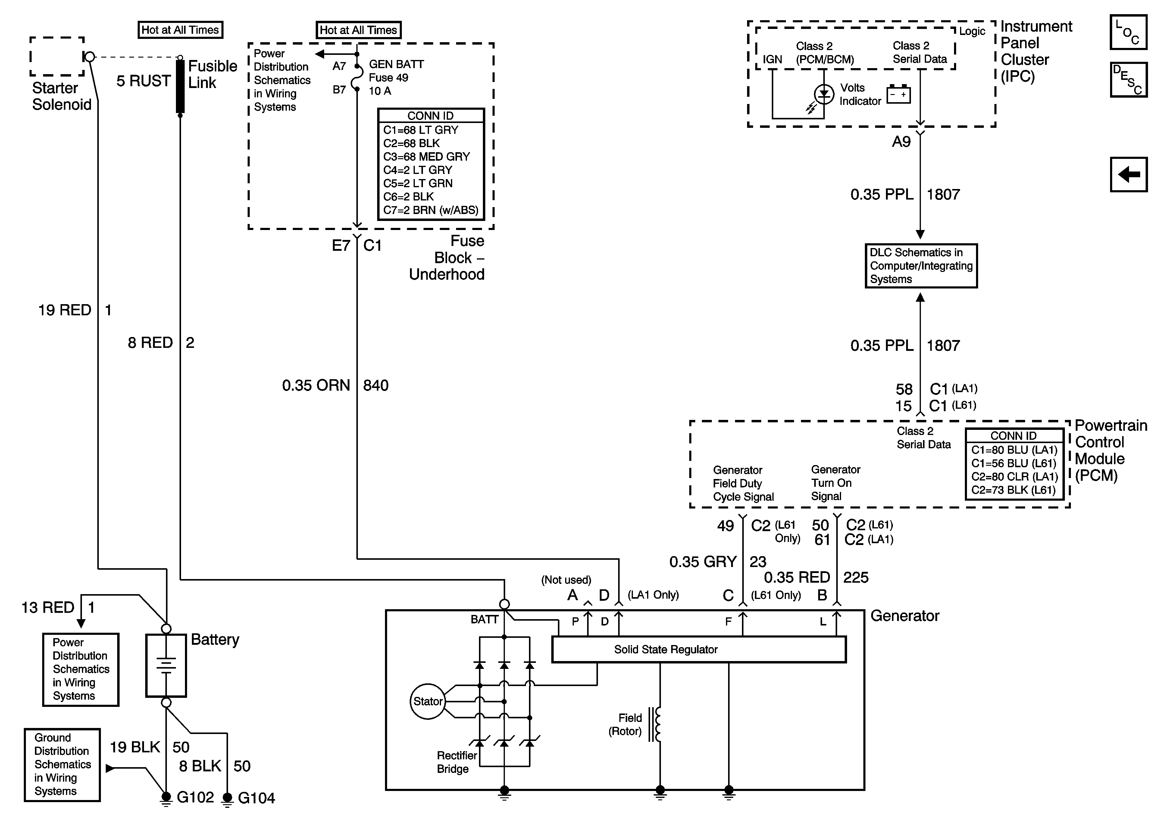
Figure 3:

Charging System


Object Number: 1391473  Size: FS