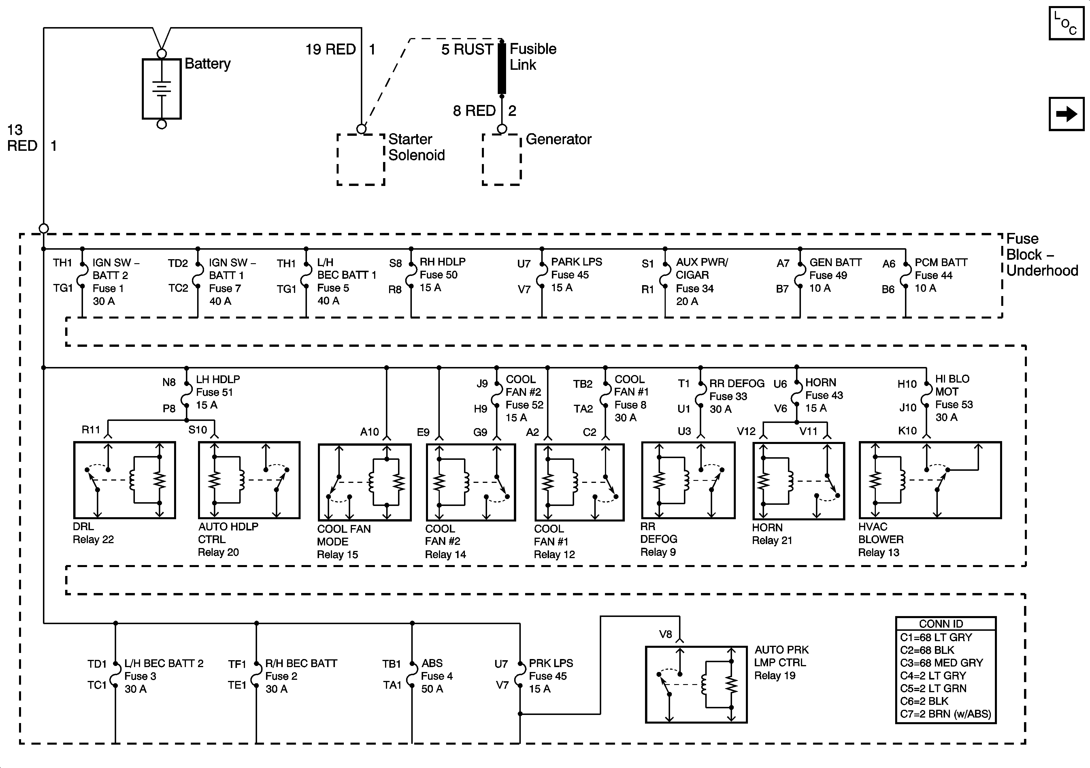
GM Service Manual Online
For 1990-2009 cars only
Figure 1:

B+ Bus Bar


Object Number: 1391219  Size: FS
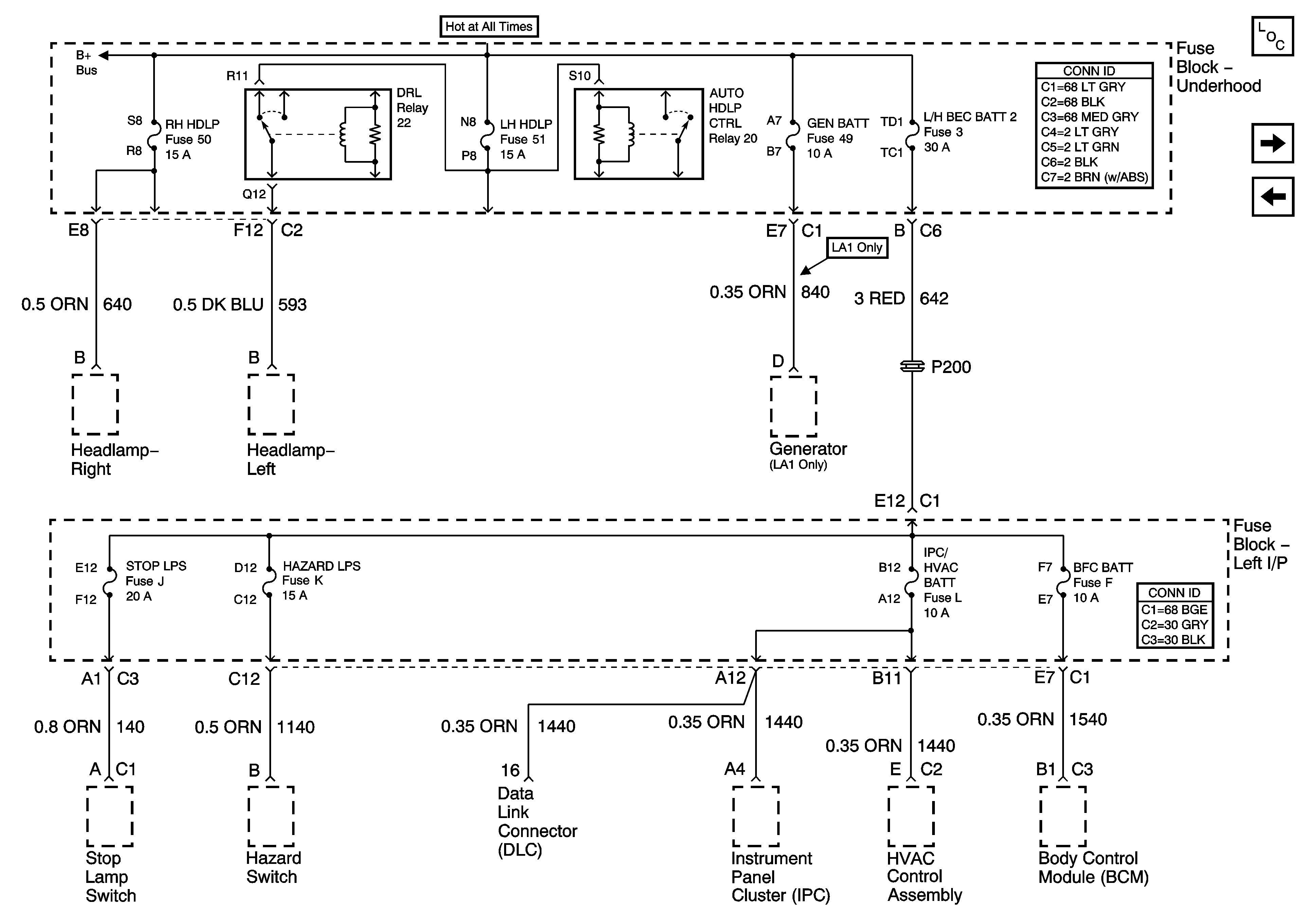
Figure 2:

IGN SW-BATT2, WIPER, AIR BAG, TURN LPS, IGN MOD, B/U LP/BTSI, PCM IGN, F/P INJR, A/C BFC, AUTO TRANS, ABS/EVO/IGN Fuses


Object Number: 1391237  Size: FS
Figure 3:

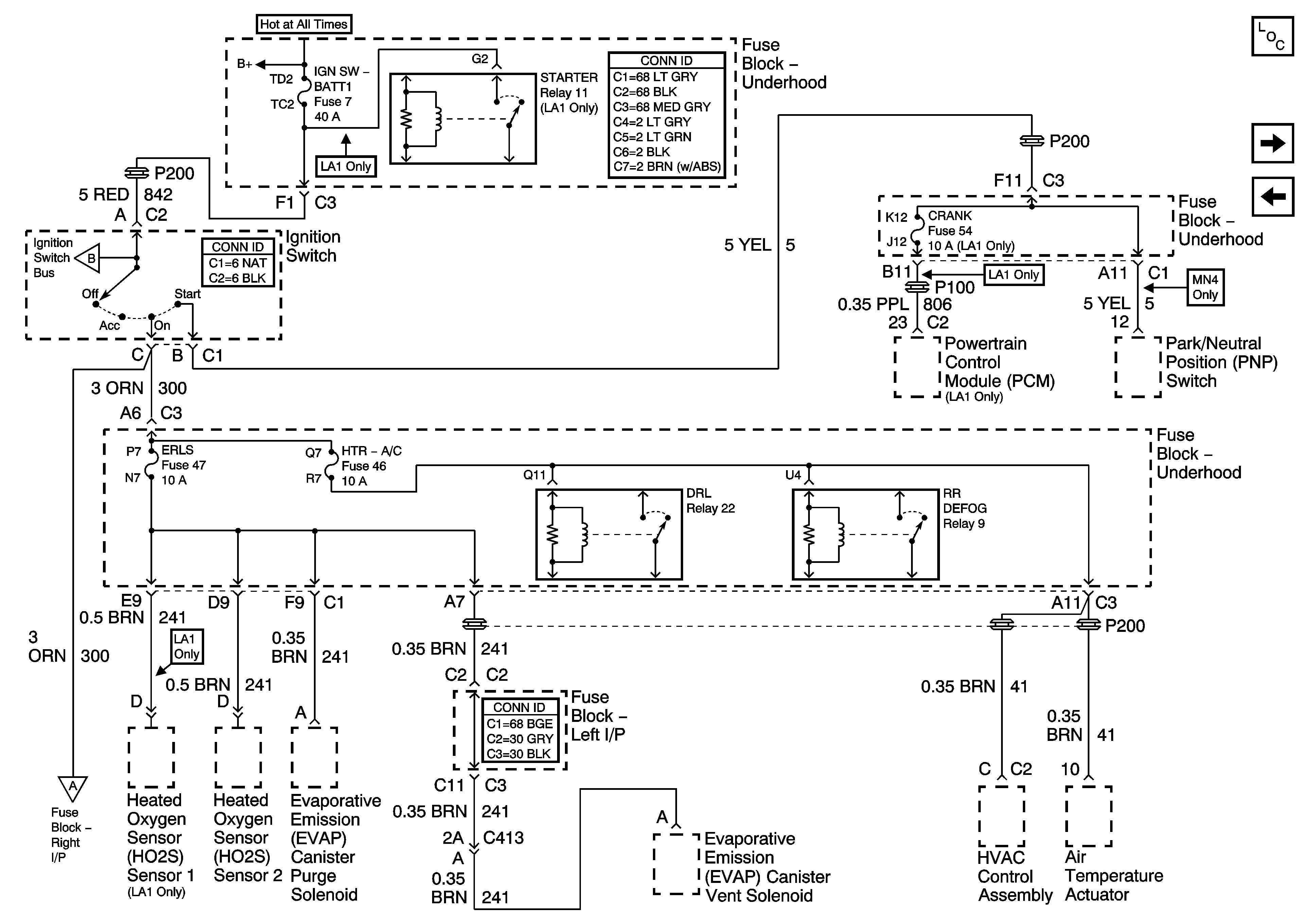
IGN SW-BATT1, ERLS, HTR-A/C and CRANK Fuses


Object Number: 1391251  Size: FS
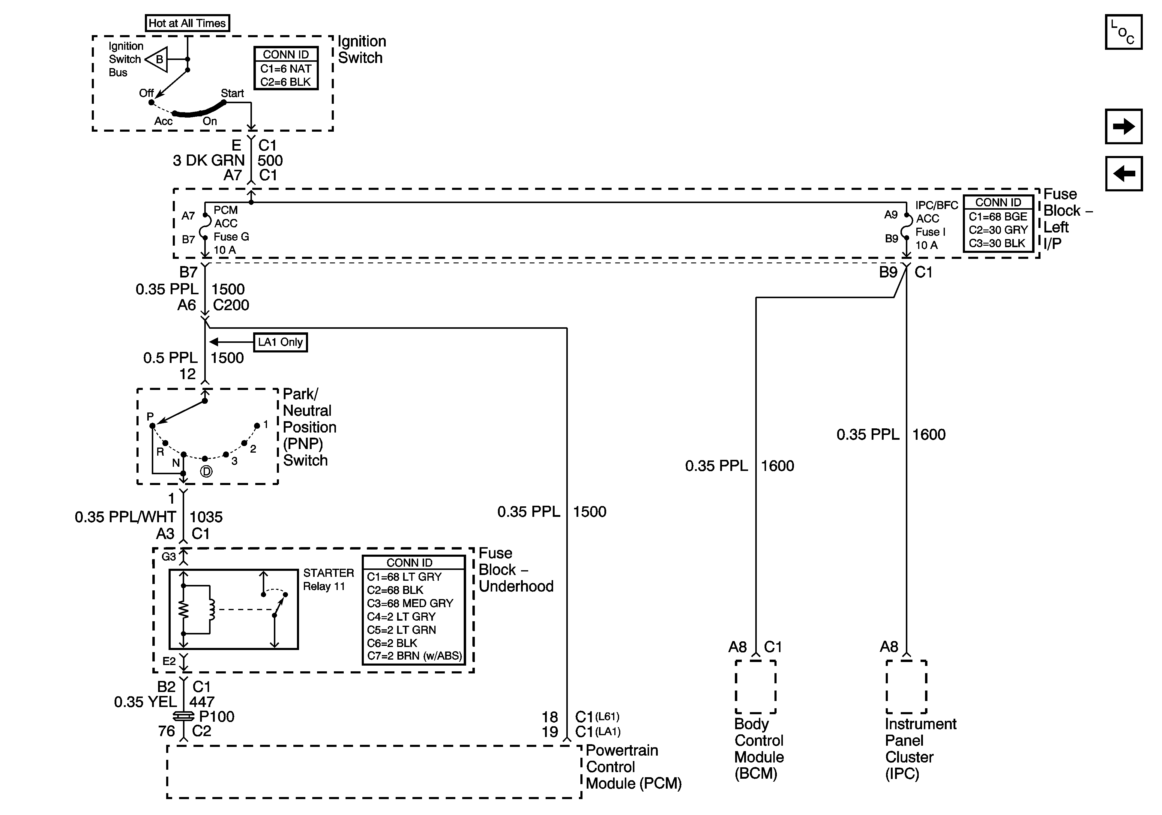
Figure 4:

PCM ACC and IPC/BFC ACC Fuses


Object Number: 1391267  Size: FS
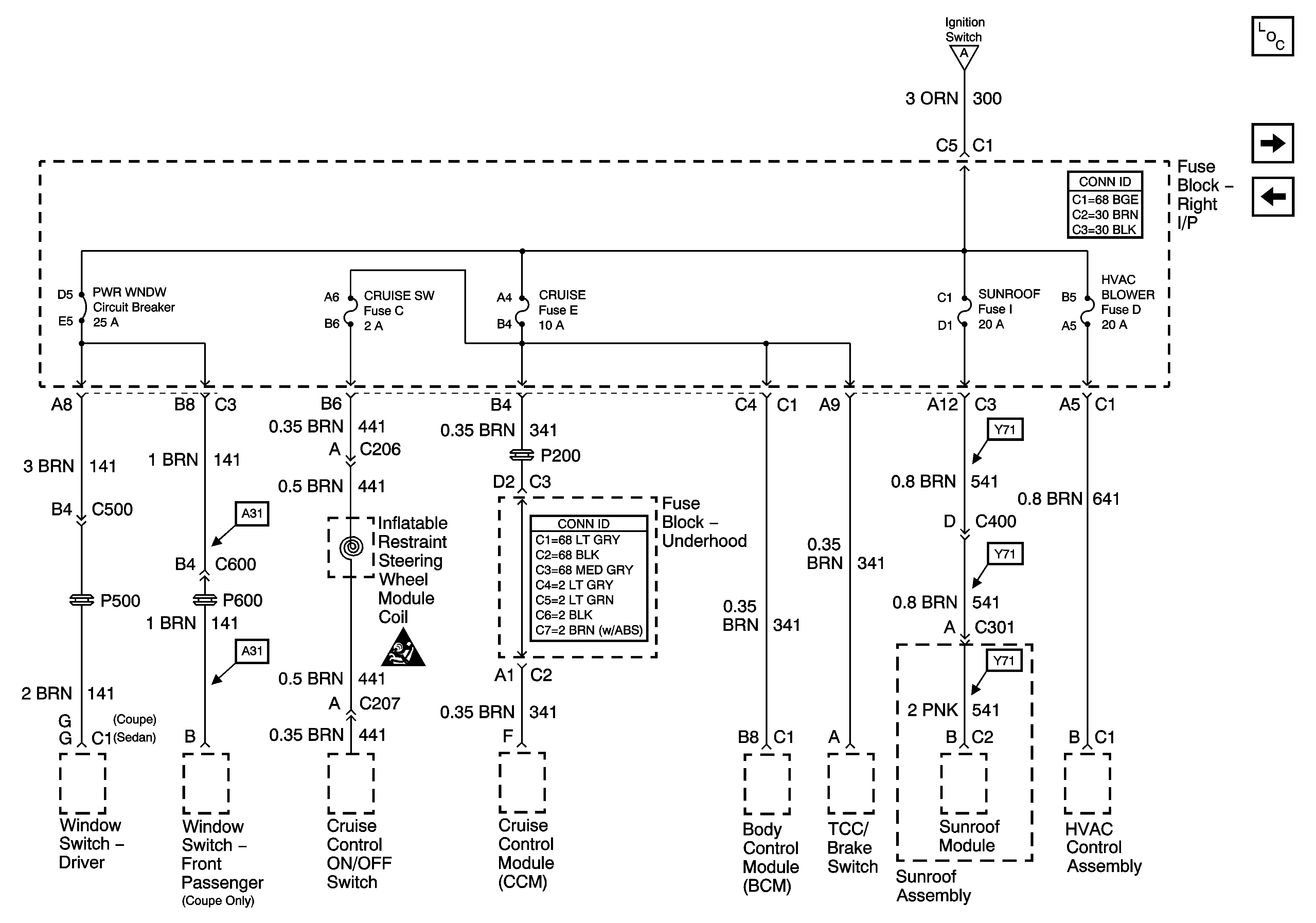
Figure 5:

PWR WINDW Circuit Breaker, CRUISE SW, CRUISE, SUNROOF, and HVAC BLOWER Fuses


Object Number: 1391273  Size: FS
Figure 6:

L/H BEC BATT1. AUX PWR/CIGAR, PARK LPS, PCM BATT Fuses


Object Number: 1391281  Size: FS
Figure 7:

INST LPS Fuse


Object Number: 1391284  Size: FS
Figure 8:

RH HDLP, LH HDLP, GEN BATT, L/H BEC BATT2, STOP LPS. HAZARD LPS, IPC//HVAC BATT, BFC BATT Fuses


Object Number: 1391289  Size: FS
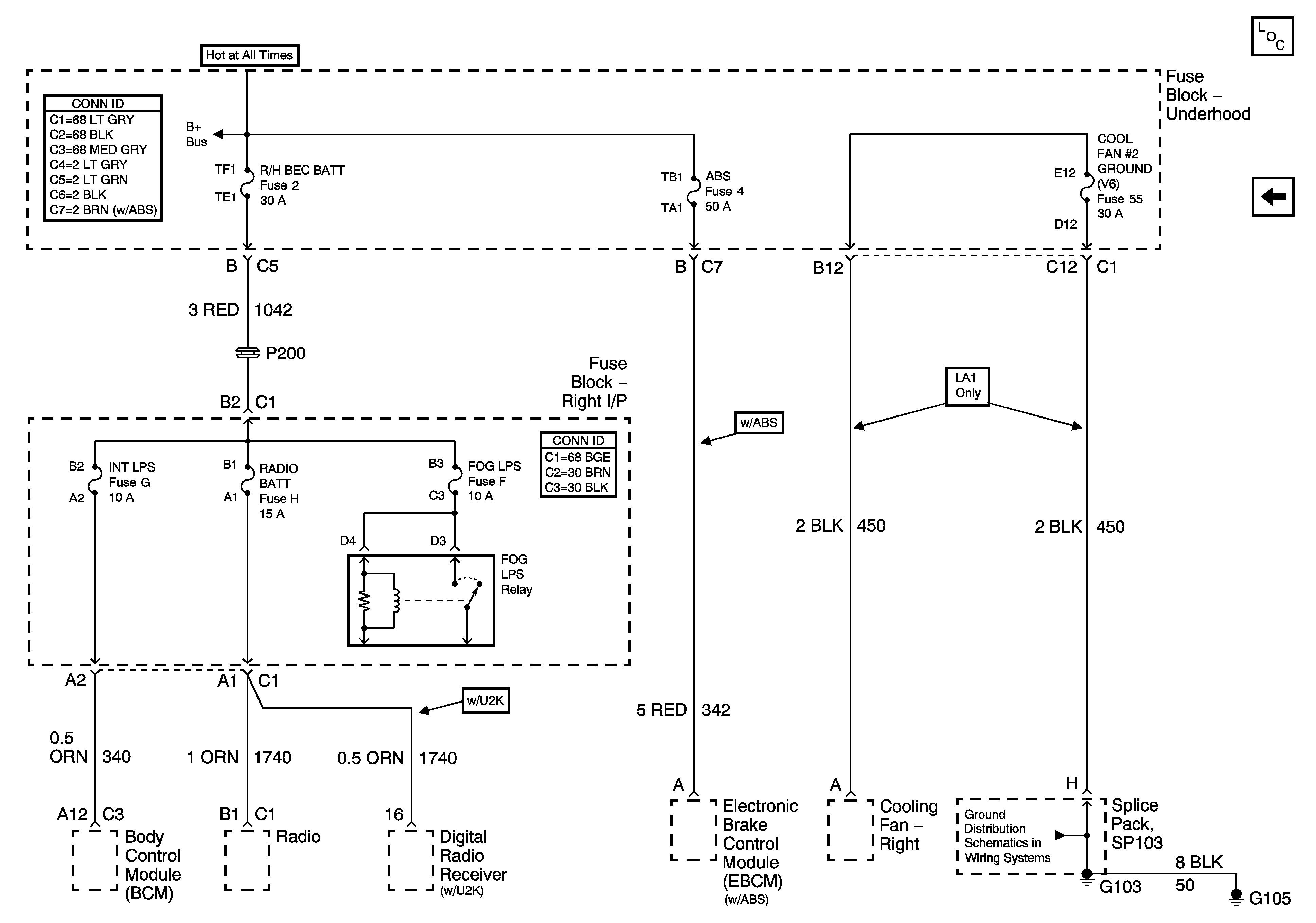
Figure 9:

RH BEC BATT, ABS, COOL FAN #2 GROUND (V6), INT LPS, RADIO, BATT, and FOG LPS Fuses


Object Number: 1391294  Size: FS