GM Service Manual Online
For 1990-2009 cars only
Figure 1:

Dome Lamps (Y71)


Object Number: 1392132  Size: FS
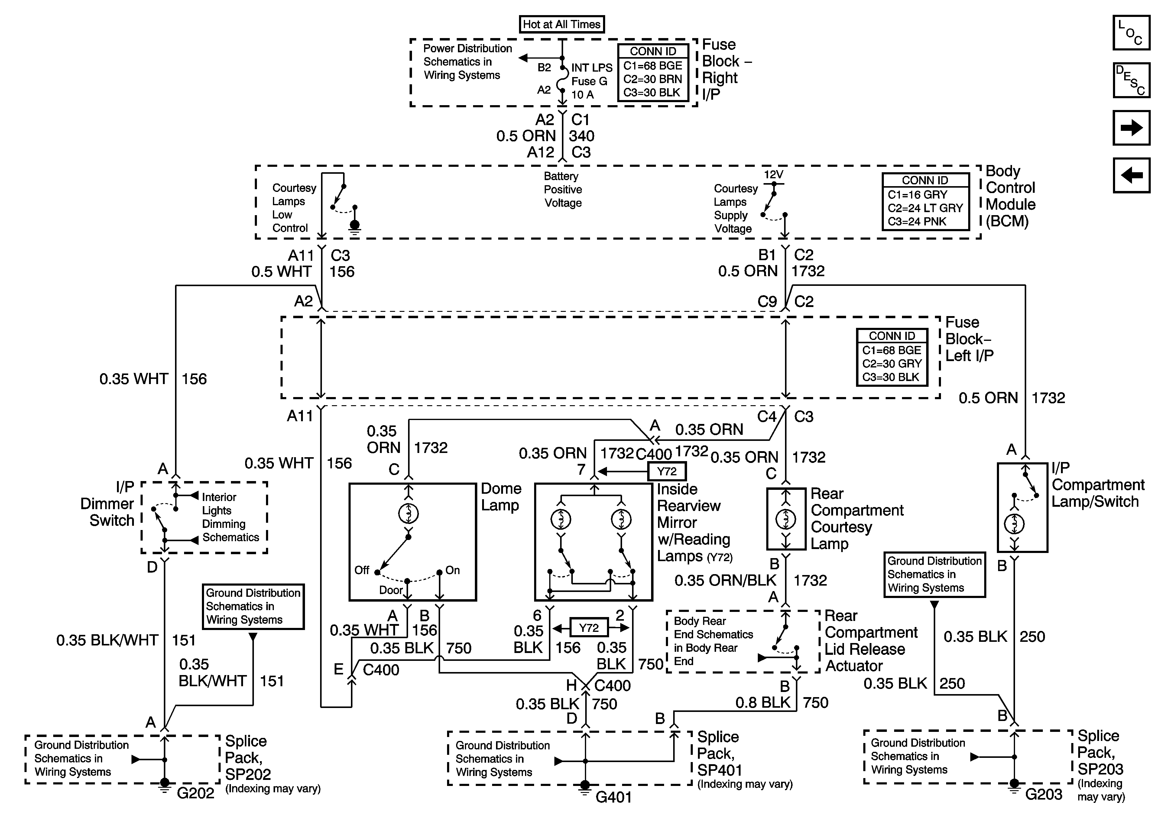
Figure 2:

Dome Lamps (Y71/Y72)


Object Number: 1392134  Size: FS
Figure 3:

Door Jamb Switches


Object Number: 1392136  Size: FS