GM Service Manual Online
For 1990-2009 cars only
Figure 1:

G101


Object Number: 1391310  Size: FS
Figure 2:

G102 and G104


Object Number: 1391311  Size: FS
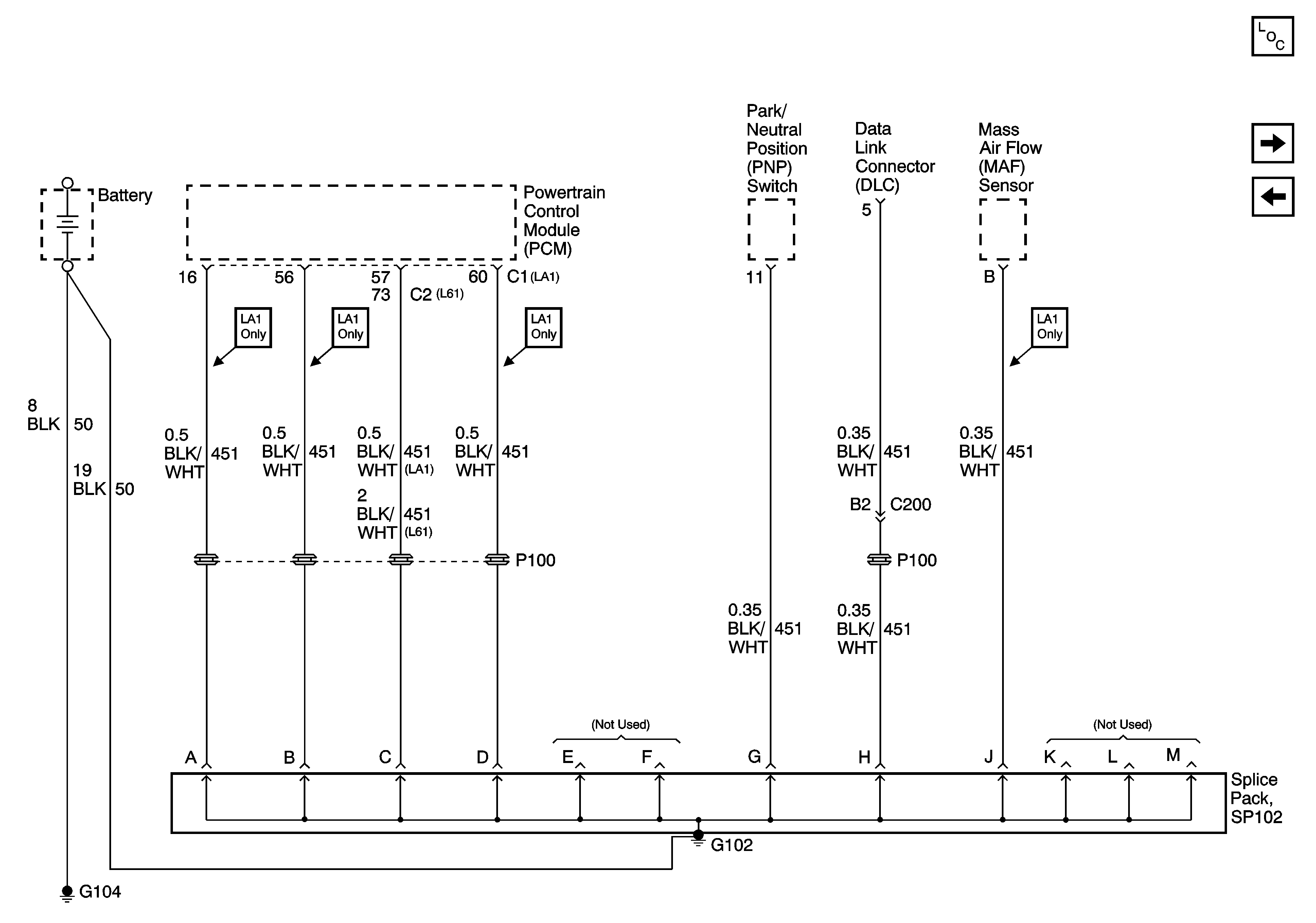
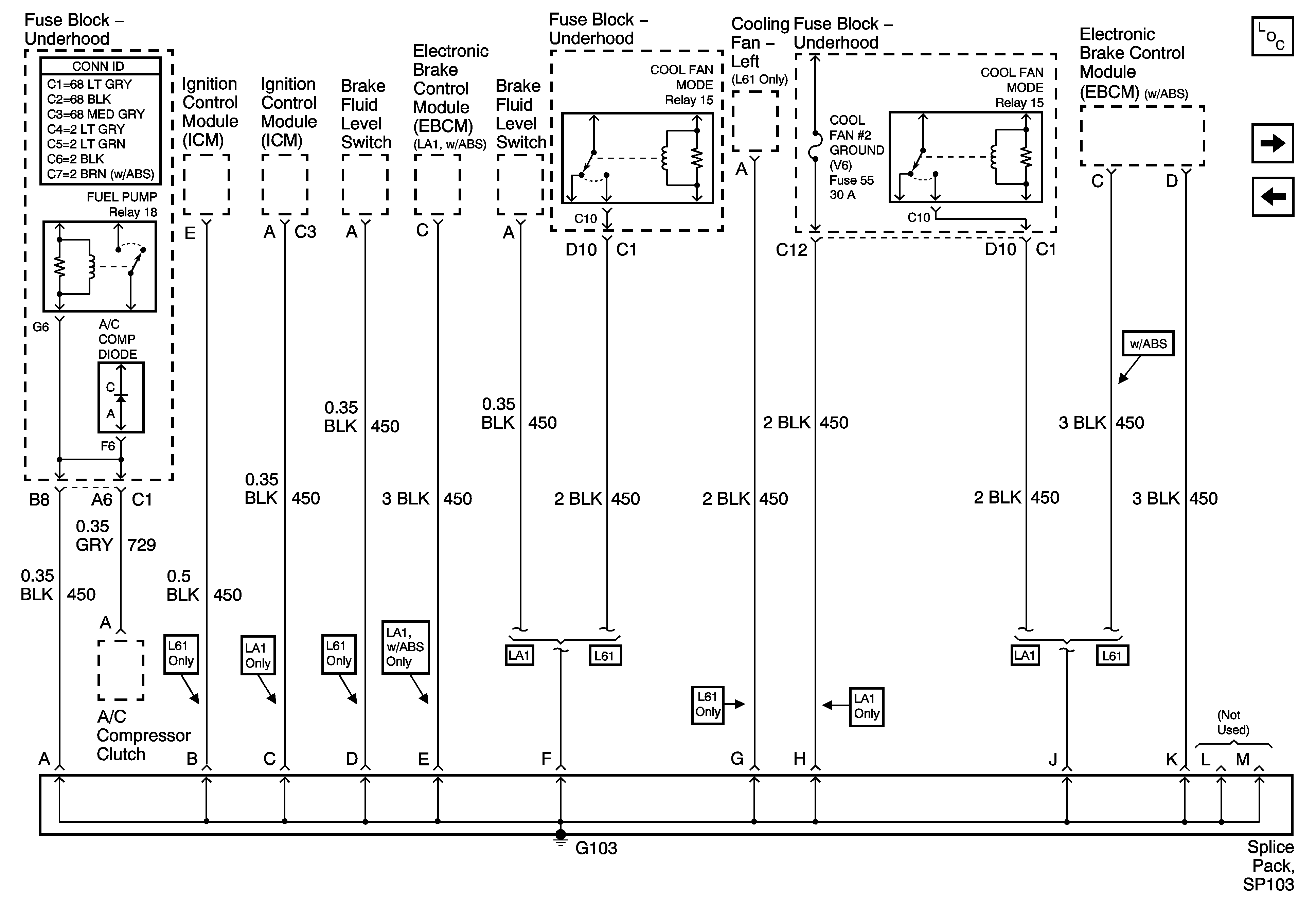
Figure 3:

G103 and G105


Object Number: 1391315  Size: FS
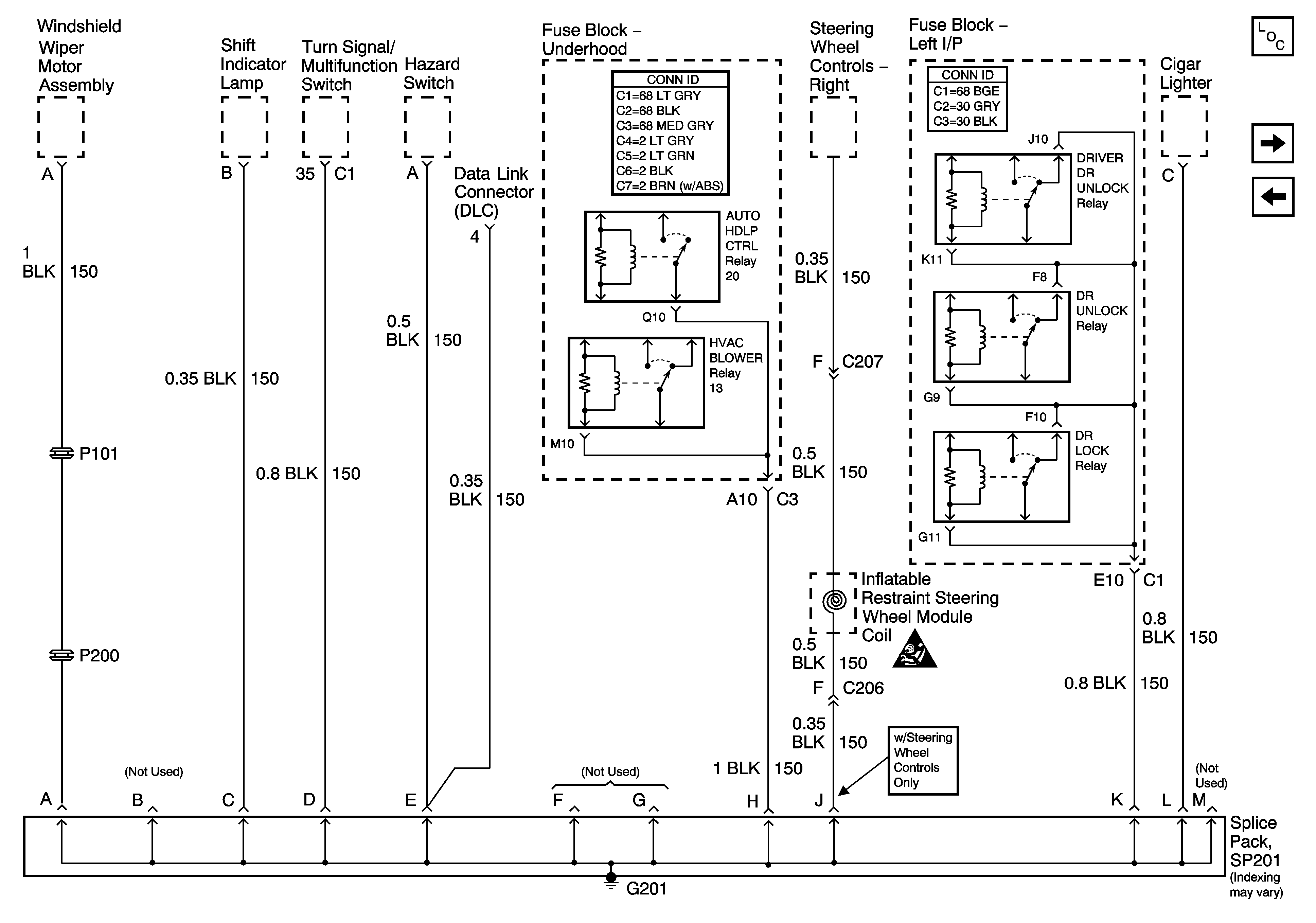
Figure 4:

G201


Object Number: 1391321  Size: FS
Figure 5:

G202


Object Number: 1391328  Size: FS
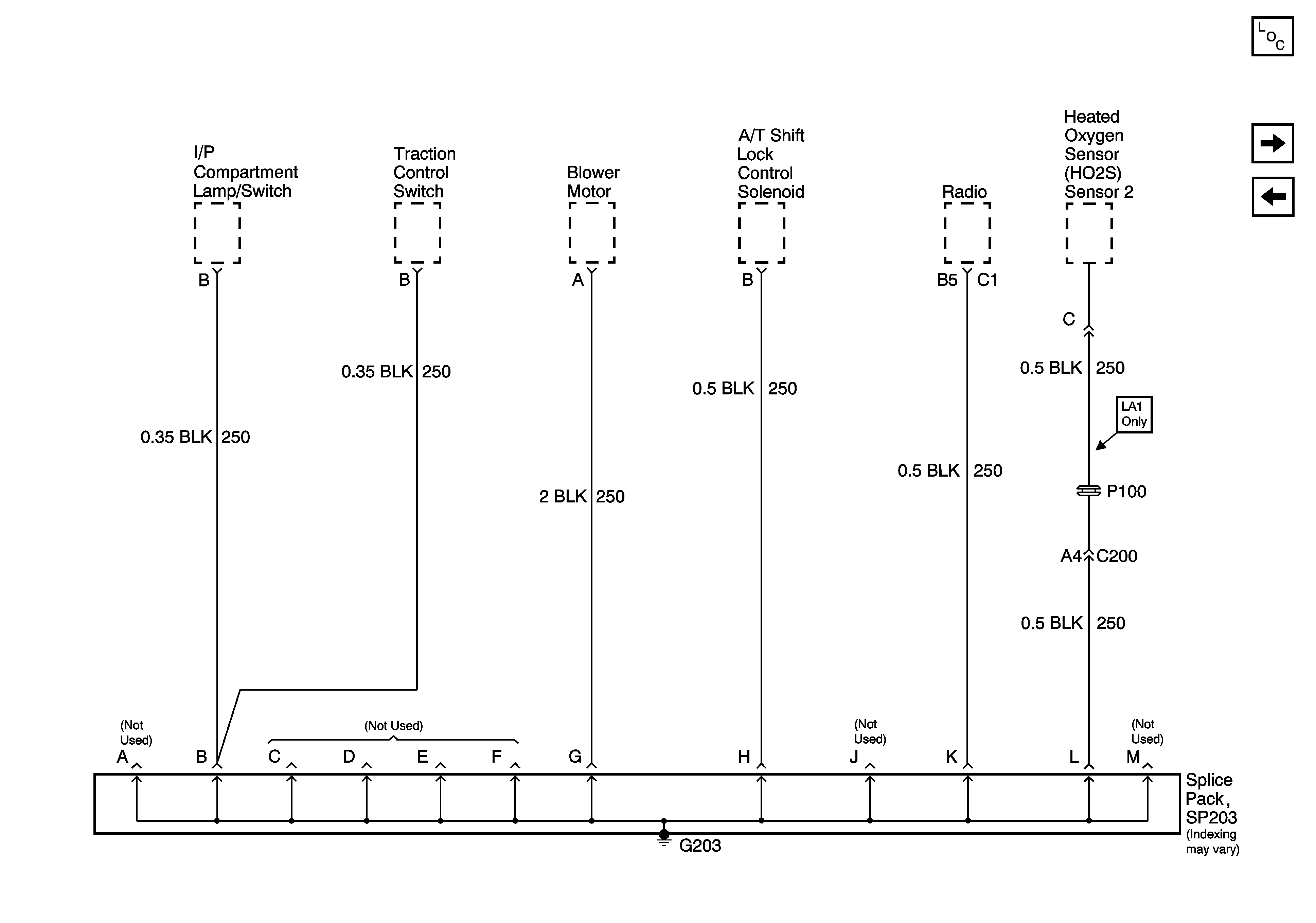
Figure 6:

G203


Object Number: 1391330  Size: FS
Figure 7:

G301


Object Number: 1391331  Size: FS
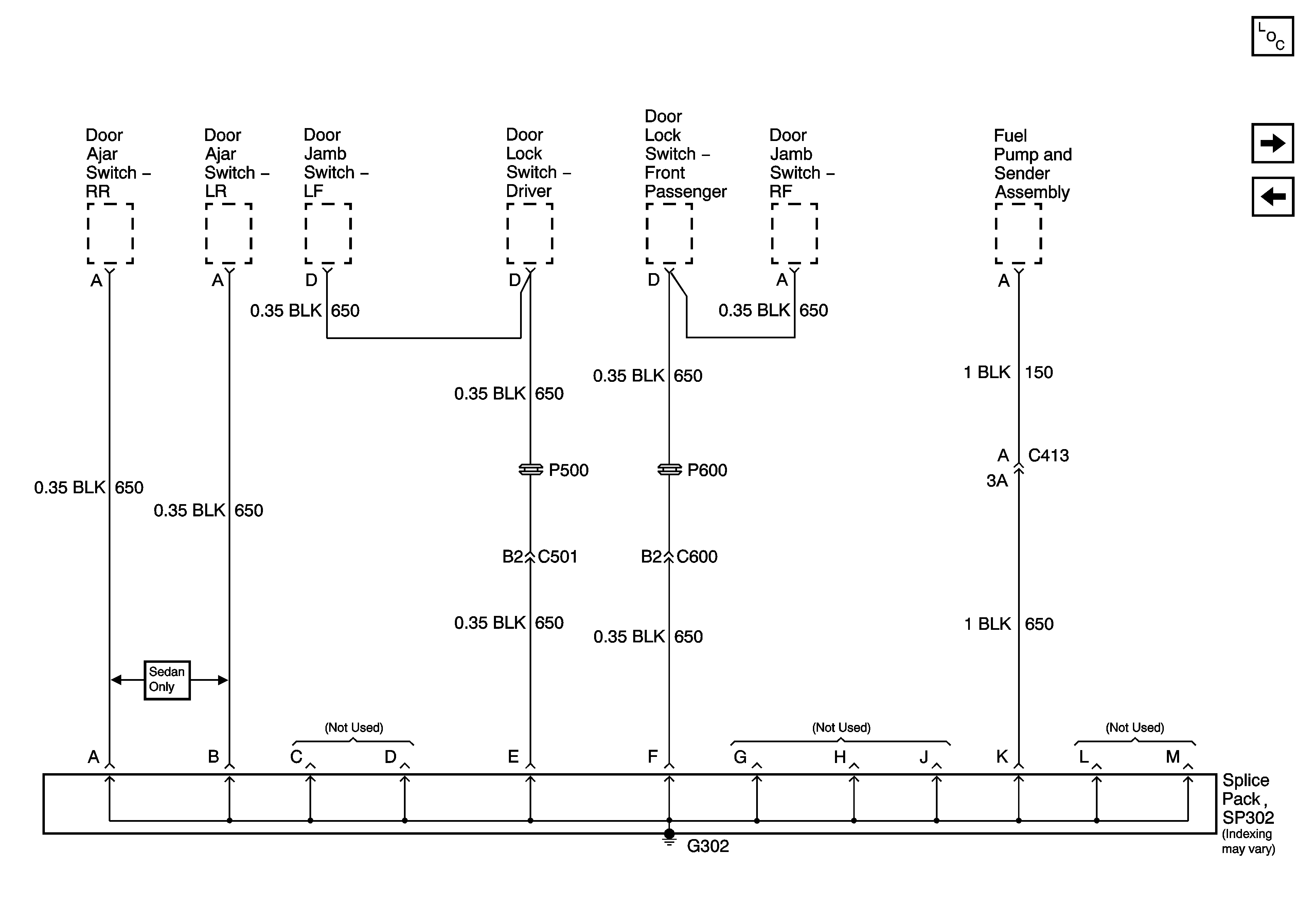
Figure 8:

G302


Object Number: 1391337  Size: FS
Figure 9:

G401


Object Number: 1391343  Size: FS
Figure 10:

G402


Object Number: 1391347  Size: FS