GM Service Manual Online
For 1990-2009 cars only
Makes
🢒
Pontiac
🢒
2006
🢒
Grand Am
🢒
Body
🢒
Wiring Systems
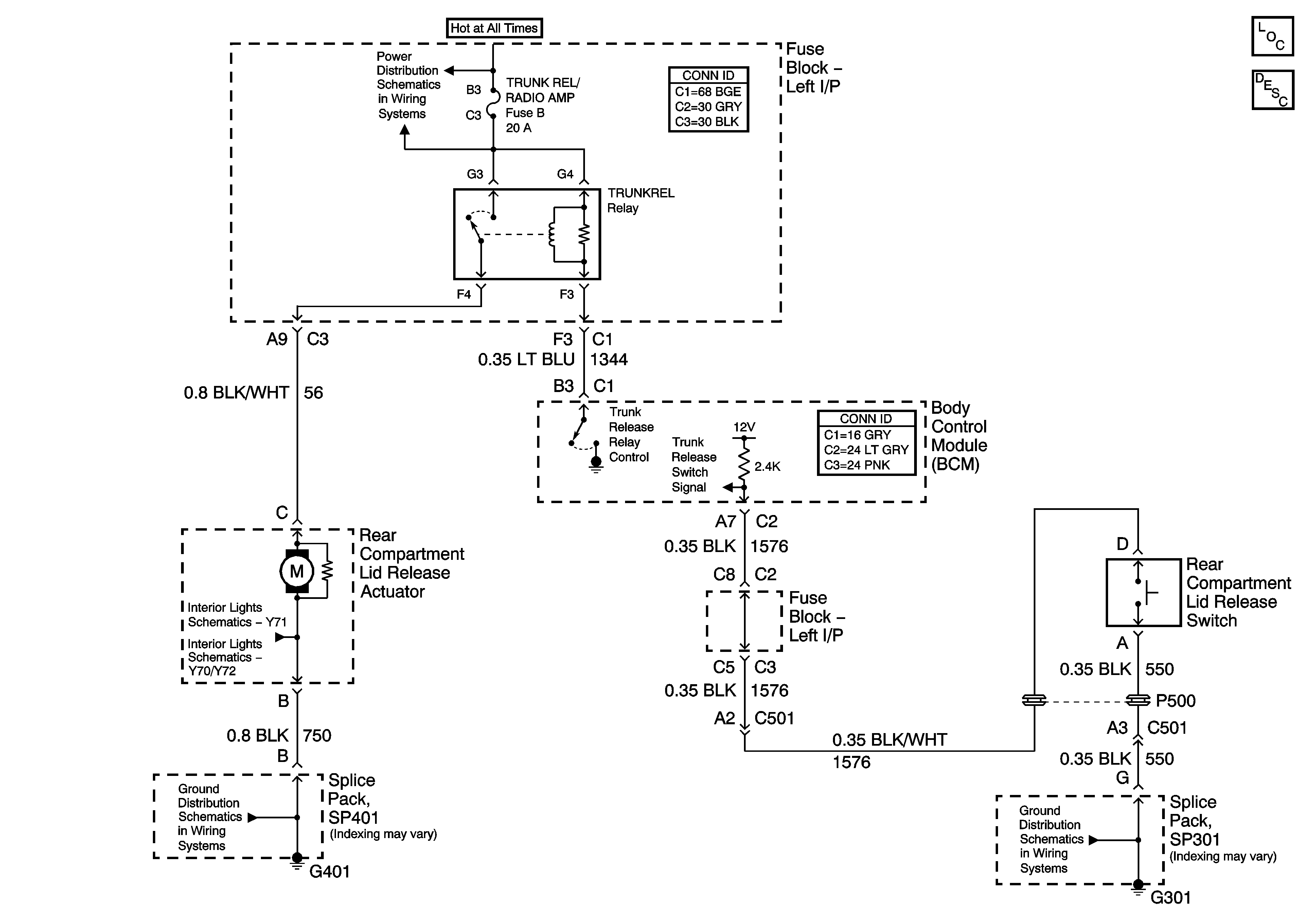
🢒 Body Rear End Schematics