GM Service Manual Online
For 1990-2009 cars only
Figure 1:

Power and Ground


Object Number: 1391507  Size: FS
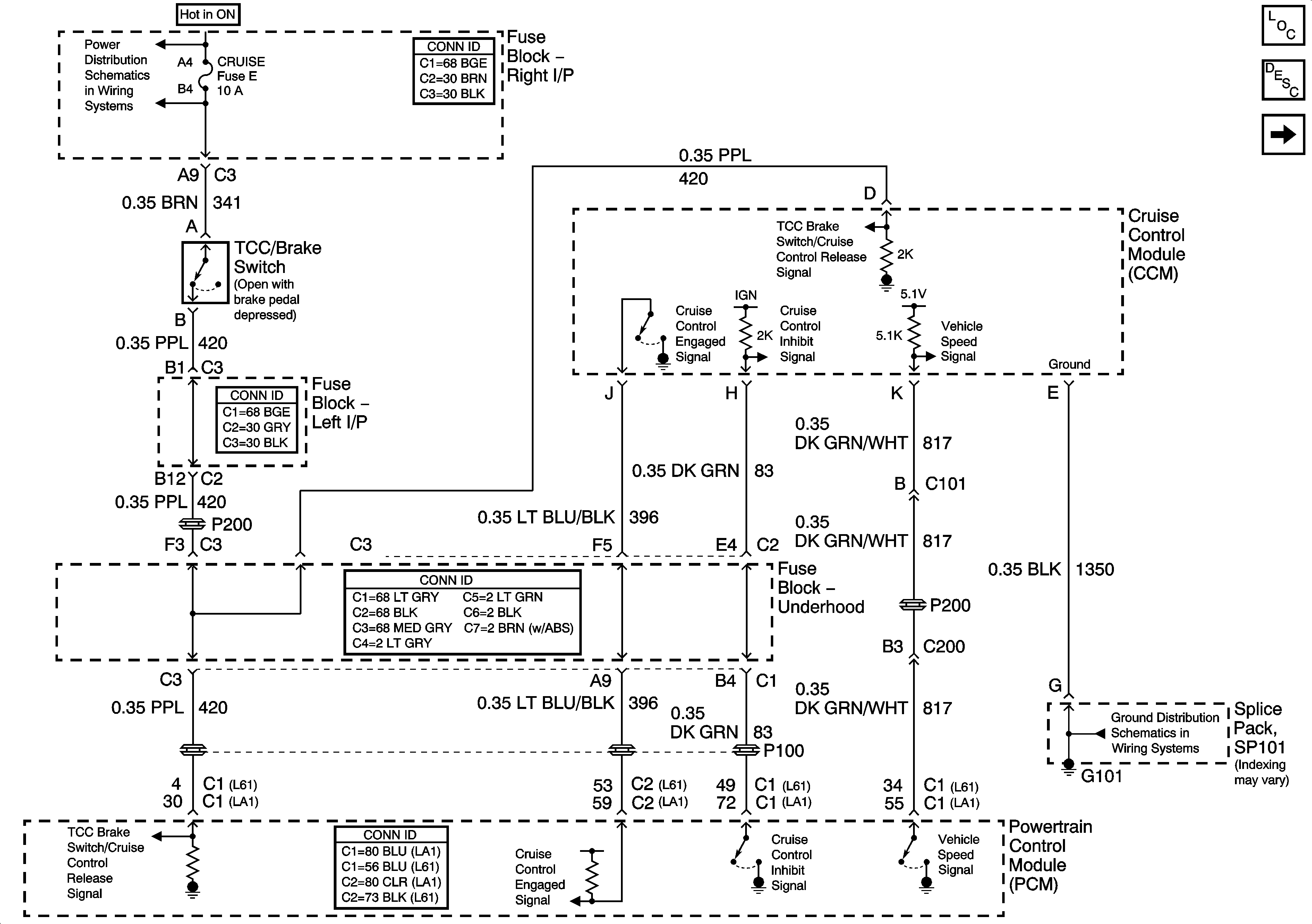
Figure 2:

Stop Lamp Switch


Object Number: 1391510  Size: FS
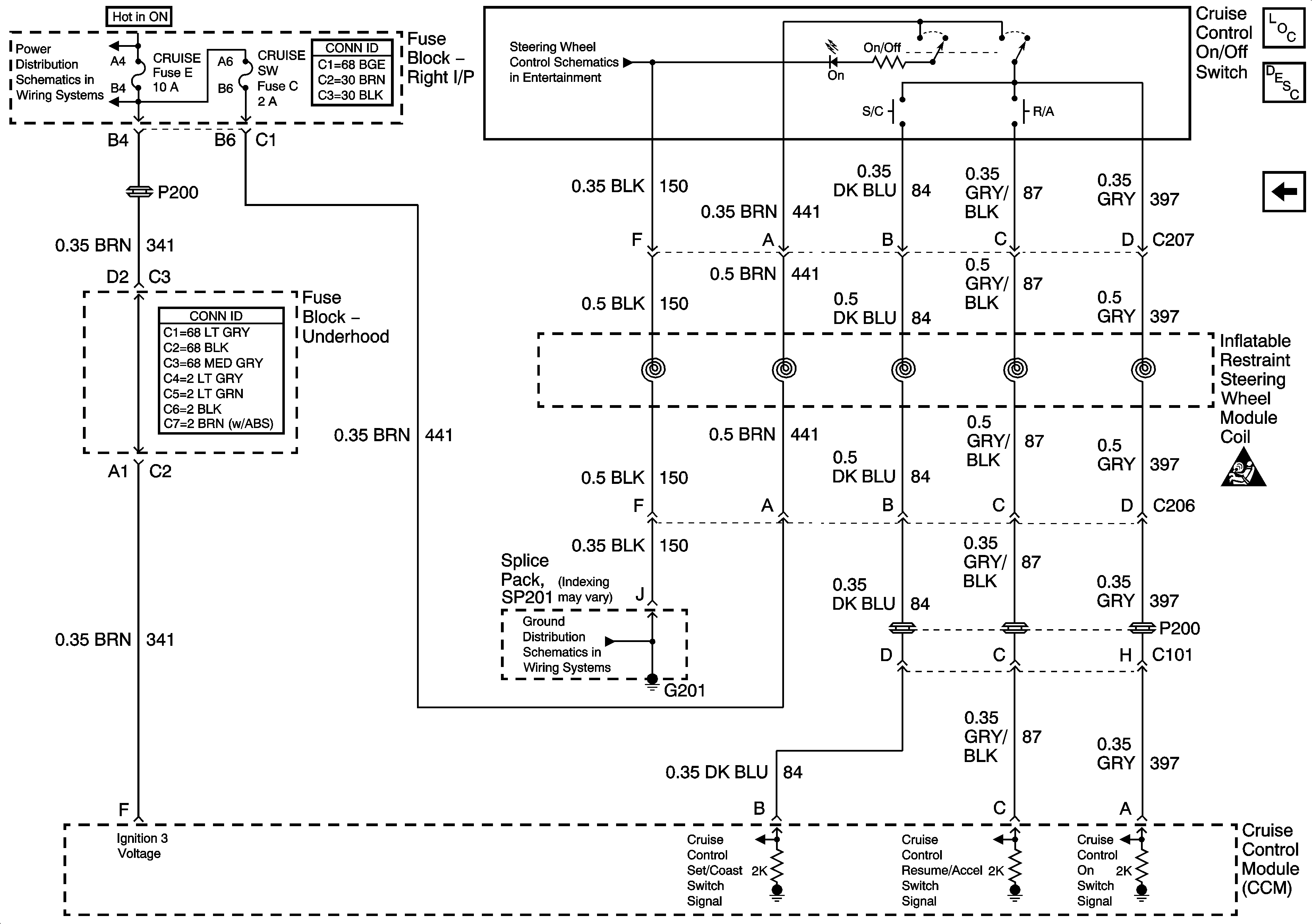
Figure 3:

Cruise Control ON/OFF Switch


Object Number: 1391512  Size: FS