GM Service Manual Online
For 1990-2009 cars only
Makes
🢒
Pontiac
🢒
2006
🢒
Grand Am
🢒
Transmission/Transaxle
🢒
Automatic Transaxle - 4T45-E
🢒 Automatic Transmission Controls Schematics
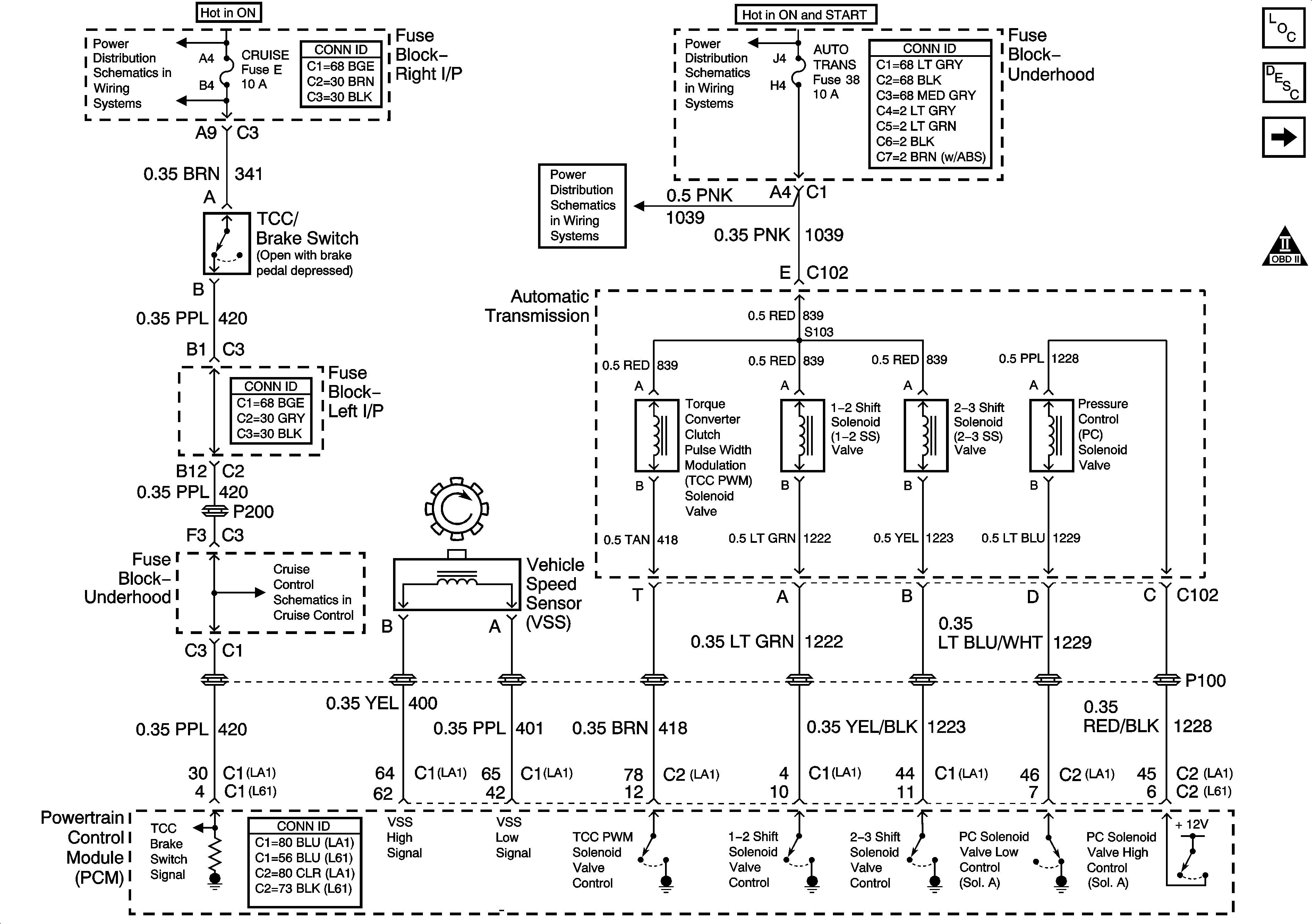
Figure
1:
Transmission Solenoids, VSS and TCC Brake Switch
Figure
2:
Transmission Switches, TFT, and A/T ISS Sensors
Figure
3:
PNP Switch