GM Service Manual Online
For 1990-2009 cars only

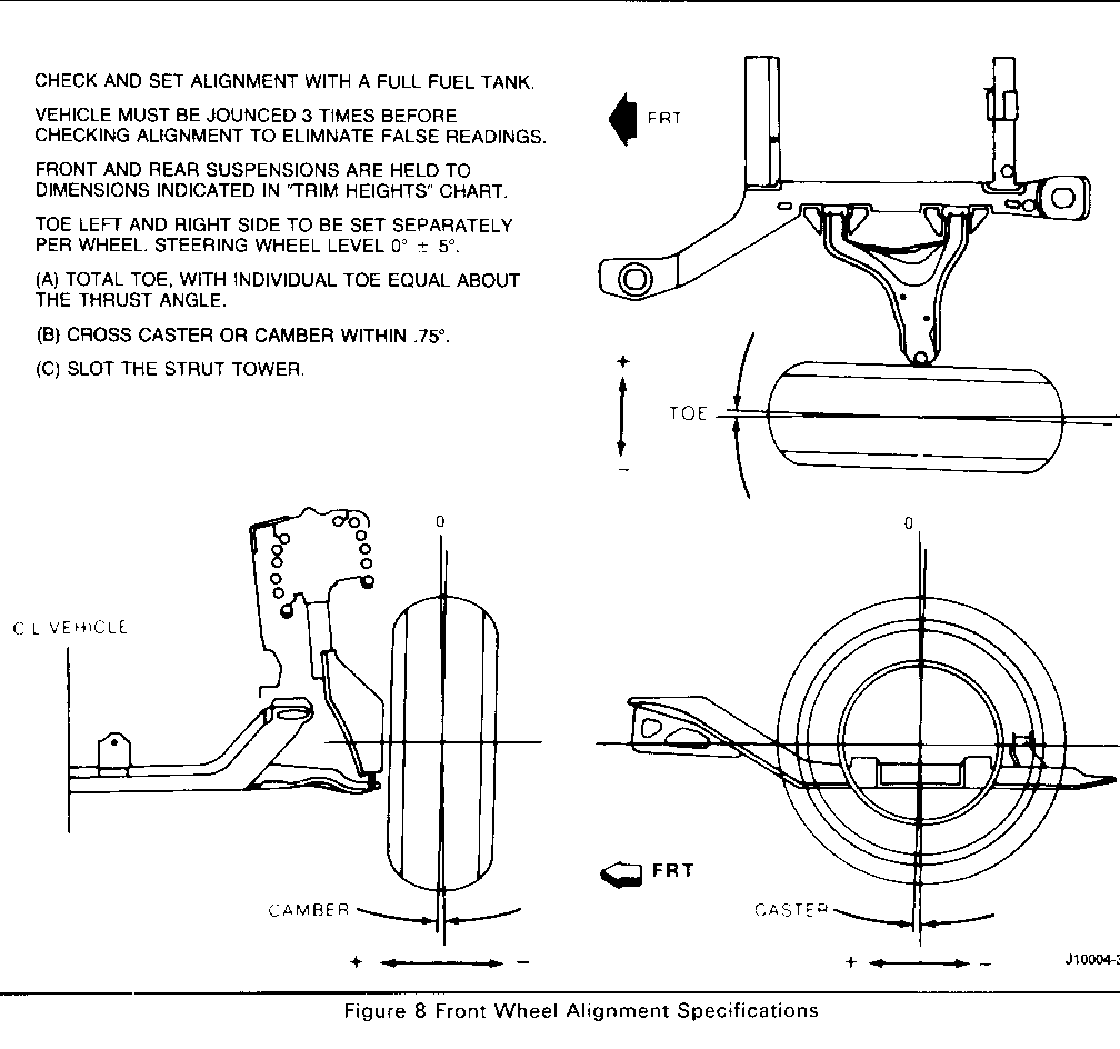
SERVICE MANUAL UPDATE FRONT/REAR ALIGNMENT SPECS

FRONT AND REAR WHEEL ALIGNMENT SPECIFICATIONS (NEW PAGES FOR MANUAL) - SERVICE MANUAL UPDATE

VEHICLES AFFECTED: 1988 W-CAR -----------------

THIS BULLETIN WAS REVISED TO INCLUDE ALL INFORMATION REGARDING REAR WHEEL AND TOE ALIGNMENT OR THE 1988 W CARLINES.

SERVICE MANUAL UPDATE

The following pages (3A-7 and 3A-8) should replace the current pages in the 1988 W Car Service Manuals.


Object Number: 86914  Size: FS


Object Number: 81646  Size: FS

General Motors bulletins are intended for use by professional technicians, not a "do-it-yourselfer". They are written to inform those technicians of conditions that may occur on some vehicles, or to provide information that could assist in the proper service of a vehicle. Properly trained technicians have the equipment, tools, safety instructions and know-how to do a job properly and safely. If a condition is described, do not assume that the bulletin applies to your vehicle, or that your vehicle will have that condition. See a General Motors dealer servicing your brand of General Motors vehicle for information on whether your vehicle may benefit from the information.