GM Service Manual Online
For 1990-2009 cars only

SERVICE MANUAL UPDATE REVISED ABS PROCEDURES

Models Affected: 1988-89 GRAND PRIX

SERVICE MANUAL UPDATE

1988 AND 1989 PONTIAC GRAND PRIX

Several Anti-Lock Brake System (ABS) procedures and art in the Pontiac Grand Prix Service Manual has been revised. In addition to these revisions there is a revised "Notice": which reads; see scan tool instruction manual or follow steps 13, 21 and 22 of the Manual Bleeding Procedures. Use the attached procedures when servicing ABS system.

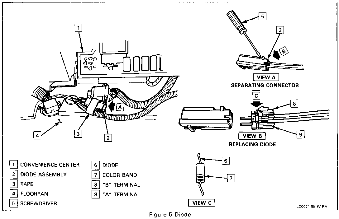
DIODE

Figure 5

Remove or Disconnect

1. Turn ignition off 2. Pull back carpeting (passenger's side) 3. Tape from wiring harness 4. Disassemble connector 5. Diode

Note location of colored band on diode for proper installation.

Install or Connect

1. Diode, colored band facing proper direction, refer to Figure 5.

Position wire portion of diode between terminals

NOTICE: Do not push down or pry directly on the diode as damage to the diode will occur.

Using a small screwdriver, push gently down on wire portion of diode between terminals. Be sure the diode is firmly seated.

2. Assemble connector 3. Turn ignition on to make sure that ABS code A002 does not set. 4. Tape to wiring harness 5. Position carpeting

PUSHROD AND RETAINER

Figure 4

Remove or Disconnect

1. Depressurize Powermaster III Unit, refer to "Depressurizing the Powermaster III Unit" in this section.

2. Driver side sound insulator panel

3. Cruise control vacuum solenoid valve (if equipped).

4. Stoplamp switch from pushrod pedal pin, retainer and washers from brake pedal pin

5. Pushrod from Powermaster III Unit

Pull back on brake pedal

Considerable force will be required

6. Pushrod from brake pedal and Powermaster III Unit.

7. Retainer from pushrod

Discard old retainer

Inspect

Pushrod for deformation

Install or Connect

NOTICE: Before installing pushrod and retainer, make sure that control valve seat that mates with pushrod is clean and free of any of the old pushrod retainer.

1. Using dry compressed air, blow out any remaining portion of the old retainer from Powermaster III control valve seat.

2. New retainer to pushrod

NOTICE: Take care not to damage grommet when installing pushrod through grommet and into Powermaster III.

3. Pushrod through grommet and into Powermaster III Unit.

4. Lubricate pushrod pedal pin with lithium grease.

5. Eyelet of pushrod over pedal pin

6. Spring washer, flat washer, and retainer on pedal pin

Spring washer must be between flat washer and pushrod

7. Seat pushrod into Powermaster III

Push down on brake pedal until pedal is at the end of its travel

Considerable force may be required to engage retainer properly

Inspect

Pull back on brake pedal with moderate force to make sure that pushrod is fully seated.

8. Stoplamp switch and adjust refer to BRAKES (SECTION 5)

9. Cruise control vacuum solenoid, if removed, and adjust

10. Driver side sound insulator panel

FRONT WHEEL SPEED SENSOR JUMPER HARNESS

Important

The wiring in the front wheel speed sensor jumper harness cannot be repaired. If damaged, the entire jumper harness must be replaced.

Right Front

Figure 6

Remove or Disconnect

1. Raise vehicle and suitably support, refer to GENERAL INFORMATION (SECTION OA).

2. Jumper harness at wheel speed sensor, by removing connector position assurance (CPA) locking pin, open jumper harness retaining clip, removing grommet retainer, and push grommet through opening in strut tower.

3. Install wire/string to the sensor end of the jumper harness.

4. Lower vehicle

5. Fuse block shield

6. Jumper harness from main ABS harness and pull jumper through strut tower opening and into the engine compartment.

Install or Connect

1. Transfer wire/string to new jumper harness (sensor end)

2. Pull jumper harness by the attached wire/string through strut tower and connect to main ABS harness.

3. Fuse block shield

4. Raise vehicle and suitably support, refer to GENERAL INFORMATION (SECTION OA).

5. Remove wire/string from sensor end of jumper harness, seat grommet, and install grommet retainer, close jumper harness retaining clip, connect jumper to sensor.

Make sure connector position assurance (CPA) locking pin is installed

6. Lower vehicle

Left Front

Figure 7

Remove or Disconnect

1. Raise vehicle and suitably support, refer to GENERAL INFORMATION (SECTION OA).

2. Jumper harness at wheel speed sensor by removing connector position assurance (CPA) locking pin, open jumper harness retaining clip, remove grommet retainer, and push grommet through opening in strut tower.

3. Install wire/string to the sensor end of the jumper harness.

4. Lower vehicle

5. Air cleaner assembly

6. Jumper harness from main ABS harness and pull jumper through strut tower opening and into the engine compartment.

Install or Connect

1. Transfer wire/string to new jumper harness (sensor end).

2. Pull jumper harness by the attached wire/string through strut tower and connect to main ABS harness.

3. Air cleaner assembly

4. Raise vehicle and suitably support, refer to GENERAL INFORMATION (SECTION OA).

5. Remove wire/string from sensor end of jumper harness, seat grommet, and install grommet retainer close jumper harness retaining clip, connect jumper to sensor.

Make sure connector position assurance (CPA) locking pin is installed.

6. Lower vehicle

ABS POWER CENTER

For the proper location of fuses and relays located in the ABS Power Center, refer to Figure 8.

POWERMASTER III BLEEDING

NOTICE: If a Powermaster III Unit has been replaced, or if air has entered (or is suspected in) the brakelines, the entire brake system (Powermaster III, lines, and calipers) must be bled at each wheel brake, refer to "Pressure or Manual Bleeding" Procedure in this section.

NOTICE: If only a hydraulic part of the Powermaster III Unit has been replaced (bleeder valve, relief valve, tube and nut assembly, accumulator, reservoir, solenoid, or pressure switch), and air has not entered the brake lines, it may only be necessary to bleed the Powermaster III Unit by performing an "ABS Solenoid Bleed and Checkout Test" using 94-00101-A or by bleeding the booster section of the Powermaster III Unit at the bleeder valves.

NOTICE: Performing an "ABS Solenoid Bleed and Checkout Test" or bleeding the Powermaster III Unit at its bleeder valves will not remove air from the brake lines.

PRESSURE BLEEDING PROCEDURES

Tools Required:

J 37115 Bleeder Adapter 094-00008-A Tech 1 Cartridge

NOTICE: Pressure bleeding equipment must be of the diaphragm type. It must have a rubber diaphragm between the air supply and the brake fluid to prevent air, moisture and other contaminants from entering the hydraulic system.

NOTICE: Use only DOT 3 brake fluid from a sealed container. Do not use any suspect or contaminated (wet, dirty, etc.) fluid. Do not use DOT 5 silicone fluid.

Important

Make sure vehicle ignition is off, unless otherwise noted. This will prevent the Powermaster III pump from starting during the bleeding procedure.

1. Depressurize the Powermaster III Unit, refer to "Depressurizing the Powermaster III Unit" in this section.

2. Clean and remove reservoir cover and diaphragm assembly.

3. Check brake fluid level in both reservoir sections and fill to the correct level using clean brake fluid, if necessary.

4. Install J 37115 and secure with attachment cable. Make sure attachment cable does not interfere with access to bleeder valves or bend pump motor bracket on the Powermaster III Unit.

5. Attach J 37115 to pressure bleed equipment and charge to 34-69 kPa (5-10 psi) for approximately 30 seconds, inspect sealing area for leaks. When no leaks exist, slowly increase pressure to 207-241 kPa (30-35 psi). Pressure of 136-171 kPa (20-25 psi) is O.K., but a pressure of 205-240 kPa (30-35 psi) is more desirable.

Important

If the pressure bleeding equipment being used will not reach 207-241 kPa (30-35 psi), the equipment can still be used if at least 138 kPa (20 psi) is reached, longer bleeding times should be used.

6. Bleed J 37115, place a rag over valve while depressing it to absorb any venting fluid.

Depress ball to open bleeder valve on top of J 37115 until fluid flows without air.

7. Raise vehicle and suitably support, refer to GENERAL INFORMATION (SECTION OA).

Important

Bleed Sequence: Right Rear, Left Rear, Right Front and Left Front.

8. Bleed wheel brakes in sequence shown above.

Attach bleeder hose to bleeder valve and submerge opposite end in a clean container partially filled with brake fluid.

Slowly open bleeder valve and allow fluid to flow until no air is seen in fluid.

Allow brake fluid to flow for at least 20 to 30 seconds at each wheel when checking for trapped air.

To assist in freeing trapped air, tap lightly on caliper castings with a rubber mallet.

Close valve when fluid begins to flow without air bubbles.

9. Lower veliicle

10. Bleed Powermaster III isolation valves.

Attach bleeder hose to bleeder valve on inboard side of Powermaster III Unit and submerge opposite end in a clean container partially filled with brake fluid.

Slowly open bleeder valve and allow fluid to flow until no air is seen in fluid.

Close bleeder valve when fluid begins to flow without air bubbles.

Repeat procedure on outboard side bleeder valve.

11. Remove J 37115 from Powermaster III Unit.

12. Check brake fluid level in both reservoir sections and if necessary, fill to the correct level using clean brake fluid.

13. Replace reservoir cover and snap all four cover tabs in place on reservoir.

14. Manually apply brake pedal with a jabbing (sharp, rapid apply) motion 3 times.

15. Bleed booster section of the Powermaster III Unit.

NOTICE: Turn the ignition off if the pump motor runs for more than 60 seconds, refer to "Pump Runs Continuously" in this section.

Connect 094-00101. Turn the ignition to run, without starting the engine, and allow the pump to pressurize the accumulator. When the pump has stopped, perform the "solenoid bleed and check out test".

Important

If 094-00101 is not available, depress the brake pedal with moderate pressure and turn the ignition key to "Run" without starting the engine for 3 seconds. Repeat this "Off/Run" procedure 10 times to cycle the solenoids.

16. Bleed accumulator.

NOTICE: Do not check brake fluid level without fully depressurizing the Powermaster III Unit or overfilling will result.

Turn the ignition off and depressurize the Powermaster III Unit, refer to "Depressurizing the Powermaster III Unit" in this section. Wait two minutes for air to clear from the brake fluid in the reservoir.

Check fluid levels by removing cover and repeating steps 12 and 13.

17. Turn the ignition to "Run" without starting the engine and allow the pump motor to pressurize the accumulator.

Inspect

Apply brake pedal and note brake pedal feel and travel.

If brake pedal feel is soft or spongy or brake pedal travel is excessive, refer to "Excessive Pedal Travel" in this section.

If a "bump" is noted upon initial brake pedal apply or pedal apply does not feel smooth and uniform, refer to "Non-Uniform Pedal Apply" in this section.

18. Road test vehicle and note brake pedal travel and feel. If any symptoms described above in "Inspect" appear, refer to the appropriate section.

MANUAL BLEEDING PROCEDURES

1. Make sure vehicle ignition is off

2. Depressurize Powermaster III Unit, refer to "Depressurizing the Powermaster III Unit" in this section.

3. Clean and remove reservoir cover and diaphragm assembly.

4. Fill reservoir with brake fluid to the correct level and install reservoir cover.

5. Raise vehicle and suitably support, refer to GENERAL INFORMATION (SECTION OA).

NOTICE: If the Powermaster III Unit being bled is a replacement part or there is difficulty when trying to bleed the front master cylinder sections, make sure all air is removed from the master cylinder body by opening the brake pipe tube nuts on the Powermaster III Unit (front two only) approximately 2 turns or until fluid begins to bleed.

6. Bleed right front wheel brake

Attach bleeder hose to bleeder valve and submerge opposite end in a clean container partially filled with brake fluid.

Slowly depress brake pedal.

Open bleeder valve.

To assist in freeing trapped air, tap "lightly" on caliper castings with a rubber mallet.

Close bleeder valve

Release brake pedal.

Check fluid level and add new brake fluid as necessary.

7. Repeat step 6 until brake pedal feels firm at half travel and no air bubbles are observed in the bleeder hose.

8. Repeat steps 6 and 7 on the left front wheel brake.

NOTICE: Turn the ignition off if pump motor runs for more than 60 seconds, refer to "Pump Runs Continuously" in this section.

9. Turn ignition to the "Run" position without starting the vehicle. Allow the pump motor to run to pressurize the accumulator.

10. Bleed right rear wheel brake.

Attach bleeder hose to bleeder valve and submerge opposite end in a clean container partially filled with brake fluid.

Open bleeder valve

With ignition on, slowly depress brake pedal part way, until brake fluid begins to flow from bleeder hose. Allow brake fluid to flow for 15 seconds.

To assist in freeing trapped air, tap "lightly" on caliper castings with a rubber mallet.

NOTICE: Do not fully depress brake pedal.

Close bleeder valve and release brake pedal.

Repeat preceding two substeps until no air bubbles are seen in the bleeder hose.

Check brake fluid level and add new brake fluid as necessary.

Fill the rear chamber to approximately 25 mm (1 in.) below full mark at this intermediate stage with system charged.

Important

Final fluid level must be checked after depressurizing unit as described in step 13.

Repeat steps 9 and 10 on the left rear wheel brake.

Lower vehicle

11. Bleed Powermaster III Isolation Valves.

Attach bleeder hose to bleeder valve on inboard side of Powermaster III Unit and submerge opposite end in a clear container partially filled with brake fluid.

With ignition still on, apply light force to the brake pedal.

With the brake pedal applied, slowly open bleeder valve and allow brake fluid to flow until no air is seen in the brake fluid.

Close bleeder valve when brake fluid begins to flow without air bubbles.

Repeat procedure on outboard side bleeder valve.

12. Bleed accumulator

Turn the ignition off and depressurize the Powermaster III Unit, refer to "Depressurizing Powermaster III Unit" in this section. Wait two minutes for air to clear from the brake fluid in the reservoir.

NOTICE: Never check brake fluid level without fully depressurizing the Powermaster III Unit or overfilling will result.

13. Remove reservoir cover and check brake fluid level in both reservoir sections. Using clean brake fluid from a sealed container, fill the reservoirs to the proper level if necessary.

14. Install reservoir cover and snap all four cover tabs in place on reservoir.

15. Before turning the key to run, manually apply brake pedal with a jabbing (sharp rapid apply) using full force three times.

16. Turn the ignition to "Run" and allow the pump motor to run.

NOTICE: Turn the ignition off if the pump motor runs for more than 60 seconds, refer to Pump Runs Continuously" in this section.

17. Bleed booster section of Powermaster III Unit.

Connect 094-00101. Turn ignition to "Run", without starting the engine, allow the pump to charge the accumulator. When the pump has stopped, perform the "Solenoid bleed and checkout" test.

If 094-00101 is not available, depress the brake pedal with moderate pressure and turn ignition to "Run" without starting the engine for 3 seconds. Repeat this "Off/Run" procedure 10 times to cycle the solenoids.

Inspect

Apply brake pedal and note brake pedal feel and travel.

If brake pedal feels firm and smooth without excessive travel, system is properly bled. Proceed to step 18.

If brake pedal feel is soft or spongy or pedal travel is excessive, refer to "Excessive Pedal Travel" in this section.

If a "bump" is noted upon initial pedal apply, or pedal apply does not feel smooth and uniform, refer to "Non-Uniform Pedal Apply" in this section.

18. Road test vehicle and note pedal travel and feel. If any symptoms described above in "Inspect" appear, refer to the appropriate section.

EXCESSIVE PEDAL TRAVEL

NOTICE: Excessive brake pedal travel exists when (while driving the vehicle) braking action does not start until after the first 38 mm (1.5 in.) of pedal travel.

1. Rebleed front brakes (rear brake circuit bleeding may be omitted) as described in either the "Pressure Bleeding Procedures" steps 4 through 9 or "Manaul Bleeding Procedures" steps 5 through 8, followed by checking brake fluid levels.

2. Reinspect as described in "Inspect" step after either "Pressure Bleeding Procedures" or "Manual Bleeding Procedures" in this section.

3. If excessive brake pedal travel continues after completing the above procedures, first check fluid level, then check for leaks throughout the brake system.

NON-UNIFORM PEDAL APPLY

1. Raise the rear of the vehicle so the wheels are approximately 75-150 mm (3-6 in.) off the ground.

2. Depress brake pedal with moderate pressure. Turn the ignition to "Run" without starting the engine for 3 seconds. Turn the ignition back to "Off" position. Repeat this procedure 5 times.

3. Turn the ignition "Off" and depressurize the Powermaster III Unit, refer to "Depressurizing Powermaster III Unit" in this section. Wait 2 minutes for air to clear from the brake fluid in the reservoir.

4. Lower rear of vehicle.

5. Pressurize the system by turning the ignition key to the "On" position without starting the engine.

6. Bleed isolation valves and check brake fluid levels, refer to steps 11 through 13 in the "Manual Bleeding Procedures" in this section.

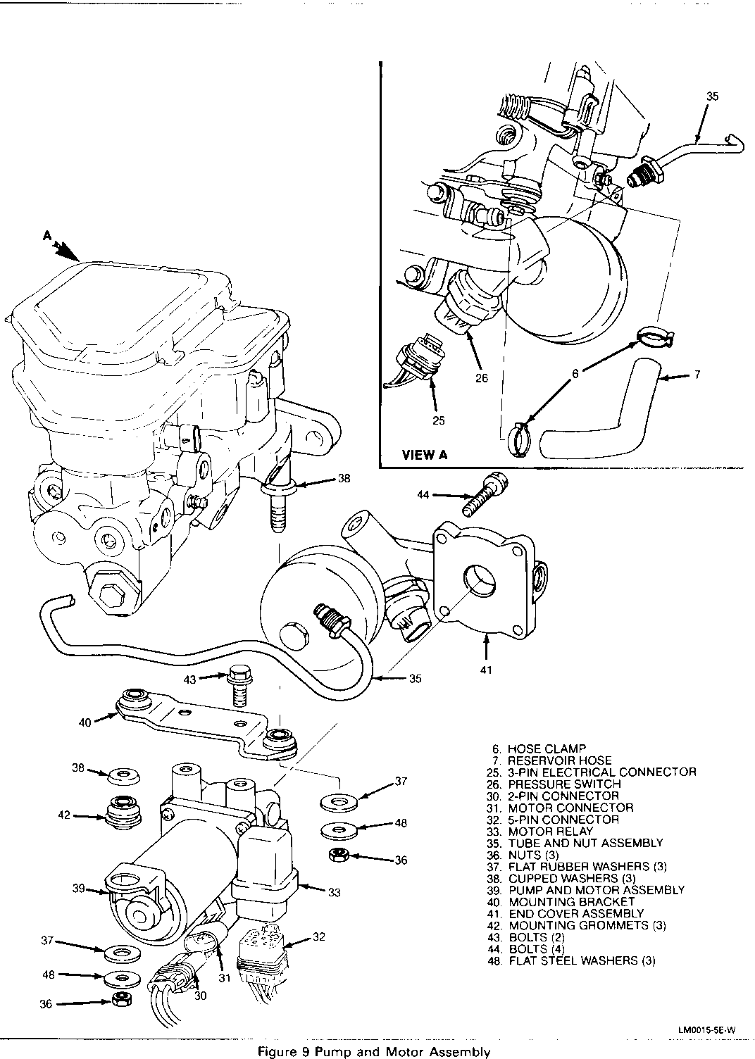
PUMP AND MOTOR ASSEMBLY

Figures 9 and 10

Tool Required:

J 37116 Holding Fixture

Remove or Disconnect

NOTICE: Do not damage connectors when installing unit to J 37116.

1. Powermaster III Unit, refer to "Powermaster III Unit" in this section.

Install unit to J 37116

2. 2-pin connector (30) from motor connector (31)

3. 5-pin connector (32) from motor relay (33)

4. 3-pin connector (25) from pressure switch (26)

5. Lower hose clamp (6) and reservoir hose (7) from pump and motor assembly (39)

6. Tube and nut assembly (35)

7. Three nuts (36), flat steel washers (48) and flat rubber washers (37) attaching pump and motor assembly (39) and mounting bracket (40).

8. Pump and motor assembly (39), along with attached mounting bracket (40) and end cover assembly (41), and cupped washers (38).

9. Mounting grommet (42) from mounting lug on pump and motor assembly (39) only.

Important

Remove mounting grommets (42) from mounting bracket (40) only if damaged and replacement is required.

10. Two bolts (43) and mounting bracket (40) from pump and motor assembly(39)

11. Four bolts (44) and end cover assembly (41) from pump and motor assembly (39)

Install or Connect

1. End cover assembly (41) on pump and motor assembly (39) and attach with four (long) bolts (44).

Clean end cover and do not lubricate

Tighten

Bolts to 10 N-m (89 lb. in.).

2. Mounting bracket (40) on pump and motor assembly (39) and attach with two (short) bolts (43).

Make sure mounting bracket is positioned as shown in Figure 9. Otherwise, it will be impossible to assemble pump and motor assembly (39) to Powermaster III (10) properly.

Tighten

Bolts to 9 N.m (80 lb. in.).

3. Mounting grommet (42) into mounting lug on pump and motor assembly (39).

4. Pump and motor assembly (39), with attached mounting bracket (40) and end cover assembly (41), to Powermaster III and attach with three cupped washers (38), flat rubber washers (37), flat steel washers (48) and nuts (36).

Tighten

Nuts to 4 N.m (36 lb. in.).

5. Tube and nut assembly (35)

6. Reservoir hose (7) to pump and motor assembly (39) using new hose clamp (6) or a suitable replacement hose clamp (36).

Tighten

Nuts to 4 N.m (36 lb. in.).

7. 3-pin connector (25) to pressure switch (26)

8. 5-pin connector (32) to motor relay (33)

9. 2-pin connector (30) to motor connector (31). Make sure all connector position assurance locking pins are installed.

10. Remove unit from J 37116

11. Powermaster III Unit, refer to "Powermaster III Unit" in this section.

HYDRAULIC DIAGNOSIS

Tool Required:

94-00101-A Tech I Diagnostic Computer

Important

The anti-lock Brake Controller MUST be scanned for diagnostic codes before attempting ANY of the following diagnostic procedures. The diagnostic codes of DM ABS-III system help pinpoint problem components or areas. The following tests should only be used if a diagnostic chart directs the technician to this section or a problem exists, but no codes have been set.

Important

If referred to here from an ABS diagnostic code, complete the tests below the appropriate code number in numerical order (Figure 11). For example, if referred to here from code A023, first complete (A) "Preliminary Inspection" and then (B) "ABS System functional Check".

Important

If using this section because the DM ABS-III system is malfunctioning, but no codes have been set, complete the following tests IN THE ORDER IN WHICH THEY APPEAR. Begin with (A) "Preliminary Inspection".

(A) PRELIMINARY INSPECTION

1. Fluid level when system is "depressurized", refer to "Depressurizing the Powermaster III Unit" in this section.

2. Brake lines, brake hoses, Powermaster III Unit and brake calipers for leakage

3. Brake lines and brake hoses for excessive wear, heat damage, punctures, tears, interference with other parts, missing clips or holders, poor connections or blockage.

4. Calipers and caliper pins for rust or corrosion.

5. Calipers for proper sliding action

6. Caliper pistons for movement during brake apply and sufficient retraction upon brake release.

7. Front speed sensors for proper mounting and connections.

8. Front speed sensor rings for broken teeth or poor mounting.

9. Front speed sensor to ring air gap. Air gap is not adjustable but should be between .48 mm (.019 in.) and 1.73 mm (.068 in.).

10. Rear speed sensor connections

11. Rear speed sensors for proper installation or damage

12. Brake pedal travel after system is depressurized. Pedal should NOT bottom near the floor, refer to "Excessive Pedal Travel" in this section.

13. Worn or missing isolator bushings on Powermaster III which may cause objectionable pump motor noise.

14. High pressure line on Powermaster III which may be rubbing against other engine compartment components.

PUMP MOTOR RUN TIMES

0-12,411 kPa (0-1800 psi) ................ 10 to 30 seconds 12,411-18,617 kPa (1800-2700 psi)............. 5 to 20 seconds 15,169-18,617 kPa (2200-2700 psi)............. 3 to 10 seconds

These numbers are dependent on battery voltage, accumulator precharge, and accumulator pressure switch contact points.

The total pump run time 0-18,617 kPa (0 to 2700 psi) should not exceed 40 seconds.

Pump Diagnosis Tests

Tool Required:

94-00101-A Tech 1 Diagnostic Computer

1. Connect 94-00101-A to vehicle

2. Perform the "Total Pump Run Time" test. If the pump run time from 0 psi until "OK" pressure is less than 10 seconds or greater than 30 seconds, perform test (1) "Pump Motor Operational Diagnosis" in this section.

3. If the total pump run time exceeds 60 seconds, make sure the pump is running (the relay may be closed but the pump motor not running). With the engine off but the ignition on, listen carefully for the pump motor. If the pump is not running, refer to "Electrical Diagnosis Code A035" ELECTRICAL DIAGNOSIS (SECTION 8A).

4. If the pump run time from "OK" pressure to "OFF" is less than 5 seconds or greater than 20 seconds, perform test (1) "Pump Motor Operational Diagnosis" in this section.

5. Perform the "Normal Pump Run Cycle Time" test. If the average pump run time is less than 2 seconds or greater than 10 seconds, perform test (1) "Pump Motor Operational Diagnosis" in this section. Also, if any one pump run is less than 2 seconds, perform test (1) "Pump Motor Operational Diagnosis" in this section.

AMBER ABS WARNING LAMP

Symptom: If the amber ABS warning lamp stays on or flashes after the initial bulb check, or lights during a brake apply, refer to 8A-44-D ELECTRICAL DIAGNOSIS (SECTION 8A).

RED BRAKE WARNING LAMP

Symptom: The red brake warning lamp stays on after the initial bulb check. Possible Causes: Parking brake applied, malfunctioning parking brake switch, wiring; Low brake fluid level, malfunctioning fluid level sensor; Loosen or damaged connectors or wiring; Low accumulator pressure; Faulty lamp driver module.

Inspect

1. Turn ignition off

2. Properly connect 94-00101-A to vehicle

3. Turn ignition on. Using 94-00101-A, read brake pressure.

4. If brake pressure is OK, [12,411 kPa (1800 psi) or greater], go to step 5. If brake pressure is low, perform test (D) "Low Or No Boost Pressure" in this section.

5. Disconnect brake fluid level sensor connector from the Powermaster III. Does lamp go out? If yes, check for low brake fluid or faulty low fluid level sensor or switch.

6. If the red brake warning lamp is still on, apply and fully release the parking brake. If the lamp remains on, inspect the parking brake switch, wiring and connectors.

7. If lamp is still on, locate and unplug lamp driver module. Verify lamp driver module input is ground. If so, and lamp goes out, replace lamp driver module. If OK, check low fluid sensor wiring and ignition switch bulb test circuit for short to ground.

(B) ABS SYSTEM FUNCTIONAL CHECK

Test Description: While manually operating the system, this test determines whether the system applies braking force to all the wheels and allows the wheels to rotate when ABS calls for a release of brake pressure.

Symptoms: Wheel lock during braking, vehicle pulls to one side.

Possible Causes: Caliper or parking brake stuck, low or no boost pressure, master cylinder malfunction, solenoid malfunction, loose or damaged wires or connectors.

Inspect

1. Properly connect 94-00101-A to vehicle

2. Have an assistant sit in the driver's seat (or use a brake pedal actuator) to operate the brakes and 94-00101-A during the following procedures.

3. Raise vehicle and suitably support, refer to GENERAL INFORMATION(SECTION OA).

4. Turn ignition on. Put transaxle in neutral. Do NOT apply brakes. Try to rotate each wheel (Figure 12). If all wheels do not rotate, check operation of the parking brake and brake calipers.

Important

The rear wheels should turn with little or no resistance. However, the front wheels will have some resistance to rotation caused by the driveline and differential. This resistance on the front wheels is normal. During this test, "no wheel rotation" exists when a wheel cannot be turned using hand force.

5. Apply medium pressure to the brakes. Again try to rotate each wheel. All wheels should not rotate.

6. If either of the front wheels rotate

a. Bleed system, refer to "Powermaster III Bleeding" in this section, repeat steps 2 through 6.

b. While depressing brake pedal, if brake fluid being forcefully sprayed into the reservoir can be heard, replace the solenoid associated with the test wheel.

c. While depressing brake pedal, if brake fluid being forcefully sprayed into the reservoir is not heard, or step 6(b) does not correct problem, replace Powermaster III Unit, refer to "Powermaster III Unit" in this section.

7. If the rear wheels rotate, a low or no boost pressure condition exists, refer to test (D) "Low or No Boost Pressure Check" in this section.

8. Have an assistant apply the service brake pedal moderately, and using 94-00101-A, energize both the hold and release solenoids for a specific wheel. 94-00008-A utilizes "Release Function" in ABS hydraulic function check menu of 94-00101-A. Test wheel rotation for the appropriate solenoid. Also, listen for the sound of fluid being forcefully sprayed in the reservoir, note pedal travel and note whether the pump runs constantly or at frequent intervals while the solenoids are energized. Test other hold and release solenoids in the same way.

Important

During this test, the Powermaster III will not reduce front brake line pressure to zero psi. Approximately 10 psi will be left in the front brake lines under these conditions. Therefore, some drag may be noticed when testing wheel rotation. This drag is normal and should not be confused with a wheel that does not rotate (cannot be turned with hand force).

9. While performing the release function for a specific wheel, the respective wheel should rotate (Figure 12). While the solenoids are energized, you should not hear the sound of fluid being forcefully sprayed in the reservoir, tbe brake pedal should not steadily sink to the floor and the pump should not run constantly or frequently.

10. While the solenoids are energized, if a wheel does not rotate, fluid sprays forcefully in the reservoir, the brake pedal sinks steadily to the floor or the pump runs unacceptably, check the wiring and connections to the appropriate solenoid carefully for crossed wiring. If necessary, replace the Powermaster III wiring harness if any of the wires or connections to the appropriate solenoid are damaged. Perform steps 8 through 10 again.

11. If any of the conditions listed in step 10 continues to occur, replace the respective solenoid and perform steps 8 through 10 again.

12. If any of the conditions listed in step 10 still continues to occur, replace the Powermaster III Unit.

(C) ABS HOLD FUNCTION CHECK

Test Description: This test checks the hold function of the ABS system.

Symptoms: Vehicle pulls to one side, accumulator pressure exhausts during an ABS stop (red brake warning lamp comes on), wheel locks during braking, consistently rough stops.

Possible Causes: Solenoids leaking or malfunctioning, Powermaster III Unit malfunctioning.

Inspect

1. Properly connect 94-00101-A to vehicle

2. Have an assistant sit in the driver's seat (or use a pedal actuator) to operate the brakes and 94-00101-A during the following procedures. Keep transaxle in neutral throughout test.

3. Raise vehicle and suitably support, refer to GENERAL INFORMATION (SECTION OA).

4. Turn on ignition and allow unit to pressurize

5. Using 94-00101-A, test the hold function of the rear brakes by energizing only the rear hold solenoid. Apply the brakes moderately. Listen for the sound of fluid being forcefully sprayed in the reservoir, note pedal travel and note whether the pump runs constantly or at frequent intervals while the solenoid is energized.

6. During the "Rear Hold Functional Check" try to turn a rear wheel. The wheel should turn freely for 6 or more seconds before the brakes begin to apply. In addition, you should not hear the sound of fluld being forcefully sprayed in the reservoir, the brake pedal should not steadily sink to the floor and the pump should not run constantly or frequently. If the rear brakes apply in 5 seconds or less, or any of the other conditions previously listed exists, replace the rear solenold assembly in the Powermaster III and perform steps 5 and 6 again.

7. If the brakes continue to apply in 5 seconds or less or any of the other conditions mentioned in step 6 still exists, replace the Powermaster III Unit.

8. Moderately apply the brakes. Using the 94-00101-A, test the hold function of one of the front wheel brakes by using the front hold function in the ABS hydraulic function check menu of 94-00101-A. Listen for the sound of fluid being forcefully sprayed in the reservoir, note pedal travel and note whether the pump runs constantly or at frequent intervals while the solenoid is energized. Test the hold function of the other front hold solenoid in the same way.

Important

The 94-00008 does not have a front hold function. To accurately test the hold function of the front hold solenoids, obtains 94-00008-A, if possible. If not, perform test (B) "ABS System Functional Check". If this test passes, continue with the following: use the Manual Relay and Solenoid Control test. Turn on the relays, depress the brake pedal with moderate force. Turn on the left front hold solenoid, listen for brake fluid being forcefully sprayed within the reservoir. There should be no sound. Turn on the left front release solenoid, you should hear brake fluid being forcefully sprayed within the reservoir, and some brake pedal drop may be noticed. If there was sound during testing of the hold solenoid, but no sound during testing of the release solenoid, check for crossed wiring to the solenoid. If sound is heard during hold, or no sound is heard during release, and the wiring is correct, replace the solenoid and retest. Repeat for the right front hold and right front release solenoids.

9. Try to turn the appropriate front wheel. The wheel should turn with only driveline and differential resistance for 6 or more seconds before the brake begins to apply. In addition, you should not hear the sound of fluid being forcefully sprayed in the reservoir, the brake pedal should not steadily sink to the floor and pump should not run constantly or frequently. If the rear brakes apply in 5 seconds or less, or any of the other conditions previously listed exists, replace the appropriate solenoid assembly in the Powermaster III and perform steps 8 and 9 again.

10. If the brake continues to apply in 5 seconds or less, or any of the conditions listed in step 9 still occurs, replace the Powermaster III Unit.

(D) LOW OR NO BOOST PRESSURE

Tool Required:

94-00101-A Tech 1 Diagnostic Computer

Symptoms: Red brake warning lamp lit, amber ABS warning lamp lit, frequent pump running, pump not running, pump runs continuously.

Possible Causes: Internal Powermaster III leak, malfunctioning relief valve, malfunctioning pump, malfunctioning pump relay, malfunctioning accumulator pressure switch, blown fuse, loose or damaged wiring, low fluid level (boost side), reversed polarity at motor (motor runs backwards), reversed polarity at relay coil (motor won't run).

Inspect

1. Turn ignition off and depressurize the Powermaster unit, refer to "Depressurizing the Powermaster III Unit" in this section.

2. Properly connect 94-00101-A to vehicle.

3. Perform an "ABS Pump Power Up Test" using 94-00101-A.

4. Note the TOTAL pump run time. This is the time between ignition on and pump shut off. If the pump does not run or runs continuously, refer to ELECTRICAL DIAGNOSIS (SECTION 8A).

5. If the total pump run time is 40 seconds or less, the Powermaster III is developing satisfactory boost pressure. If the total pump run time is more than 40 seconds, refer to test (E) "Pump Run Time Too Long" in this section.

6. Determine the pump off time by moderately applying the brakes and holding the brake pedal in the applied position. The pump off time is the time between brake apply and pump run. To determine the pump off time without a stopwatch, perform a "Powermaster III Bleed Down Check With Brake Pedal Depressed Test" using 94-00101-A.

7. If the pump off time is 50 seconds or less, a problem may exist in the Powermaster III. Refer to test (F) "Pump Off Time Too Short" in this section. If the pump off time is more than 50 seconds, the Powermaster III is adequately holding boost pressure.

(E) PUMP RUN TIME TOO LONG

Symptoms: Pump run time from no pressure to the high limit switch point takes longer than 40 seconds.

Possible Causes: Faulty battery, malfunctioning charging system or electrical circuits other than ABS circuits, low accumulator precharge, pressure switch malfunction, damaged Powermaster III, malfunctioning pump, relief valve, low fluid level (rear chamber).

Inspect

1. Turn off ignition. Disconnect wiring harness at the pump connector. Turn on ignition. Using a DVOM, check voltage of Pin A to ground.

2. If less than 12 volts exist at Pin A, check the battery, charging system and non-ABS electrical circuits for damage.

3. Turn off the ignition switch, connect pump connector. Depressurize the Powermaster unit, refer to "Depressurizing the Powermaster III Unit" in this section. Remove accumulator and install J 37118. Install accumulator on J 37118 (Figure 12).

4. Bleed Powermaster III Unit at its bleeder valves or perform an "ABS Solenoid Bleed and Checkout Test", refer to "Powermaster III Bleeding" in this section using 94-00101-A.

5. Observe pressure gage while turning on ignition. Is there a sudden jump in pressure from 0 to 3448 kPa (0 psi to 500 psi) or more almost immediately after the ignition is tumed on? (This initial jump in pressure is the amount of accumulator precharge). If not, the accumulator must be replaced.

6. Note pressure when the motor shuts off or the high pressure limit is reached. Is this pressure more than 19,995 kPa (2,900 psi)? If so, replace the pressure switch.

7. Using 94-00101-A, monitor the pump state while applying the brakes slowly between 1 and 3 times. Note the low pressure point when the pump turns on.

8. Does the motor turn on at 13,790 kPa (2,000 psi) or higher? If not, replace the accumulator pressure switch since it is turning on the motor at too low a point, refer to "Depressurizing the Powermaster III Unit" in this section.

9. DO NOT APPLY THE BRAKES WITH THE RESERVOIR COVER REMOVED. If the pressure switch functions properly, visually check the pump inlet in the reservoir to be sure it is not clogged. Turn on the ignition switch. If the inlet is clear, place one end of a clear plastic hose over the relief valve in the reservoir. Hold the other end of the tube (pointing downward) in the rear reservoir chamber. If fluid flows through the tube into the reservoir, replace the relief valve. If fluid does not flow through the tube, place one end of the clear plastic hose over the booster return port (54 in Figure 14). Again, hold the other end of the tube (pointing downward in the rear reservoir). With the ignition still on, if fluid flows through the tube, replace the Powerniaster III Unit. If no fluid flows, replace pump and motor.

(F) PUMP OFF TIME TOO SHORT

Symptoms: Pump runs periodically or frequently with no brake apply, pump runs every 20 seconds or less with brakes steadily applied, pump runs every time brake is depressed.

Possible Causes: Excessive internal leakage, low accumulator precharge, leaking solenoid(s), damaged Powermaster III Unit.

Inspect

1. Depressurize the system, refer to "Depressurizing the Powermaster III Unit" in this section. Remove accumulator and install J 37118 (Figure 13). Install accumulator on J 37118.

2. Turn on the ignition, check for leaks, correct as necessary then depressurize the Powermaster III Unit. Perform "Total Pump Run Time Test" using 94-00101-A, simultaneously observe the pressure gage while turning on the ignition.

3. Observe J 37118 while turning on ignition. Is there a sudden jump in pressure from 0 to 3448 kPa (0 psi to 500 psi) or more almost immediately after the ignition is turned on? (This initial jump in pressure is the amount of accumulator precharge). If not, the accumulator must be replaced.

4. Allow the system to pressurize until the pump shuts off. With ignition still on, determine the pump off time by moderately applying the brakes and holding the brake pedal in the applied position. The pump off time is the time between brake apply and pump run. To determine the pump off time without a stopwatch, perform a Powermaster III bleed down check with brake pedal depressed using 94-00101-A.

5. Refer to Figure 15 to determine whether the accumulator or Powermaster III Unit should be replaced. If pump off time is less than 50 seconds, check accumulator precharge. If accumulator precharge is less than 4137 kPa (600 psi), replace the accumulator. If precharge is 4137 kPa (600 psi) or greater and the pump off time is less than the corresponding chart value (Figure 15), replace the Powermaster III Unit.

(G) EXTERNAL LEAKAGE CHECK

Symptom: Any dampness or dripping of brake fluid on the Powermaster III, brake lines, proportioning valve or calipers.

Possible Causes: Leaking O-ring seal(s), poor connections, over-filled front chamber of reservoir, over-filled rear chamber of reservoir.

Inspect

1. Depressurize the Powermaster III Unit, refer to "Depressurizing the Powermaster III Unit" in this section.

2. Clean and remove the reservoir cover and diaphragm assembly. Check the fluid levels.

3. If the front reservoir chamber level is high, drain fluid to restore to proper level.

4. If the rear chamber fluid level is high, drain fluid to restore to proper level. A high rear chamber fluid level may be caused by filling the reservoir without depressurizing the system.

5. Clean and dry the Powermaster III and other brake system parts so that the source of a leak may be more easily detected.

6. Install the reservoir cover and diaphragm assembly

7. Turn on the ignition and pump the brakes. Check for leaks. Tighten any loose connections. Repair calipers or brake lines as necessary. If leakage occurs on the Powermaster III, tighten connections if possible, or replace the Powermaster III. Depressurize the Powermaster III, refer to "Depressurizing the Powermaster III Unit" in this section and check the fluid levels in the reservoir chamber.

8. If the fluid level in the front reservoir chamber is high, refer to test (H) "Fluid Leaking into Front Chamber" in this section. If the level in the rear reservoir chamber is high, replace the Powermaster III Unit.

(H) FLUID LEAKING INTO FRONT CHAMBER

Symptom: Front reservoir chamber becomes overfilled causing leakage past the reservoir cover.

Possible Causes: Reservoir cover and/or diaphragm leaking, damaged Powermaster III Unit.

Inspect

1. Depressurize the Powermaster III Unit, refer to "Depressurizing the Powermaster III Unit" in this section.

2. Drain brake fluld in the front reservoir below the divider between the left front and right front chambers (Figure 14).

3. Install the reservoir cover and diaphragm assembly. Turn on the ignition and pump the brakes several times.

4. Again depressurize tlie Powermaster III Unit, refer to "Depressurizing the Powermaster III Unit" in this section. Remove the reservoir cover and diaphragm. Note the level of fluid in the front reservoir.

5. If the fluid level has risen in either front chamber, replace the Powermaster III Unit.

6. If the fluid level drops or stays the same, replace the reservoir, reservoir cover and diaphragm assembly.

(I) PUMP MOTOR OPERATIONAL DIAGNOSIS

Tools Required:

94-00101-A Tech 1 Diagnostic Computer J 37118 Pressure Gage Assembly

1. Turn off the ignition, depressurize the Powermaster III, remove the accumulator, and connect J 37118. Install the accumulator to J 37118. Turn the ignition on and allow the pump to run for at least 20 seconds. Turn off the ignition, check for leaks, correct as necessary then depressurize the Powermaster III Unit. Perform the "Total Pump Run Time Test" using 94-00101-A, simultaneously observe the pressure gauge while turning on the ignition. Is there a sudden jump from 0 to 3448 (0 psi to 500 psi) or more almost immediately after the ignition is turned on? (This initial jump in pressure is the amount of accumulator precharge). If not, and the pump motor is running, perform step 9 of test (E) "Pump Run Time Too Long". If the jump in pressure is less than 4137 kPa (600 psi), replace the accumulator.

2. Notice the pressure at which 94-00101-A indicates "OK" pressure. If this pressure is not within the 11,722 kPa to 13, 101 kPa (1,700 to 1, 900 psi) range, replace the accumulator pressure switch. Notice the pressure at which the pump turns off. If it is not within the 17,927 kPa to 19, 996 kPa (2,600 to 2,900 psi) range, replace the accumulator pressure switch. If the pump continues to run but maintains a constant pressure, perform step 9 of test (E) "Pump Run Time Too Long" in this section.

NOTICE: When depressing the brake pedal to cause the pump to run, depress the brake pedal slowly and carefully until the pump just begins to run. Do not continue to depress the brake pedal after the pump begins to run or pump runs which are too short may be missed.

3. When the pump has stopped, depress the brake pedal until the pump begins to run. If this pressure is not within the 14,135 to 15,859 kPa (2,050 to 2,300 psi) range, replace the accumulator pressure switch.

4. If the accumulator pressure switch points are all within range and if accumulator precharge is greater than 4,137 kPa (600 psi) and battery voltage is greater than 11.8 volts when the pump is running, and the total pump run time is greater than 40 seconds, replace the pump and motor assembly.

(J) VEHICLE PULLS TO ONE SIDE DURING NORMAL BRAKING

1. Perform prediagnosis inspection. Be especially sensitive to any brake/bearing drag on any wheel with the brakes not applied, uneven brake pad wear, or worn brake pads. Also verify that with the brakes lightly applied, all wheels are getting enough pressure such that the wheels cannot be rotated by hand with vehicle on a hoist.

2. Pull the 10 amp controller fuse from the ABS power center Figure 8. This will verify that a solenoid is not being energized by the controller and causing the problem. Road test vehicle. From approximately 48 kph (30 mph) apply the brake such that the vehicle slows at a rate of approximately 8 kph (5 mph/second). If the vehicle pulls, go to step 3. If the vehicle does not pull, skip step 3 and continue with step 4.

3. Vehicle pulls in step 2. Replace the 10 amp controller fuse. Using 94-00101-A, perform the "Solenoid Bleed and Checkout" test. Road test vehicle using procedures in step 2. If the vehicle still pulls, go to step 4.

4. Vehicle does not pull in step 2, or step 3 did not correct the problem. Replace the 10 amp controller fuse if not already done. Perform (B) "ABS System Functional Check", in this section and (C) "ABS Hold Function Check", in this section. If the sound of brake fluid being forcefully sprayed into the reservoir is heard during test (C) but not during test (B), check the wiring at the appropriate solenoid to be sure the correct wires go to the hold circuit and the release circuit of the solenoid. If no problem is identified, bleed the entire brake system at the brake caliper bleeder screws using the procedures found in the "Powermaster III Bleeding" section. Also perform the "ABS Solenoid Bleed and Checkout Test" using 94-00101-A. Road test vehicle. If the problem still exists, replace Powermaster III Unit.


Object Number: 81496  Size: FS


Object Number: 81495  Size: FS


Object Number: 81494  Size: FS


Object Number: 93381  Size: FS


Object Number: 83396  Size: FS


Object Number: 81493  Size: FS


Object Number: 83395  Size: FS


Object Number: 91903  Size: LF


Object Number: 84370  Size: FS


Object Number: 92543  Size: SF


Object Number: 81492  Size: FS


Object Number: 91902  Size: MF


Object Number: 81491  Size: FS


Object Number: 83394  Size: FS


Object Number: 92542  Size: MF

General Motors bulletins are intended for use by professional technicians, not a "do-it-yourselfer". They are written to inform those technicians of conditions that may occur on some vehicles, or to provide information that could assist in the proper service of a vehicle. Properly trained technicians have the equipment, tools, safety instructions and know-how to do a job properly and safely. If a condition is described, do not assume that the bulletin applies to your vehicle, or that your vehicle will have that condition. See a General Motors dealer servicing your brand of General Motors vehicle for information on whether your vehicle may benefit from the information.