GM Service Manual Online
For 1990-2009 cars only

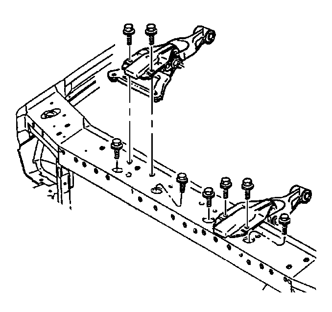
Engine Mount Strut Bracket Replacement Upper Radiator Support

Removal Procedure


    Object Number: 97613  Size: SH
  1. Remove the engine mount strut from the engine mount strut bracket at the upper radiator support. Refer to Engine Mount Strut Replacement .

  2. Object Number: 97631  Size: SH
  3. Remove the four bolts from the engine mount strut bracket to the upper radiator support.
  4. Remove the engine mount strut bracket from the upper radiator support.

Installation Procedure


    Object Number: 97631  Size: SH
  1. Position the engine mount strut bracket over the upper radiator support so the engine mount strut bracket and the engine mount strut are aligned. Align the engine mount strut bracket with the proper holes of the upper radiator support.
  2. Install the four bolts through the engine mount strut bracket to the upper radiator support.
  3. Tighten
    Tighten the bolts to 28 N·m (21 lb ft).

    Notice: Use the correct fastener in the correct location. Replacement fasteners must be the correct part number for that application. Fasteners requiring replacement or fasteners requiring the use of thread locking compound or sealant are identified in the service procedure. Do not use paints, lubricants, or corrosion inhibitors on fasteners or fastener joint surfaces unless specified. These coatings affect fastener torque and joint clamping force and may damage the fastener. Use the correct tightening sequence and specifications when installing fasteners in order to avoid damage to parts and systems.


    Object Number: 97613  Size: SH
  4. Install the engine mount strut to the engine mount strut bracket at the upper radiator support. Refer to Engine Mount Strut Replacement .

Engine Mount Strut Bracket Replacement Right Side

Removal Procedure

  1. Disconnect the battery ground (negative) cable. Refer to

    Caution: Unless directed otherwise, the ignition and start switch must be in the OFF or LOCK position, and all electrical loads must be OFF before servicing any electrical component. Disconnect the negative battery cable to prevent an electrical spark should a tool or equipment come in contact with an exposed electrical terminal. Failure to follow these precautions may result in personal injury and/or damage to the vehicle or its components.

    .
  2. Remove the supercharger drive belt (VIN 1). Refer to Accessory Drive Belts Replacement
  3. Remove the ignition coil. Refer to Ignition System.
  4. Remove the generator support brace. Refer to Charging System.
  5. Remove the ground harness connection.

  6. Object Number: 97620  Size: SH
  7. Remove the right engine mount strut at the right engine mount strut bracket. Refer to Engine Mount Strut Replacement .

  8. Object Number: 97872  Size: SH
  9. Remove the drive belt idler pulley (VIN 1). Refer to Drive Belt Idler Pulley Replacement

  10. Object Number: 97873  Size: SH
  11. Remove the drive belt tensioner (VIN 1). Refer to Drive Belt Tensioner Replacement

  12. Object Number: 97874  Size: SH
  13. Remove the right engine mount strut bracket nuts and bolt.
  14. Remove the right engine mount strut bracket from the cylinder head.

Installation Procedure


    Object Number: 97874  Size: SH
  1. Install the right engine mount strut bracket to the cylinder head.
  2. Install the right engine mount strut bracket nuts and bolt.
  3. Tighten
    Tighten the right engine mount strut bracket nuts and bolt to 50 N·m (37 lb ft).

    Notice: Use the correct fastener in the correct location. Replacement fasteners must be the correct part number for that application. Fasteners requiring replacement or fasteners requiring the use of thread locking compound or sealant are identified in the service procedure. Do not use paints, lubricants, or corrosion inhibitors on fasteners or fastener joint surfaces unless specified. These coatings affect fastener torque and joint clamping force and may damage the fastener. Use the correct tightening sequence and specifications when installing fasteners in order to avoid damage to parts and systems.


    Object Number: 97872  Size: SH
  4. Install the drive belt idler pulley (VIN 1). Refer to Drive Belt Idler Pulley Replacement
  5. Tighten
    Tighten the drive belt idler pulley bolt (VIN 1) to 50 N·m (37 lb ft).


    Object Number: 97872  Size: SH
  6. Install the drive belt idler pulley (VIN 1). Refer to Drive Belt Tensioner Replacement
  7. Tighten
    Tighten the drive belt idler pulley bolt to 50 N·m (37 lb ft).


    Object Number: 97620  Size: SH
  8. Install the right engine mount strut to the right engine mount strut bracket. Refer to Engine Mount Strut Replacement .
  9. Install the ground harness connection.
  10. Install the generator support brace. Refer to Charging System.
  11. Install the ignition coil. Refer to Ignition System.
  12. Install the supercharger drive belt (VIN 1). Refer to Accessory Drive Belts Replacement
  13. Connect the battery ground (negative) cable. Refer to Battery.