GM Service Manual Online
For 1990-2009 cars only

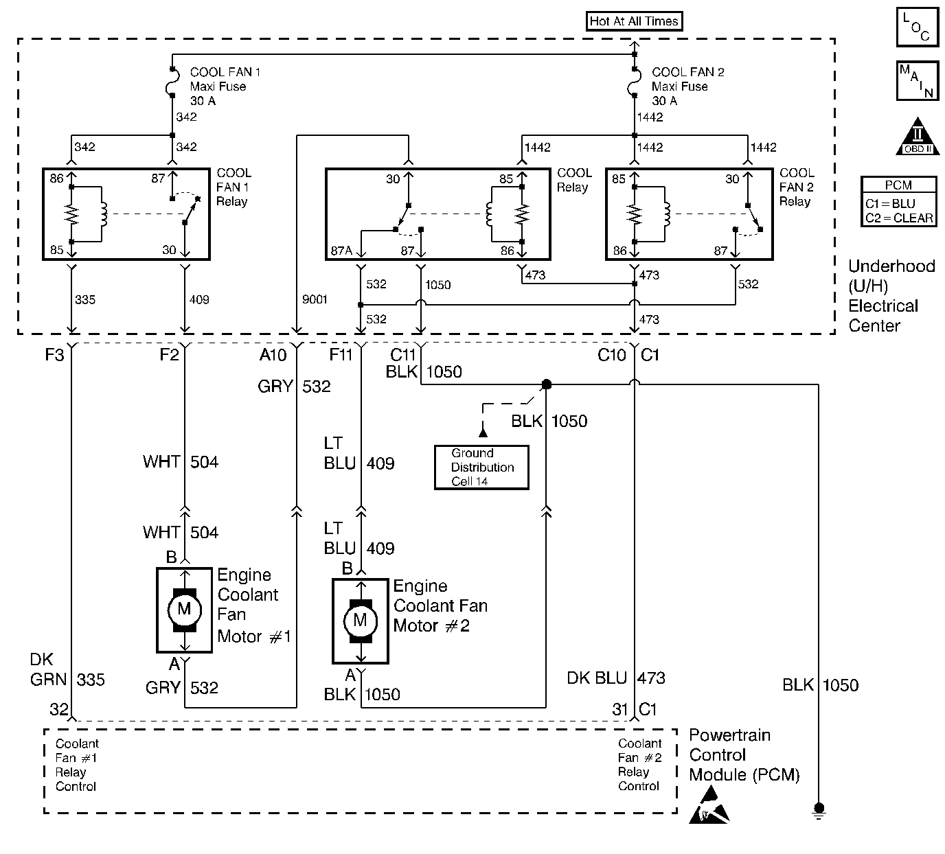
Object Number: 104965  Size: LF
Coolant Fans schematic
OBD II Symbol Description Notice

Circuit Description:

The engine cooling fan receive power from two separate 30 amp maxifuse located in the Underhood Electrical Center.

During low speed operation, the PCM supplies a ground path for the Cool Fan 1 relay through the Coolant Fan #1 Relay Control circuit. This energizes the relay coil, closes the Fan 1 relay contacts, and supplies current to the primary cooling fan. The ground path for the primary cooling fan is through the series/parallel cooling fan relay (Cool Relay) and secondary cooling fan motor. The result is a series circuit with both fans running at low speed.

To command high speed cooling fan operation the PCM first supplies a ground path for the low speed cooling fan (Cool Fan #1) relay through the Coolant Fan #1 Relay Control circuit. After a 3 second delay, the PCM supplies a ground path for the series/parallel (Cool Relay) and the high speed cooling fan (Cool Fan #2) relays through the Coolant Fan #2 Relay Control circuit. During high speed operation, both the primary and the secondary cooling fans are supplied current through their respective maxifuse and each fan has its own ground path.

Diagnostic Aids

Check for the following conditions:

    • Poor connection at the PCM, cooling fan relays, or cooling fan motors. Inspect harness connectors for backed out terminals, improper mating, broken locks, improperly formed or damaged terminals, and poor terminal to wire connection.
    • Damaged harness. Inspect the wiring harness for damage.

Test Description

Number(s) below refer to the step number(s) on the Diagnostic Table.

  1. Stored diagnostic trouble codes may affect engine cooling fans operation. This diagnostic table may lead to improper diagnosis and replacement of good parts if diagnostic trouble codes are present.

  2. Ambient temperature must be above 11°C (52°F) before the PCM will enable the cooling fans due to A/C request. The PCM will enable the cooling fans if A/C refrigerant pressure increases regardless of ambient temperature.

  3. This vehicle is equipped with a PCM which utilizes an Electrically Erasable Programmable Read Only Memory (EEPROM). When the PCM is being replaced, the new PCM must be programmed.

Electric Cooling Fan Diagnosis

Step

Action

Value(s)

Yes

No

1

Was the Powertrain On-Board Diagnostic (OBD) System Check performed?

--

Go to Step 2

Go to the Powertrain On Board Diagnostic (OBD) System Check

2

Are any PCM DTC(s) stored?

--

Diagnose the PCM DTC(s) first. Refer to Powertrain Control Module Diagnosis

Go to Step 3

3

  1. Ensure that the engine coolant temperature is below 100°C (212°F).
  2. Turn OFF the A/C Selector Switch.
  3. Engine running.
  4. Observe the cooling fans.

Are the cooling fans running?

--

Go to Step 32

Go to Step 4

4

  1. Command Fan 1 ON using the scan tool output tests function.
  2. Observe the cooling fans.

Are both cooling fans running at low speed?

--

Go to Step 5

Go to Step 8

5

  1. Command Fan 2 ON using the scan tool output tests function.
  2. Wait 3 seconds.
  3. Observe the cooling fans

Are both fans running at high speed?

--

Go to Step 6

Go to Step 58

6

Important: Ambient temperature must be above 11°C (52°F).

  1. Exit scan tool output tests.
  2. Engine running.
  3. Turn the A/C ON.

Are the cooling fans ON?

--

Go to Diagnostic Aids

Go to Step 7

7

View A/C Request on the scan tool.

Does A/C Request on the scan tool display Yes?

--

Go to Step 77

Go to Powertrain Control Module Controlled Air Conditioning (A/C) Circuit Diagnosis

8

Is either cooling fan running?

--

Go to Step 9

Go to Step 16

9

Is the left cooling fan running?

--

Go to Step 10

Go to Step 14

10

  1. Turn OFF the ignition switch.
  2. Disconnect the right engine cooling fan.
  3. Turn ON the ignition switch.
  4. Command Fan 1 ON using the scan tool output tests function.
  5. Observe the cooling fans.

Is the left engine cooling fan running?

--

Go to Step 11

Go to Step 80

11

Remove the engine Cool Fan Relay from the Underhood Electrical Center.

Is the left engine cooling fan running?

--

Go to Step 12

Go to Step 13

12

Locate and repair short to ground in CKT 532. Refer to Repair Procedures in Electrical Diagnosis.

Is action complete?

--

Go to Step 81

--

13

  1. Check CKT 409 for a short to ground.
  2. If a problem is found, repair as necessary and replace Cool Fan 2 maxifuse. Refer to Repair Procedures in Electrical Diagnosis.

Was a problem found?

--

Go to Step 81

Go to Step 76

14

  1. Turn OFF the ignition switch.
  2. Disconnect the left engine cooling fan.
  3. Turn ON the ignition switch.
  4. Command Fan 1 On using the scan tool output tests function.
  5. Observe the cooling fans.

Is the right engine cooling fan running?

--

Go to Step 15

Go to Step 71

15

  1. Locate and repair the following circuit condition(s):
  2. • Short to battery positive in circuit 532 or circuit 504.
    • Coolant Fan #2 shorted.
    • Defective engine coolant fan diode.
  1. Refer to Cooling Fans in Electrical Diagnosis.

Is action complete?

--

Go to Step 81

--

16

  1. Ignition On, engine not running.
  2. Remove the low speed engine Cool Fan 1 Relay from the Underhood Electrical Center.
  3. Probe Cool Fan 1 relay cavity 87 with a test light connected to ground.

Is the test light On?

--

Go to Step 18

Go to Step 17

17

Locate and repair the open in the Cool Fan 1 relay B+ feed to cavity 87. Refer to Repair Procedures in Electrical Diagnosis.

Is action complete?

--

Go to Step 81

--

18

Probe Cool Fan 1 relay cavity 86 with a test light connected to ground.

Is the test light On?

--

Go to Step 20

Go to Step 19

19

Locate and repair open in the B+ feed to cavity 86 in the Cool Fan 1 relay connector. Refer to Repair Procedures in Electrical Diagnosis.

Is action complete?

--

Go to Step 81

--

20

  1. Turn OFF the ignition switch.
  2. Disconnect both cooling fans.
  3. Connect terminals A and B together at both cooling fan connectors using fused jumpers.
  4. Turn ON the ignition switch.
  5. Connect a test light between Cool Fan 1 relay cavities 87 and 30.

Is the test light ON?

--

Go to Step 21

Go to Step 27

21

  1. Connect a test light between Cool Fan 1 relay cavities 85 and 86.
  2. Turn ON the ignition switch.
  3. Command Fan 1 ON using the scan tool output tests function.
  4. Observe the test light.

Is the test light ON?

--

Go to Step 22

Go to Step 25

22

  1. Turn OFF the ignition switch
  2. Remove the jumpers from the engine cooling fan connectors and reconnect the cooling fans.
  3. Install a fused jumper between Cool Fan 1 relay cavities 87 and 30.
  4. Turn ON the ignition switch.
  5. Observe the cooling fans.

Are both cooling fans running?

--

Go to Step 23

Go to Step 24

23

  1. Check for poor Cool Fan 1 relay connections at the Underhood Electrical Center.
  2. If a problem is found, repair as necessary. Refer to Repair Procedures in Electrical Diagnosis.

Was a problem found?

--

Go to Step 81

Go to Step 37

24

  1. Check for poor connections at the coolant fan motors.
  2. If a problem is found, repair as necessary. Refer to Repair Procedures in Electrical Diagnosis.

Was a problem found?

--

Go to Step 81

Go to Step 63

25

  1. Turn OFF the ignition switch.
  2. Disconnect the PCM blue connector C1.
  3. Install a fused jumper between Cool Fan 1 relay cavities 30 and 85.
  4. Turn ON the ignition switch.
  5. Probe Low Speed Fans circuit (CKT 335) at the PCM harness connector with a test light to ground.

Is the test light ON?

--

Go to Step 77

Go to Step 26

26

Locate and repair open in the Low Speed Fans circuit between the PCM and Cooling Fan 1 relay cavity 86.

Is action complete?

--

Go to Step 81

--

27

  1. Turn OFF the ignition switch.
  2. Remove the jumpers from the cooling fan connectors.
  3. Reconnect the cooling fans.
  4. Install a fused jumper between Cool Fan 1 relay cavities 87 and 30.
  5. Remove the Cool Fan Relay from the Underhood Electrical Center.
  6. Probe Cool Fan Relay cavity 30 with a test light connected to ground.

Is the test light On?

--

Go to Step 28

Go to Step 31

28

Connect a test light between Cool Fan Relay cavities 30 and 87A in the Underhood Electrical Center.

Is the test light ON?

--

Go to Step 30

Go to Step 29

29

  1. Check for an open in CKT 409 between Cool Fan Relay cavity 87A and High Speed Fans terminal B.
  2. If a problem is found, repair as necessary. Refer to Repair Procedures in Electrical Diagnosis.

Was a problem found?

--

Go to Step 81

Go to Step 57

30

  1. Check for a poor connection at Cool Fan Relay cavities 30 or 87A in the Underhood Relay Center.
  2. If a problem is found, repair as necessary. Refer to Repair Procedures in Electrical Diagnosis.

Was a problem found?

--

Go to Step 81

Go to Step 76

31

  1. Check for an open in CKT 504 between Cool Fan 1 relay cavity 30 and left engine cooling fan harness connector terminal B.
  2. If a problem is found, repair as necessary. Refer to Repair Procedures in Electrical Diagnosis.

Was a problem found?

--

Go to Step 81

Go to Step 56

32

Using scan tool, view A/C Request.

Does the scan tool display Yes?

--

Go to Powertrain Control Module Controlled Air Conditioning (A/C) Circuit Diagnosis

Go to Step 33

33

Are both cooling fans running at low speed?

--

Go to Step 34

Go to Step 40

34

Remove Cool Fan 1 relay from the Underhood Relay Center.

Are the cooling fans running?

--

Go to Step 35

Go to Step 36

35

Locate and repair short to voltage in CKT 504. Refer to Repair Procedures in Electrical Diagnosis.

Is action complete?

--

Go to Step 81

--

36

Using a test light connected to B+, probe Cool Fan 1 relay cavity 85.

Is the test light On?

--

Go to Step 38

Go to Step 37

37

Replace Cool Fan 1 relay.

Is action complete?

--

Go to Step 81

--

38

  1. Turn OFF the ignition switch
  2. Disconnect the blue PCM connector.
  3. Probe Cool Fan 1 relay cavity 85 with a test light connected to B+.

Is the test light On?

--

Go to Step 39

Go to Step 77

39

Locate and repair short to ground in the Low Speed Fans circuit. Refer to Repair Procedures in Electrical Diagnosis.

Is action complete?

--

Go to Step 81

--

40

Are both cooling fans running at high speed?

--

Go to Step 41

Go to Step 42

41

View A/C Pressure on the scan tool.

Does the scan tool display voltage less than the specified value?

1.5V

Go to Step 77

Go to Step 44

42

  1. Turn OFF the ignition switch.
  2. Disconnect the PCM.
  3. Turn ON the ignition switch.
  4. Observe the cooling fans.

Is the right engine cooling fan running at high speed?

--

Go to Step 43

Go to Step 77

43

  1. Check for a short to ground in the High Speed Fans circuit (CKT 473).
  2. If a problem is found, repair as necessary. Refer to Repair Procedures in Electrical Diagnosis.

Was a problem found?

--

Go to Step 81

Go to Step 52

44

  1. Turn off the ignition switch.
  2. Disconnect the A/C refrigerant pressure sensor electrical connector.
  3. Turn on the ignition switch.
  4. View A/C Pressure on the scan tool.

Does the scan tool display voltage near the specified value?

0V

Go to Step 46

Go to Step 45

45

Probe the A/C refrigerant pressure signal circuit with a J 39200

Does the digital multimeter display voltage near the specified value?

0V

Go to Step 77

Go to Step 51

46

Probe the A/C refrigerant pressure sensor ground with a test light to battery positive voltage.

Is the test light on?

--

Go to Step 47

Go to Step 49

47

Probe the A/C refrigerant pressure sensor 5 volt reference B circuit with a J 39200

Does the digital multimeter display voltage near the specified value?

5V

Go to Step 48

Go to Step 50

48

Replace the A/C refrigerant pressure sensor. Refer to On-Vehicle Service in Heater, Ventilation, and Air Conditioning.

Is action complete?

--

Go to Step 81

--

49

Locate and repair open or short to voltage in the A/C refrigerant pressure sensor ground circuit. Refer to Repair Procedures in Electrical Diagnosis.

Is action complete?

--

Go to Step 81

--

50

Locate and repair open or short to ground in the A/C refrigerant pressure sensor 5 volt reference B circuit. Refer to Repair Procedures in Electrical Diagnosis.

Is action complete?

--

Go to Step 81

--

51

Locate and repair short to voltage in the A/C refrigerant pressure signal circuit. Refer to Repair Procedures in Electrical Diagnosis.

Is action complete?

--

Go to Step 81

--

52

  1. Remove the Cool Fan 2 relay from the Underhood Electrical Center.
  2. Observe the cooling fans.

Is the right engine cooling fan running at high speed?

--

Go to Step 53

Go to Step 70

53

Remove the Cool Fan Relay from the Underhood Electrical Center.

Is the right engine cooling fan running at high speed?

--

Go to Step 54

Go to Step 55

54

Locate and repair short to battery positive voltage in CKT 409. Refer to Repair Procedures in Electrical Diagnosis.

Is action complete?

--

Go to Step 81

--

55

Locate and repair short to battery positive voltage in CKT 532. Refer to Repair Procedures in Electrical Diagnosis.

Is action complete?

--

Go to Step 81

--

56

  1. Check for an open in CKT 532 between Cool Fan Relay cavity 30 and left engine cooling fan terminal A.
  2. If a problem is found, repair as necessary. Refer to Repair Procedures in Electrical Diagnosis.

Was a problem found?

--

Go to Step 81

Go to Step 79

57

  1. Check for an open in CKT 1050 between right engine cooling fan terminal A and ground.
  2. If a problem is found, repair as necessary. Refer to Repair Procedures in Electrical Diagnosis.

Was a problem found?

--

Go to Step 81

Go to Step 80

58

  1. Ignition ON, engine not running.
  2. Remove the Cool Fan 2 relay from the Underhood Electrical Center.
  3. Install a test light between Cool Fan 2 relay cavity 86 and battery positive voltage.
  4. Command High speed fans on using the scan tool output controls function.
  5. Wait approx. 5-6 seconds.
  6. Observe the test light.

Is the test light on?

--

Go to Step 61

Go to Step 59

59

  1. Remove the Cool Fan Relay from the Underhood Electrical Center.
  2. Install a test light between Cool Fan Relay cavity 86 and battery positive voltage.
  3. Command high speed fans on using the scan tool output controls function.
  4. Wait 6 seconds.
  5. Observe the test light.

Is the test light ON?

--

Go to Step 78

Go to Step 60

60

  1. Turn OFF the ignition switch.
  2. Disconnect the PCM.
  3. Turn ON the ignition switch.
  4. Check the High Speed Fans circuit for an open or a short to voltage.
  5. If a problem is found, repair as necessary. Refer to Repair Procedures in Electrical Diagnosis.

Was a problem found?

--

Go to Step 81

Go to Step 77

61

  1. Turn off the ignition switch
  2. Reinstall the Cool Fan 2 relay.
  3. Disconnect both coolant fan electrical connectors.
  4. Turn on the ignition switch.
  5. Command Fan 2 on using the scan tool output controls function.
  6. Wait approx. 5-6 seconds.
  7. Probe terminal B at the right engine cooling fan connector with a test light to ground.

Is the test light on?

--

Go to Step 62

Go to Step 64

62

Probe terminal A at the left engine cooling fan connector with a test light to B+.

Is the test light on?

--

Go to Step 63

Go to Step 71

63

  1. Identify cause of inoperative cooling fan:
  2. • Open right engine cooling fan motor windings.
    • Open left engine cooling fan motor windings.
    • Stalled cooling fans.
  3. Replace the affected cooling fan motor. Refer to On-Vehicle Service in Cooling and Radiator.

Is action complete?

--

Go to Step 81

--

64

  1. Remove the Cool Fan 2 relay from the Underhood Electrical Center.
  2. Turn ON the ignition switch.
  3. Probe Cool Fan 2 relay cavity 85 with a test light connected to ground.

Is the test light on?

--

Go to Step 66

Go to Step 65

65

  1. Locate and repair the following circuit condition(s):
  2. • Open in the battery positive feed to the Cool Fan and Cool Fan 2 relays.
    • Short to ground in the battery positive feed to the Cool Fan and Cool Fan 2 relays.
  1. Refer to Repair Procedures in Electrical Diagnosis.

Is action complete?

--

Go to Step 81

--

66

Probe Cool Fan 2 relay cavity 30 with a test light connected to ground.

Is the test light on?

--

Go to Step 68

Go to Step 67

67

Locate and repair open in battery positive voltage circuit to Cool Fan 2 relay cavity 30. Refer to Repair Procedures in Electrical Diagnosis.

Is action complete?

--

Go to Step 81

--

68

  1. Check High Speed Fans circuit for an open between right engine cooling fan terminal B and Cool Fan 2 relay cavity 87.
  2. If a problem is found, repair as necessary. Refer to Repair Procedures in Electrical Diagnosis.

Was a problem found?

--

Go to Step 81

Go to Step 69

69

  1. Check for a poor Cool Fan 2 relay terminal connections at the Underhood Electrical Center.
  2. If a problem is found, repair as necessary. Refer to Repair Procedures in Electrical Diagnosis.

Was a problem found?

--

Go to Step 81

Go to Step 70

70

Replace Cool Fan 2 relay.

Is action complete?

--

Go to Step 81

--

71

  1. Remove the Cool Fan Relay from the Underhood Electrical Center.
  2. Turn ON the ignition switch.
  3. Probe Cool Fan Relay cavity 85 with a test light connected to ground.

Is the test light on?

--

Go to Step 73

Go to Step 72

72

Locate and repair open in battery positive voltage circuit to Cool Fan Relay cavity 85. Refer to Repair Procedures in Electrical Diagnosis.

Is action complete?

--

Go to Step 81

--

73

Probe Cool Fan Relay cavity 87 in the Underhood Electrical Center with a test light to B+.

Is the test light on?

--

Go to Step 75

Go to Step 74

74

Locate and repair open in circuit between Cool Fan Relay cavity 87 in the Underhood Electrical Center and ground. Refer to Repair Procedures in Electrical Diagnosis.

Is action complete?

--

Go to Step 81

--

75

  1. Check for poor Cool Fan Relay engine terminal connections at the Underhood Electrical Center.
  2. If a problem is found, repair as necessary. Refer to Repair Procedures in Electrical Diagnosis.

Was a problem found?

--

Go to Step 81

Go to Step 76

76

Replace the Cool Fan Relay in the Underhood Electrical Center.

Is action complete?

--

Go to Step 81

--

77

Replace the PCM.

Important:: The replacement PCM must be programmed. Refer to Powertrain Control Module Replacement/Programming

Is action complete?

--

Go to Step 81

--

78

Repair open in the Cool Fan 2 relay control circuit. Refer to Repair Procedures in Electrical Diagnosis.

Is action complete?

--

Go to Step 81

--

79

Replace the left engine cooling fan motor. Refer to On-Vehicle Service in Cooling and Radiator.

Is action complete?

--

Go to Step 81

--

80

Replace the right engine cooling fan motor. Refer to On-Vehicle Service in Cooling and Radiator.

Is action complete?

--

Go to Step 81

--

81

  1. Engine coolant below 100°C (212°F).
  2. A/C OFF.
  3. Engine running.

Observe the cooling fans.

Are the cooling fans running?

--

Go to Step 32

Go to Step 82

82

  1. Command Fan 1 ON using the scan tool output tests function.
  2. Observe the cooling fans.

Are both cooling fans running at low speed?

--

Go to Step 83

Go to Step 8

83

  1. Command High speed fans on using the scan tool output tests function.
  2. Wait 6 seconds.
  3. Observe the cooling fans.

Are both cooling fans running at high speed?

--

System OK

Go to Step 58