GM Service Manual Online
For 1990-2009 cars only
Makes
🢒
Pontiac
🢒
1997
🢒
Grand Prix
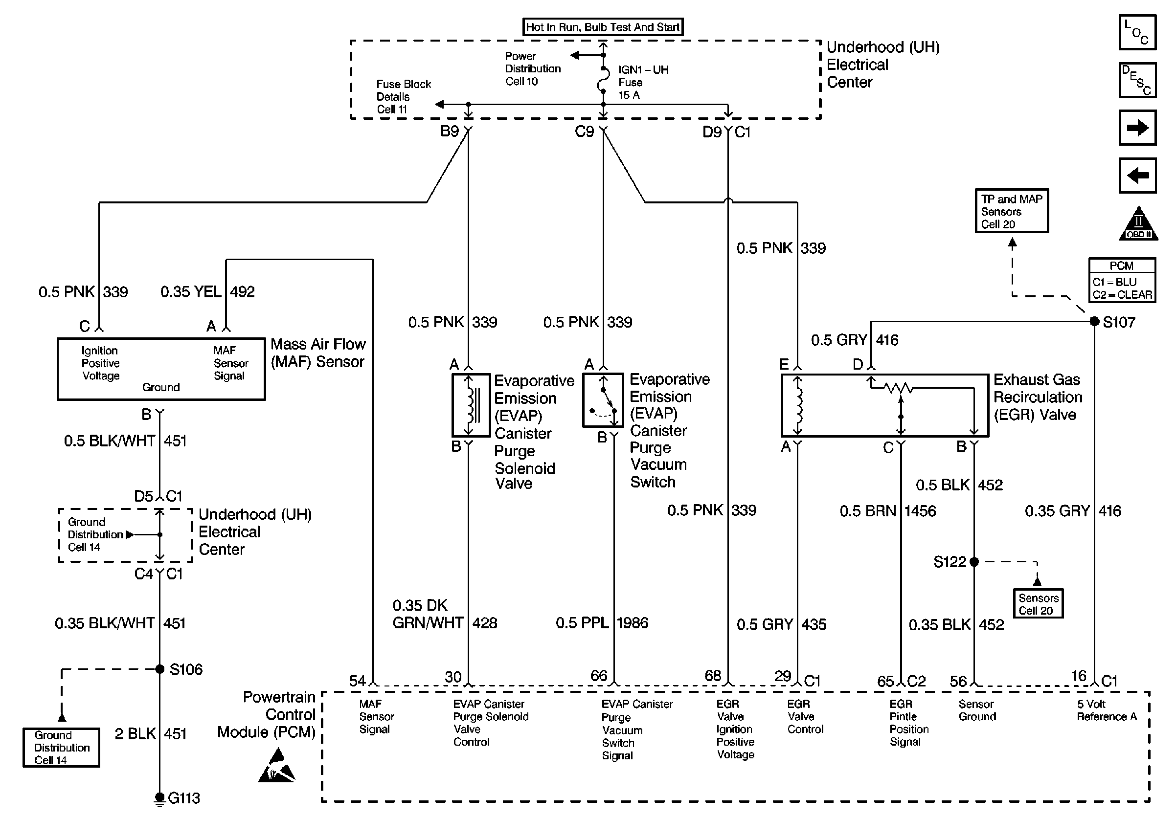
🢒 Engine Data Sensors-MAF, EVAP purge, EVAP vacuum, EGR
Engine Data Sensors-MAF, EVAP purge, EVAP vacuum, EGR
Engine Data Sensors-MAF, EVAP purge, EVAP vacuum, EGR
Engine Controls Components
Information Sensors
Engine Data Sensors-HO2S #1, HO2S #2
Engine Data Sensors-A/C Refrigerant Pressure, TP, MAP, ECT, IAT
OBD II Symbol Description Notice
Handling ESD Sensitive Parts Notice