GM Service Manual Online
For 1990-2009 cars only

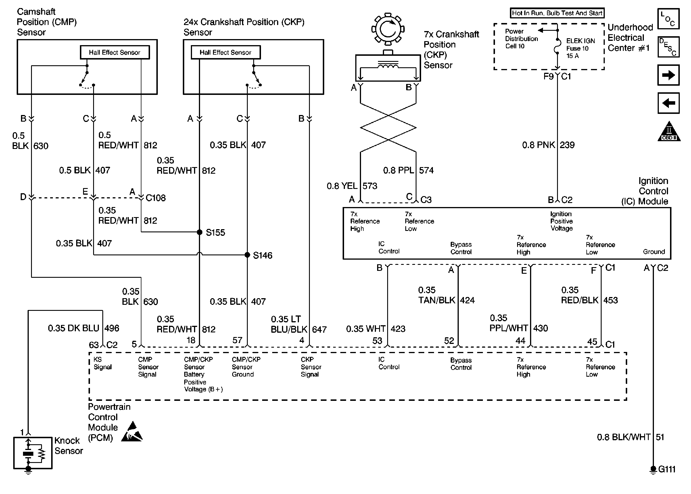
Refer to

Ignition Control System, Knock Sensor


Object Number: 82318  Size: FS
Engine Controls Components
Information Sensors
Fuel Control
Power, Ground, MIL, DLC
OBD II Symbol Description Notice
Handling ESD Sensitive Parts Notice

Circuit Description

The Ignition Control Module (ICM) sends signals that the PCM requires for fuel control and spark advance calculations. At the start of engine crank, the ICM controls spark advance (Bypass mode.) When the second 3X reference pulse is recognized by the PCM, the PCM applies 5 volts to the Bypass circuit. The 5 volts on the Bypass circuit commands the ICM to switch spark advance to PCM control (IC mode). At this time, the ICM will remove the ground it has applied to the IC circuit. When the IC pulses are not grounded, the ICM can use the IC pulses to control spark advance. A short in the IC circuit or an open or short to ground in the Bypass circuit will cause the PCM to monitor no IC pulses after the PCM has switched the Bypass circuit ON. The PCM will set DTC P1361 under either of these conditions. The engine may be started but will run on Bypass mode timing.

Conditions for Setting the DTC

    • The PCM does not monitor IC pulses while IC mode spark advance is commanded.
    • Engine speed greater than 600 rpm.

Action Taken When the DTC Sets

    • The PCM will illuminate the malfunction indicator lamp (MIL) during the second consecutive trip in which the diagnostic test has been run and failed.
    • The PCM will store conditions which were present when the DTC set as Freeze Frame and Failure Records data.

Conditions for Clearing the MIL/DTC

    • The PCM will turn OFF the MIL during the third consecutive trip in which the diagnostic has been run and passed.
    • The History DTC will clear after 40 consecutive warm-up cycles have occurred without a malfunction.
    • The DTC can be cleared by using the scan tool.

Diagnostic Aids

Check for the following conditions:

    • Poor connection at PCM. Inspect harness connectors for backed out terminals, improper mating, broken locks, improperly formed or damaged terminals, and poor terminal to wire connection.
    • Damaged harness. Inspect the wiring harness for damage. If the harness appears to be OK, disconnect the ICM, turn the ignition ON and observe a voltmeter connected between the IC circuit and B+ while moving connectors and wiring harnesses related to the ICM. A change in voltage will indicate the location of the fault.

Reviewing the Fail Records vehicle mileage since the diagnostic test last failed may help determine how often the condition that caused the DTC to be set occurs. This may assist in diagnosing the condition.

Step

Action

Value(s)

Yes

No

1

Was the Powertrain On-Board Diagnostic System Check performed?

--

Go to Step 2

Go to Powertrain On Board Diagnostic (OBD) System Check

2

  1. Start engine and let idle for 2 minutes.
  2. Observe DTC(s).

Did DTC P1361 set?

--

Go to Step 3

Refer to Diagnostic Aids

3

  1. Ignition OFF.
  2. Disconnect the PCM.
  3. Install a test light between B+ and the bypass circuit at the PCM harness connector.

Is the test light ON?

--

Go to Step 8

Go to Step 4

4

  1. Ignition ON.
  2. With the test light installed between B+ and the bypass circuit, measure the resistance between the IC circuit and the reference low circuit using a DVM.

Is resistance greater than the specified value?

6K ohms (6000 ohms)

Go to Step 12

Go to Step 5

5

  1. Ignition OFF, disconnect the ignition control module 14-way connector.
  2. Probe IC circuit with a test light to B+.

Is Test light ON?

--

Go to Step 10

Go to Step 6

6

  1. Check the bypass circuit for an open.
  2. If a problem is found, repair as necessary (refer to Engine Electrical).

Was a problem found?

--

Go to Step 15

Go to Step 7

7

  1. Check the bypass circuit for a poor terminal connection at the ignition control module.
  2. If a problem is found, replace faulty terminal.

Was a problem found?

--

Go to Step 15

Go to Step 14

8

  1. Ignition OFF, disconnect the ignition control module 14-way connector.
  2. Ignition ON, observe test light connected between the bypass circuit and B+.

Is the test light ON?

--

Go to Step 11

Go to Step 14

9

  1. Ignition OFF, disconnect the Ignition Control Module.
  2. Ignition ON, check the IC circuit for a short to voltage.
  3. If a problem is found, repair as necessary (refer to Engine Electrical).

Was a problem found?

--

Go to Step 15

Go to Step 13

10

Locate and repair short to ground in the IC circuit (refer to Engine Electrical).

Is action complete?

--

Go to Step 15

--

11

Locate and repair short to ground in the bypass circuit (refer to Engine Electrical).

Is action complete?

--

Go to Step 15

--

12

  1. Check the Bypass circuit for a poor terminal connection at the PCM.
  2. If a problem is found, repair as necessary (refer to Engine Electrical).

Was a problem found?

--

Go to Step 15

Go to Step 13

13

Replace the PCM.

Important: Replacement PCM must be programmed. Refer to Powertrain On Board Diagnostic (OBD) System Check

Is action complete?

--

Go to Step 15

--

14

Replace the ignition control module. Refer to Ignition Control Module Replacement

Is action complete?

--

Go to Step 15

--

15

  1. Review and record scan tool Fail Records data.
  2. Clear DTCs.
  3. Operate vehicle within Fail Records conditions as noted.
  4. Using a scan tool, monitor SPECIFIC DTC info for DTC P1361.

Does scan tool indicate DTC P1361 failed?

--

Go to Step 2

Repair complete