GM Service Manual Online
For 1990-2009 cars only

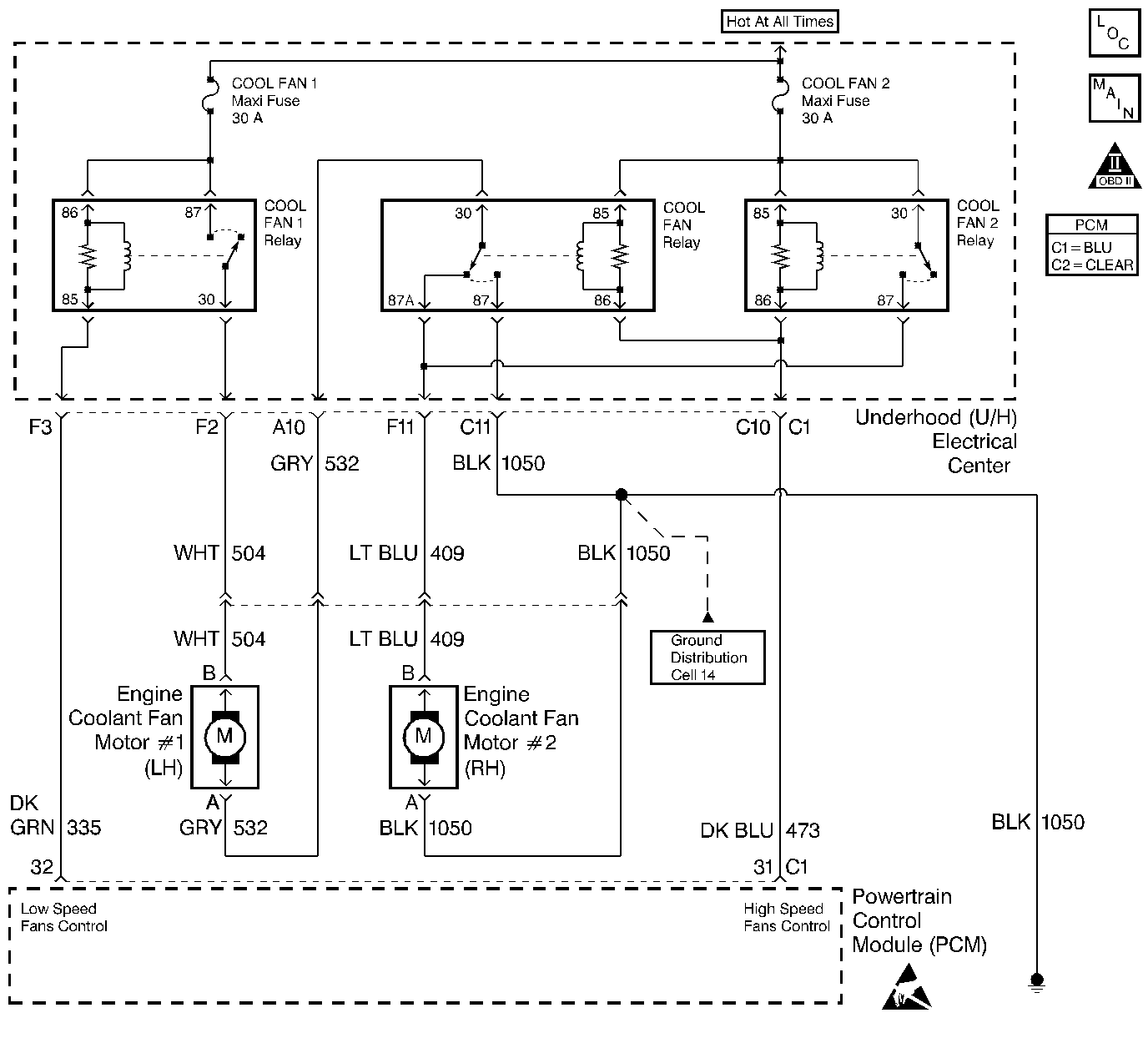
Object Number: 125798  Size: LF
Engine Controls Components
Coolant Fans
OBD II Symbol Description Notice

Circuit Description

Output Driver Modules (ODMs) are used by the PCM to turn on many of the current-driven devices that are needed to control various engine and Transaxle functions. Each ODM is capable of controlling up to 7 separate outputs by applying ground to the device which the PCM is commanding ON. Unlike the Quad Driver Modules (QDMs) used in prior model years, ODMs have the capability of diagnosing each output circuit individually. DTC P1652 set indicates an improper voltage level has been detected on ODM B output 2, which controls the high speed and series/parallel cooling fan relays.

Conditions for Setting the DTC

    • The ignition is ON.
    • An improper voltage level has been detected on ODM B output 2 (the Fan 2 control circuit)
    • The above conditions are present for at least 30 seconds.

Action Taken When the DTC Sets

    • The PCM will illuminate the MIL during the second consecutive trip in which the diagnostic test has been run and failed.
    • The PCM will store conditions which were present when the DTC set as Freeze Frame and Fail Records data.

Conditions for Clearing the MIL/DTC

    • The PCM will turn the MIL OFF during the third consecutive trip in which the diagnostic has been run and passed.
    • The history DTC will clear after 40 consecutive warm-up cycles have occurred without a malfunction.
    • The DTC can be cleared by using the scan tool Clear Info function or by disconnecting the PCM battery feed.

Diagnostic Aids

Check for the following conditions:

    • Poor connection at the PCM. Inspect harness connectors for backed out terminals, improper mating, broken locks, improperly formed or damaged terminals, and poor terminal to wire connection.
    • Damaged harness. Inspect the wiring harness for damage.
    • If the harness appears to be OK, disconnect the PCM, turn the ignition ON and observe a digital multimeter connected between the Fan 2 control circuit and ground at the PCM harness connector while moving connectors and wiring harnesses related to the series/parallel fan relay and the high speed fan relay. A change in voltage will indicate the location of the malfunction.

Reviewing the Fail Records vehicle mileage since the diagnostic test last failed may help determine how often the condition that caused the DTC to be set occurs. This may assist in diagnosing the condition.

Test Description

Number(s) below refer to the step number(s) on the Diagnostic Chart.

  1. Normally, ignition feed voltage should be present on the output driver circuit with the PCM disconnected and the ignition turned ON.

  2. Checks for a shorted component or a short to B+ on the output driver circuit. Either condition would result in a measured current of over 1.5 amps. Also checks for a component that is going open while being operated, resulting in a measured current of 0 amps.

  3. Checks for a faulty Cool fan 2 relay.

  4. This vehicle is equipped with a PCM which utilizes an Electrically Erasable Programmable Read Only Memory (EEPROM). When the PCM is being replaced, the new PCM must be programmed.

Step

Action

Value(s)

Yes

No

1

Was the Powertrain On-Diagnostic System Check performed?

--

Go to Step 2

Go to the Powertrain On Board Diagnostic (OBD) System Check

2

  1. Turn OFF the ignition switch, disconnect the PCM.
  2. Turn ON the ignition switch.
  3. Using J 39200 digital multimeter (DMM), measure the voltage between the high speed fans control circuit and ground.

Is voltage near the specified value?

B+

Go to Step 3

Go to Step 6

3

  1. Set up DMM to measure 10 amp range.
  2. Measure current between the High Speed Fans control circuit and ground.
  3. Monitor the current reading on the DMM for at least 2 minutes.

Does the current reading remain between the specified values?

0.1-1.5 Amps

Go to Step 11

Go to Step 4

4

  1. Disconnect the Cool fan 2 relay (leave the PCM disconnected).
  2. Using DMM, measure voltage between the High Speed Fans control circuit and ground.

Is voltage at the specified value?

0V

Go to Step 14

Go to Step 5

5

Locate and repair short to voltage in the High Speed Fans control circuit. Refer to Repair Procedures in Electrical Diagnosis.

Is action complete?

--

Go to Step 16

--

6

Check the battery positive feed fuse for the Cool fan 2 relay.

Is the fuse blown?

--

Go to Step 7

Go to Step 8

7

  1. Locate and repair short to ground in battery positive feed circuit for the Cool fan 2 relay. Refer to Fuse Block Details in Electrical Diagnosis.
  2. Replace fuse.

Is action complete?

--

Go to Step 16

--

8

  1. Disconnect the Cool fan 2 relay.
  2. Turn ON the ignition switch, measure voltage between the battery positive feed circuit for the Cool fan 2 relay and ground.

Is voltage near the specified value?

B+

Go to Step 9

Go to Step 13

9

  1. Check the High Speed Fans control circuit for an open or a short to ground.
  2. If a problem is found, repair the High Speed Fans control circuit. Refer to Repair Procedures in Electrical Diagnosis.

Was a problem found?

--

Go to Step 16

Go to Step 10

10

  1. Check the output driver circuit and the battery positive feed circuit for a poor connection at the Cool fan 2 relay and at the PCM.
  2. If a problem is found, replace faulty terminal(s). Refer to Repair Procedures in Electrical Diagnosis.

Was a problem found?

--

Go to Step 16

Go to Step 14

11

  1. Turn OFF the ignition switch, reconnect the PCM and disconnect the Cool fan 2 relay.
  2. Turn ON the ignition switch, connect J 35616-200
  3. Using the scan tool outputs test function, cycle the Cool fan 2 relay ON and OFF.

Does the test light flash ON and OFF?

--

Refer to Diagnostic Aids

Go to Step 12

12

  1. Check the High Speed Fans control circuit for a poor connection at the PCM.
  2. If a problem is found, replace faulty terminal. Refer to Repair Procedures in Electrical Diagnosis.

Was a problem found?

--

Go to Step 16

Go to Step 15

13

Locate and repair open in battery positive feed circuit to the Cool fan 2 relay. Refer to Repair Procedures in Electrical Diagnosis.

Is action complete?

--

Go to Step 16

--

14

Replace the Cool fan 2 relay.

Is action complete?

--

Go to Step 16

--

15

Replace the PCM.

Important: Replacement PCM must be programmed. Refer to Powertrain Control Module Replacement/Programming

Is action complete?

--

Go to Step 16

--

16

  1. Review and record scan tool Fail Records data.
  2. Clear DTCs.
  3. Operate vehicle within Fail Records conditions as noted.
  4. Using a scan tool, monitor Specific DTC info for DTC P1652 until the DTC P1652 test runs.

Note test result; does scan tool indicate DTC P1652 failed this ign?

--

Go to Step 2

System OK