GM Service Manual Online
For 1990-2009 cars only

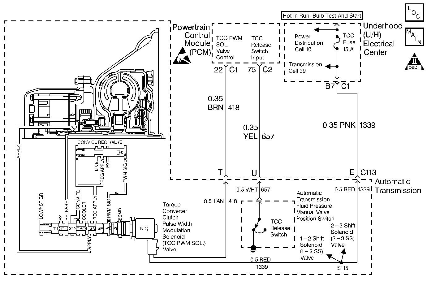
Object Number: 106705  Size: MF

Circuit Description

The Torque Converter Clutch (TCC) release switch is part of the Automatic Transmission Fluid Pressure Manual Valve Position Switch (TFP Val. Position Sw.). The TFP Val. Position Sw. is mounted to the transmission valve body.

The TCC release switch is a normally-closed switch. The switch signals the Powertrain Control Module (PCM) that the TCC is released. Torque converter release fluid pressure acts on the switch contact, opening circuit 657. When the voltage on the circuit is high, the PCM recognizes that the TCC is no longer engaged.

If the PCM detects that the TCC release switch is closed when the TCC is commanded OFF, then DTC P0742 sets. DTC P0742 is a type A DTC.

Conditions for Setting the DTC

    • No TP DTCs P0121, P0122, or P0123
    • No VSS DTCs P0502 or P0503
    • No TCC PWM Sol. Valve DTC P1860
    • No TCC Release DTC P1887
    • The engine is running.
    • The TP is 14-45%.
    • The TCC is commanded OFF.
    • Not in fuel shut off.
    • The gear range change is greater than 3 seconds.
    • The TCC release switch is closed, on 6 occurrences.
    • All of the above conditions are met for 4 seconds.

Action Taken When the DTC Sets

    • The PCM illuminates the Malfunction Indicator Lamp (MIL).
    • The PCM disables shift adapts.
    • The PCM commands the TCC ON at maximum capacity.

Conditions for Clearing the MIL/DTC

    • The PCM turns OFF the MIL after three consecutive ignition cycles without a failure reported.
    • A scan tool can clear the DTC from the PCM history. The PCM clears the DTC from the PCM history if the vehicle completes 40 warm-up cycles without a failure reported.
    • The PCM cancels the DTC default actions when the fault no longer exists and the ignition is OFF long enough in order to power down the PCM.

Diagnostic Aids

    • Rapid fluctuation in line pressure could set DTC P0742.
    • Inspect for a pressure regulator problem.
    • Inspect for abnormal line pressure.
    • Inspect the wiring for poor electrical connections at the PCM. Inspect the wiring for poor electrical connections at the transmission 20-way connector. Look for the following problems:
       - A bent terminal
       - A backed out terminal
       - A damaged terminal
       - Poor terminal tension
       - A chafed wire
       - A broken wire inside the insulation
    • When diagnosing for an intermittent short or open, massage the wiring harness while watching the test equipment for a change.
    • The customer may notice an engine stalling problem.

Test Description

The numbers below refer to the step numbers on the diagnostic table.

  1. If release pressure is shown with the engine OFF, there could be an open in the circuit. This could cause DTC P1887 to set.

  2. With the engine running, release pressure should be present. The TCC release switch should be open.

  3. By disconnecting the transmission connector, the PCM should observe an open switch, indicating that the wiring is okay.

  4. This step tests for a mechanical or hydraulic condition.

DTC P0742 TCC System Stuck On

Step

Action

Value(s)

Yes

No

1

Was the Powertrain On-Board Diagnostic (OBD) System Check performed?

--

Go to Step 2

Go to OBD Powertrain On Board Diagnostic (OBD) System Check in Engine Controls

2

Has the transmission fluid checking procedure been performed?

--

Go to Step 3

Go to Transmission Fluid Check

3

  1. Install the Scan Tool .
  2. With the engine OFF, turn the ignition switch to the RUN position.
  3. Important: Before clearing the DTCs, use the scan tool in order to record the Freeze Frame and Failure Records for reference. The Clear Info function will erase the data.

  4. Record the DTC Freeze Frame and Failure Records, then clear the DTCs.
  5. Set the scan tool to observe the TCC release pressure status (Yes or No).

Is TCC release pressure present?

--

Go to Diagnostic Aids

Go to Step 4

4

Start and run the engine.

Is TCC release pressure present?

--

Go to Step 10

Go to Step 5

5

  1. Turn the ignition switch to the OFF position.
  2. Disconnect the transmission 20-way connector.
  3. With the engine OFF, turn the ignition switch to the RUN position.

Is TCC release pressure present?

--

Go to Step 6

Go to Step 7

6

  1. Inspect Automatic Transmission (A/T) Wiring Harness circuit 1804 (WHT) for a short to ground from terminal U of the transmission 20-way connector.
  2. Replace the A/T Wiring Harness if shorted to ground.
  3. Refer to Solenoids and Wiring Harness Replacement .

Did you find and correct a condition?

--

Go to Step 12

Go to Step 8

7

  1. Inspect Engine Wiring Harness circuit 657 (YEL) for a short to ground from terminal U of the transmission 20-way connector.
  2. Repair the wiring harness if the circuit is shorted to ground.

Did you find and correct a condition?

--

Go to Step 12

Go to Step 11

8

  1. Remove the TFP manual valve position switch.
  2. Inspect the TCC release switch for the following conditions:
  3. • A damaged or leaking seal
    • Sediment or debris
    • Damaged switch contacts
    • Stuck switch contacts

Did you find a condition?

--

Go to Step 9

Go to Step 10

9

Replace the TFP Manual Valve Position Switch.

Refer to TFP Manual Valve Position Switch Replacement.

Is the replacement complete?

--

Go to Step 12

--

10

  1. Inspect for the following conditions:
  2. • TCC control valve stuck
    • TCC feed limit valve stuck
    • TCC regulator apply valve stuck
    • TCC PWM solenoid valve stuck
    • Pressure regulator valve stuck
  3. Repair or replace any malfunctioning components.
  4. Refer to Unit Repair.

Did you find and correct a condition?

--

Go to Step 12

--

11

Replace the PCM. Refer to Powertrain Control Module Replacement/Programming in Engine Controls.

Is the replacement complete?

--

Go to Step 12

--

12

In order to verify your repair, perform the following procedure:

  1. Select DTC.
  2. Select Clear Info, then clear the DTCs.
  3. Operate the vehicle under the following conditions:
  4. • The throttle position is 5-45%.
    • The engine speed is greater than 500 RPM for 5 seconds.
    • Not in fuel shut off.
    • The time since the last gear range change is greater than 6 seconds.
    • The TCC is commanded OFF.
    • The TCC release pressure is present.
  5. Select Specific DTC. Enter DTC P0742.

Has the test run and passed?

--

System OK

Begin diagnostic again. Go to Step 1