GM Service Manual Online
For 1990-2009 cars only
Makes
🢒
Pontiac
🢒
1998
🢒
Grand Prix
🢒
Engine
🢒
Engine Cooling
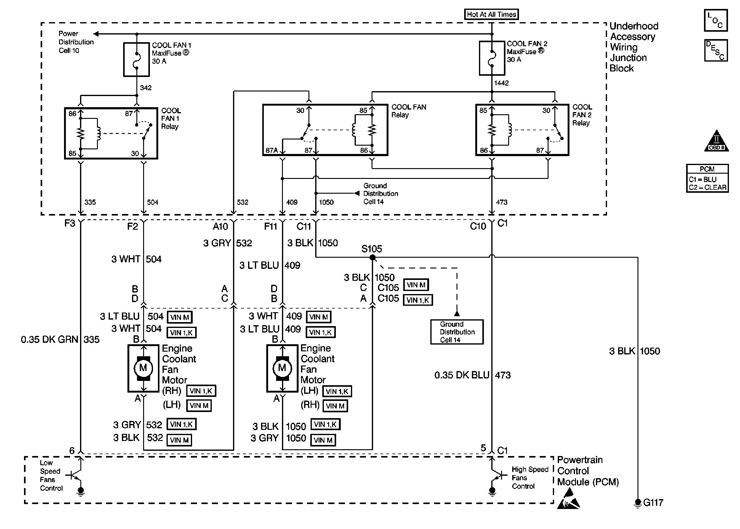
🢒 Cooling Fan Schematics
Cell 31
Cell 10: Underhood Accessory Wiring Junction Block
Cell 14: Engine Ground G117
Cell 14: Engine Ground G117
Handling Electrostatic Discharge Sensitive Parts Notice
OBDII Symbol Description Notice