GM Service Manual Online
For 1990-2009 cars only
Makes
🢒
Pontiac
🢒
1998
🢒
Grand Prix
🢒
Engine
🢒
Engine Electrical
🢒 Starting and Charging Schematics
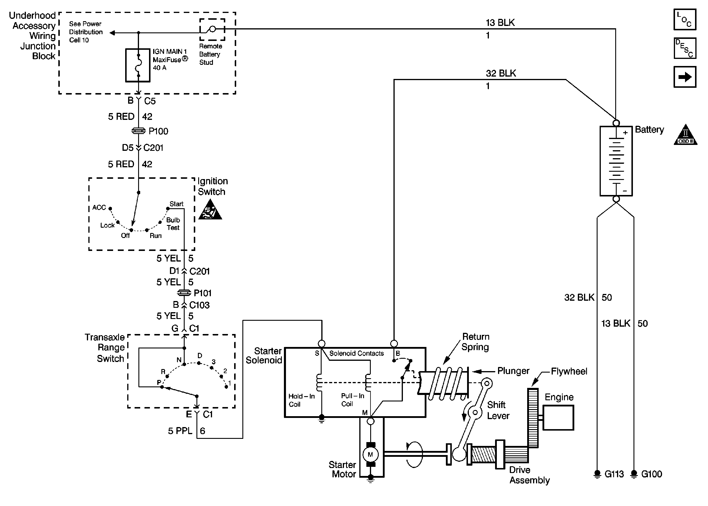
Figure
1:
Starting Schematic
Engine Electrical Components
Starting System Circuit Description
Charging Schematic
SIR Caution
OBD II Symbol Description Notice
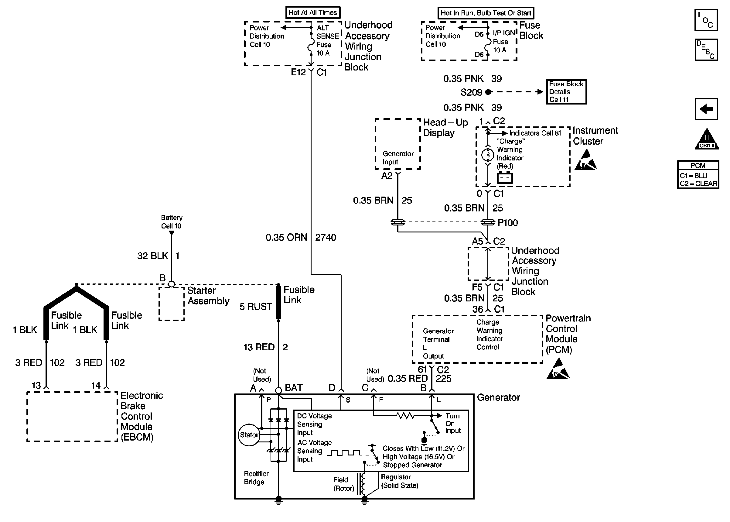
Figure
2:
Charging Schematic
Engine Electrical Components
Charging System Circuit Description
Starting Schematic
Handling ESD Sensitive Parts Notice
OBD II Symbol Description Notice
Handling ESD Sensitive Parts Notice