GM Service Manual Online
For 1990-2009 cars only

Engine Harness Routing Views 3100 L82 (VIN M)

Figure 1:

ECM/ENG Wiring Harness at Engine Cooling Fan


Object Number: 258772  Size: SH
(1)Engine Wiring Harness Connection Retainer
(2)Fan Jumper
(3)ECM/ENG Wiring Harness
Figure 2:

Engine Wiring Harness at IAT


Object Number: 258744  Size: SH
(1)ECM/ENG Wiring Harness
(2)Torque Converter Clutch Switch
(3)Mass Air Flow Sensor
(4)Inlet Air Temperature Sensor
Figure 3:

A/C Compressor


Object Number: 195587  Size: SH
(1)A/C Compressor Clutch Coil Lead
(2)Engine Wiring Harness Electrical Connector
(3)Crankshaft Position Sensor Electrical Connector
Figure 4:

Knock Sensor


Object Number: 258764  Size: SH
(1)Knock Sensor
(2)Engine Oil Pressure Sensor
(3)ECM/ENG Harness Crankshaft Lead
(4)Electrical Connection Retainer
(5)A/C Compressor Clutch Coil Lead
(6)A/C Compressor
Figure 5:

ECM/ENG Wiring Harness


Object Number: 258767  Size: SH
(1)Electrical Connection Retainer
(2)Engine Oil Tube
(3)ECM/ENG Wiring Harness
(4)Engine Block
(5)Knock Sensor
Figure 6:

Battery Cables and Ground to Engine at Starter Motor


Object Number: 258756  Size: SH
(1)ECM/ENG Harness Ground Terminal
(2)Transaxle Stud Nuts
(3)Battery Ground (Negative) Cable Lead
(4)ECM/ENG Harness Grounds
(5)ECM/ENG Harness Starter Solenoid Terminal Lead
(6)Starter Solenoid Switch S Terminal Nut
(7)Starter Solenoid Switch BAT Terminal Nut
(8)Battery Positive Cable
(9)Knock Sensor
(10)ECM/ENG Harness
(11)Engine Oil Pressure Sensor
Figure 7:

EGR Valve


Object Number: 258770  Size: SH
(1)EGR Valve
(2)Throttle Position Sensor
(3)ECM/ENG Harness
(4)IAC Valve
(5)ECM/ENG Harness
Figure 8:

ECM/ENG Harness to Engine


Object Number: 258784  Size: SH
(1)Retainer
(2)EGR Valve
(3)Accelerator Bracket
(4)Spark plug Wire Harness
(5)Retainer
(6)DFI Bracket
Figure 9:

ECM/ENG Harness to Engine


Object Number: 258789  Size: SH
(1)Retainer at Tab on Power Steering Pump
(2)Clip
(3)ECM/ENG Harness
(4)Power Steering Pump
Figure 10:

Engine Wiring at Generator


Object Number: 195592  Size: SH
(1)Generator
(2)Generator Field Lead
(3)Battery Positive Lead
(4)Engine Wiring Harness Connector Retainer
Figure 11:

Electronic Ignition Control Module


Object Number: 258769  Size: SH
(1)Electronic Ignition Control Module
(2)ECM/ENG Harness
(3)Canister Vacuum Switch
(4)Boot
(5)Purge Solenoid
(6)Oxygen Sensor Pigtail
(7)Electrical Connection Retainer
(8)Electronic Ignition Control Module
(9)ECM/ENG Harness
(10)Generator Output BAT Terminal Nut
Figure 12:

Oil Level Indicator


Object Number: 258779  Size: SH
(1)ECM/ENG Harness Oil Level Indicator Lead
(2)Oil Level Indicator
(3)ECM/ENG Harness
Figure 13:

LP and IP Harness Through Dash


Object Number: 258849  Size: SH
(1)Cockpit Harness to Floor Pan Nuts
(2)IP Wiring Harness
(3)Floor Pan Assembly
Figure 14:

ECM/ENG Harness at Transaxle


Object Number: 258824  Size: SH
(1)Transaxle Stud
(2)P-clip
(3)Park/Neutral Position switch Connectors
(4)Transmission Shift Bracket
(5)ECM/ENG Harness
(6)P-clip
(7)Torque Converter Clutch Switch

Engine Harness Routing Views 3800 L36 (VINK) and L67 (VIN1)

Figure 1:

Vehicle Front at Radiator


Object Number: 195273  Size: SH
(1)ECM/ENG Wiring Harness Connectors to PCM
(2)ECM/ENG Wiring Harness Connector to Accessory Wiring Junction Block
Figure 2:

ECM/ENG Wiring Harness at Engine Cooling Fan


Object Number: 258772  Size: SH
(1)Engine Wiring Harness Connection Retainer
(2)Fan Jumper
(3)ECM/ENG Wiring Harness
Figure 3:

Radiator/Fan Assembly


Object Number: 195280  Size: SH
(1)Engine Cooling Fan Wiring Harness Connectors
(2)Retainers
Figure 4:

Engine Coolant Level Indicator Module


Object Number: 195278  Size: SH
(1)Engine Coolant Level Indicator Module
(2)ECM/ENG Wiring Harness Connector
Figure 5:

ECM/ENG Harness to Engine


Object Number: 258874  Size: SH
(1)Engine Wiring Harness Connection Retainer
(2)Engine Coolant Temperature/Gauge Sensor Pigtail
(3)Fuel Injector Lead
Figure 6:

Front View


Object Number: 195217  Size: SH
(1)Idle Air Control Valve Connector
(2)Mass Air Flow Sensor Connector
(3)Inlet Air Temperature Sensor
(4)Throttle Position Sensor Connector
Figure 7:

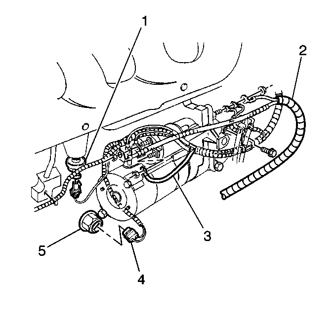
Oil Level Sensor and Starter Motor


Object Number: 195260  Size: SH
(1)Knock Sensor (Front)
(2)Battery Cable
(3)Starter Solenoid Lead
(4)Oil Level Sensor Connector
(5)Oil Level Sensor
Figure 8:

Top View


Object Number: 195197  Size: SH
(1)MAP Sensor
(2)In-Line Connection
(3)Fuel Injector Connector
(4)ECM/ENG Wiring Harness Assembly
(5)Engine Coolant Temperature/Gauge Sensor Pigtail
(6)Engine Coolant Temperature/Gauge Sensor Lead
(7)Purge Valve Solenoid Connector
Figure 9:

EGR Valve and Heated Oxygen Sensor


Object Number: 195205  Size: SH
(1)EGR Valve
(2)EGR Valve Connector
(3)Heated Oxygen Sensor Pigtail with Connection
(4)Heated Oxygen Sensor
(5)Retainer to Oxygen Heat Shield
Figure 10:

EGR Valve


Object Number: 258861  Size: SH
(1)ECM/ENG Harness
(2)EGR Valve
(3)Retainers
Figure 11:

A/C Compressor


Object Number: 195242  Size: SH
(1)A/C Compressor Clutch Coil Lead Connector
(2)A/C Compressor
Figure 12:

MAP Sensor


Object Number: 258872  Size: SH
(1)Canister
(2)Battery Positive Lead at Generator Stud
(3)Boot
(4)ECM Harness Generator Field Lead
(5)ECM/ENG Harness
(6)Canister Vacuum Switch
(7)MAP Sensor
(8)ECM/ENG Harness
(9)Fuel Injector Leads
Figure 13:

Fuel Injectors


Object Number: 258868  Size: SH
(1)ECM/ENG Harness
(2)ECM Harness Generator Field Lead
(3)ECM/ENG Wiring Harness Canister Vacuum Switch Lead
(4)Fuel Injector
Figure 14:

Knock Sensor


Object Number: 258841  Size: SH
(1)Knock Sensor
(2)Knock Sensor Jumper
Figure 15:

LP and IP Harness Through Dash


Object Number: 258849  Size: SH
(1)Cockpit Harness to Floor Pan Nuts
(2)IP Wiring Harness
(3)Floor Pan Assembly
Figure 16:

Transaxle


Object Number: 195177  Size: SH
(1)Throttle Position Sensor Connector
(2)Mass Air Flow Sensor Connector
(3)Torque Converter Clutch Switch
(4)Park/Neutral Position Switch
(5)Electrical Connection Retainer
(6)Park/Neutral Position Sensors
(7)ECM/ENG Wiring Harness Assembly
(8)Transmission Shift Bracket
Figure 17:

Transaxle with Variable Effort Power Steering


Object Number: 195186  Size: SH
(1)Variable Power Steering Lead
(2)Park/Neutral Position Switch
(3)Torque Converter Clutch Switch
Figure 18:

Post Converter Heated Oxygen Sensor


Object Number: 195267  Size: SH
(1)Post Converter Oxygen Sensor Pigtail with Connector
(2)Post Converter Oxygen Sensor Connection
(3)ECM/ENG Wiring Harness Assembly
(4)Tabs
(5)Electrical Connection Retainer