GM Service Manual Online
For 1990-2009 cars only
Makes
🢒
Pontiac
🢒
1998
🢒
Grand Prix
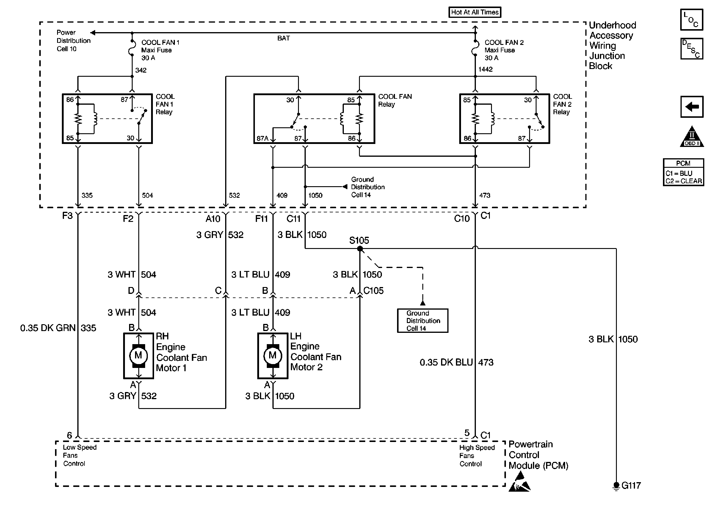
🢒 Cooling Fans
Cooling Fans
Cooling Fans