GM Service Manual Online
For 1990-2009 cars only

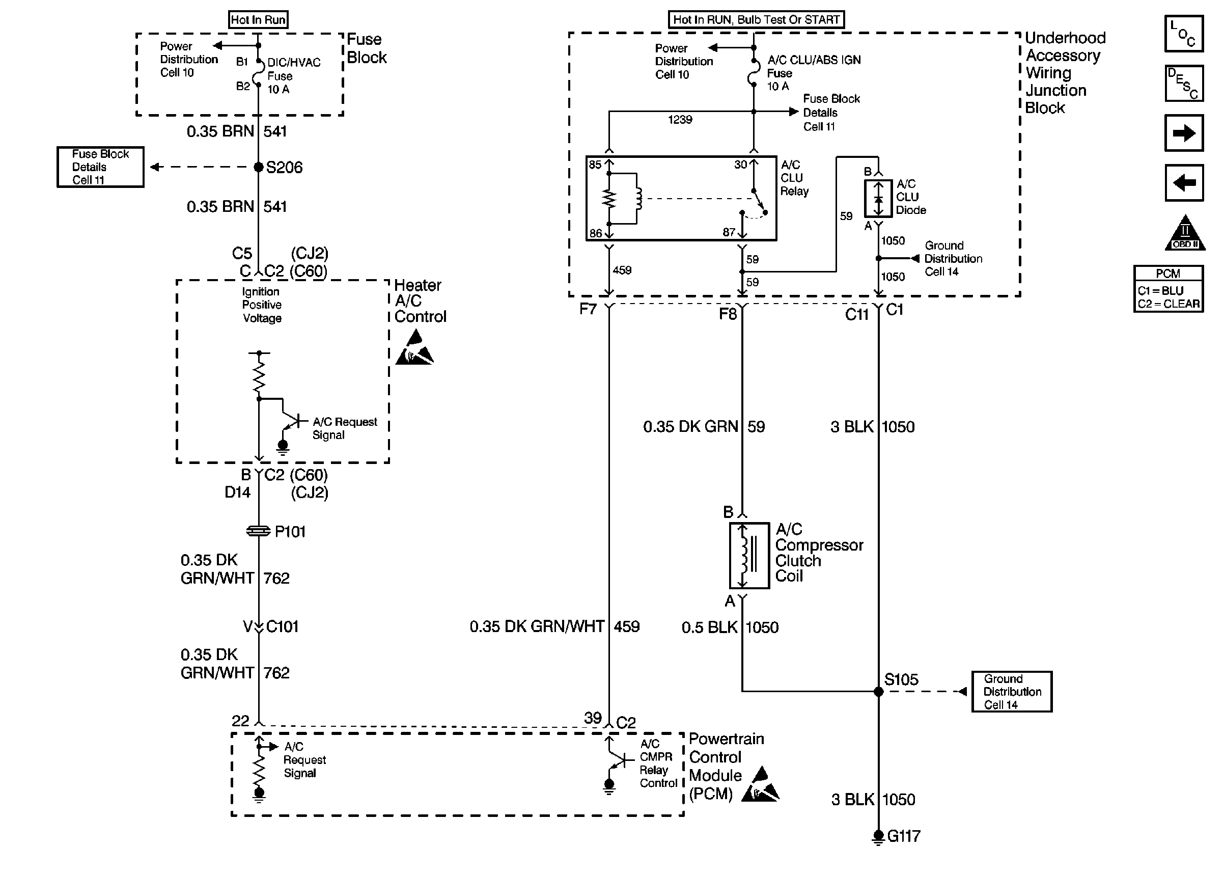
Refer to

Cell 20: A/C Compressor Controls


Object Number: 352719  Size: FS
Cell 11: DIC/HVAC and HVAC CTRL Fuses
Cell 10: IGN MAIN 2 MaxiFuse 60 A
Handling Electrostatic Discharge Sensitive Parts Notice
Handling Electrostatic Discharge Sensitive Parts Notice
OBDII Symbol Description Notice
Cell 20: Automatic Transaxle Solenoids, and TCC Switch
Cell 20: Cooling Fan Controls
Cell 14: Engine Ground G117
Cell 14: Engine Ground G117
Cell 11: TCC, ELEK IGN and A/C CLU/ABS IGN Fuses
Cell 10: Underhood Accessory Wiring Junction Block
.

Circuit Description

Output Driver Modules (ODMs) are used by the PCM to turn on many of the current-driven devices that are needed to control various engine and Transaxle functions. Each ODM is capable of controlling up to 7 separate outputs by applying ground to the device which the PCM is commanding on. ODMs have the capability of diagnosing each output circuit individually. DTC P1546 set indicates an improper voltage level has been detected on the output circuit which controls the A/C compressor control relay.

Conditions for Running the DTC

    •  The ignition is on.
    •  A/C is requested.

Conditions for Setting the DTC

    •  An improper voltage level has been detected on the output circuit which controls the A/C compressor control relay.
    •  The above conditions are present for at least 30 seconds.

Action Taken When the DTC Sets

The PCM stores conditions which were present when the DTC set as Failure Records only. This information will not be stored as Freeze Frame Records.

Conditions for Clearing the MIL/DTC

    • The DTC becomes history when the conditions for setting the DTC are no longer present.
    • The history DTC clears after 40 malfunction free warm-up cycles.
    • The PCM receives a clear code command from the scan tool.

Diagnostic Aids

Check for the following conditions:

Important: :  Remove any debris from the connector surfaces before servicing a component. Inspect the connector gaskets when diagnosing or replacing a component. Ensure that the gaskets are installed correctly. The gaskets prevent contaminate intrusion.

    •  Poor terminal connection.
         Inspect the harness connectors for backed out terminals, improper mating, broken locks, improperly formed or damaged terminals, and faulty terminal to wire connection. Use a corresponding mating terminal to test for proper tension. Refer to Intermittents and Poor Connections Diagnosis , and Connector Repairs Wiring Systems.
    •  Damaged harness.
         Inspect the wiring harness for damage. If the harness appears to be OK, observe the sensor display on the scan tool while moving connectors and wiring harnesses related to the sensor. A change in the sensor display may indicate the location of the fault. Refer to Wiring Repairs in Wiring Systems.
    •  Inspect the PCM and the engine grounds for clean and secure connections.

If the DTC is determined to be intermittent, reviewing the Fail Records can be useful in determining when the DTC was last set.

Test Description

The number(s) below refer to the step number(s) on the diagnostic table:

  1. The powertrain OBD System Check prompts you to complete some basic checks and store the freeze frame and failure records data on the scan tool.

  2. Listen for an audible click when the relay operates. Command both the on and off states. Repeat the commands as necessary.

  3. Tests for voltage at the coil feed side of the relay.

  4. Verifies that the PCM is providing ground to the relay.

  5. Tests if ground is constantly being applied to the relay.

  6. The PCM utilizes Electrically Erasable Programmable Read only Memory (EEPROM). When the PCM is replaced, the new PCM must be programmed.

Step

Action

Value(s)

Yes

No

1

Did you perform the Powertrain on-Board Diagnostic (OBD) System Check?

--

Go to Step 2

Go to Powertrain On Board Diagnostic (OBD) System Check

2

  1. Turn on the ignition, with the engine off.
  2. With a scan tool, command the A/C relay on and off.

Does the relay turn on and off with each command?

--

Go to Diagnostic Aids

Go to Step 3

3

  1. Turn off the ignition.
  2. Disconnect the relay.
  3. Turn on the ignition, with the engine off.
  4. Probe the coil feed circuit of the relay with a J 35616-200 test lamp that is connected to a good ground.

Does the J 35616-200 test lamp illuminate?

--

Go to Step 4

Go to Step 10

4

  1. Connect a J 35616-200 test lamp between the control circuit of the relay and the coil feed circuit of the relay.
  2. With a scan tool, command the A/C relay on and off .

Does the J 35616-200 test lamp turn on and off with each command?

--

Go to Step 8

Go to Step 5

5

Does the J 35616-200 test lamp remain illuminated with each command?

--

Go to Step 7

Go to Step 6

6

Test the control circuit of the relay for a short to voltage or an open. Refer to Wiring Repairs in Wiring Systems.

Did you find and correct the condition?

--

Go to Step 13

Go to Step 9

7

Test the control circuit of the relay for a short to ground. Refer to Wiring Repairs in Wiring Systems.

Did you find and correct the condition?

--

Go to Step 13

Go to Step 9

8

Inspect for poor connections at the relay. Refer to Intermittents and Poor Connections Diagnosis , and Connector Repairs in Wiring Systems.

Did you find and correct the condition?

--

Go to Step 13

Go to Step 11

9

Inspect for poor connections at the PCM. Refer to Intermittents and Poor Connections Diagnosis , and Connector Repairs in Wiring Systems.

Did you find and correct the condition?

--

Go to Step 13

Go to Step 12

10

Repair the feed circuit of the relay. Refer to Wiring Repairs in Wiring Systems.

Did you complete the repair?

--

Go to Step 13

--

11

Replace the relay.

Did you complete the replacement?

--

Go to Step 13

--

12

Important: :  The replacement PCM must be programmed.

Replace the PCM. Refer to Powertrain Control Module Replacement/Programming .

Did you complete the replacement?

--

Go to Step 13

--

13

  1. Use the scan tool in order to clear the DTCs .
  2. Operate the vehicle within the Conditions for Running the DTC as specified in the supporting text.

Does the DTC reset?

--

Go to Step 2

System OK