GM Service Manual Online
For 1990-2009 cars only

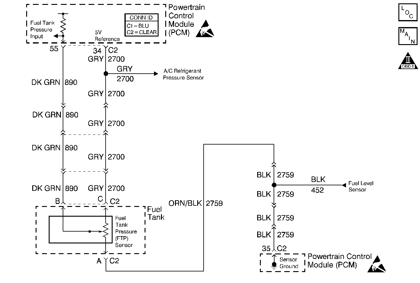
Object Number: 404101  Size: MF
Engine Controls Components
OBD II Symbol Description Notice
Cell 21: Fuel Controls-VIN 1
Handling ESD Sensitive Parts Notice
Handling ESD Sensitive Parts Notice

Circuit Description

The PCM monitors the fuel tank pressure sensor signal to detect vacuum decay and excess vacuum during the enhanced EVAP diagnostic. The fuel tank pressure sensor measures the difference between the air pressure (or vacuum) in the tank and the outside air pressure. The PCM applies a 5.0 volt reference and ground to the sensor. The sensor will return a signal voltage between 0.1 and 4.9 volts. If the PCM detects a fuel tank pressure sensor signal that is excessively low, DTC P0452 will set.

Conditions for Running the DTC

The ignition is ON.

Conditions for Setting the DTC

    • The fuel tank pressure sensor signal is less than 0.3 volts.
    • The conditions is present for 1 second.

Action Taken When the DTC Sets

    • The PCM will illuminate the MIL during the second consecutive trip in which the diagnostic test has been run and failed.
    • The PCM will store conditions which were present when the DTC set as Freeze Frame and Fail Records data.

Conditions for Clearing the MIL/DTC

    • The PCM will turn the MIL OFF during the third consecutive trip in which the diagnostic has been run and passed.
    • The history DTC will clear after 40 consecutive warm-up cycles have occurred without a malfunction.
    • The DTC can be cleared by using the scan tool Clear Info function or by disconnecting the PCM battery feed.

Diagnostic Aids

Check for the following condition(s):

    • Poor connection at the PCM or Fuel Tank Pressure Sensor.
        Inspect harness connectors for backed out terminals, improper mating broken locks, improperly formed or damaged terminals, and poor terminal to wire connection.
    • Damaged harness.
        Inspect the wiring harness for damage. If the harness appears to be OK, observe the Fuel Tank Pressure Sensor display on the scan tool while moving connectors and wiring related to the sensor. A change in the display will indicate the location of the malfunction.

Test Description

Number(s) below refer to the step number(s) on the Diagnostic Table.

  1. This vehicle is equipped with a PCM which utilizes an Electrically Erasable Programmable Read Only Memory (EEPROM). When the PCM is being replaced, the new PCM must be programmed.

DTC P0452 Fuel Tank Pressure Sensor Circuit Low Voltage

Step

Action

Value(s)

Yes

No

1

Was the Powertrain On-Board Diagnostic(OBD) System Check performed?

--

Go to Step 2

Go to Powertrain On Board Diagnostic (OBD) System Check

2

Is any other DTCs set?

--

Go to acceptable DTCs

Go to Step 3

3

  1. Ignition ON, engine not running.
  2. Observe fuel tank pressure sensor voltage displayed on the scan tool.

Is fuel tank pressure sensor voltage less than the specified value?

0.06V

Go to Step 5

Go to Step 4

4

  1. Review and record scan tool Fail Records data.
  2. Clear DTCs.
  3. Operate the vehicle within fail records conditions.
  4. Monitor specific DTC info for DTC P0452.

Does the scan tool indicate DTC P0452 failed this ign?

--

Go to Step 5

Go to Diagnostic Aids

5

  1. Disconnect the fuel tank pressure sensor electrical connector.
  2. Connect a jumper between the fuel tank pressure signal circuit and the 5 volt reference B circuit at the fuel tank pressure sensor harness connector.
  3. Observe fuel tank pressure sensor voltage displayed on the scan tool.

Is fuel tank pressure sensor voltage near the specified value?

5V

Go to Step 10

Go to Step 6

6

Using a J 39200 Digital Multimeter, measure voltage between the 5 volt reference B circuit and the sensor ground circuit at the fuel tank pressure sensor harness connector.

Is voltage near the specified value?

5V

Go to Step 11

Go to Step 7

7

  1. Leave the DMM connected between the 5 volt reference B circuit and the sensor ground circuit at the fuel tank pressure sensor harness connector.
  2. Disconnect the A/C pressure sensor connector.

Does the DMM display a voltage near the specified value?

5V

Go to Step 15

Go to Step 8

8

  1. Turn the ignition switch to the OFF position.
  2. Disconnect the PCM.
  3. Check the 5 volt reference B circuit for a poor terminal connection at the PCM.
  4. If a problem is found, repair as necessary. Refer to Repair Procedures in Wiring Repairs .

Was a problem found?

--

Go to Step 16

Go to Step 9

9

  1. Leave the PCM disconnected.
  2. Check the 5 volt reference B circuit between the fuel tank pressure sensor and the PCM for an open, short to ground, or short to the sensor ground circuit.
  3. If a problem is found, repair as necessary. Refer to Repair Procedures in Wiring Repairs .

Was a problem found?

--

Go to Step 16

Go to Step 14

10

  1. Check for poor terminal connections at the fuel tank pressure sensor connector.
  2. If a problem is found, repair as necessary. Refer to Wiring Repairs in Wiring Systems.

Was a problem found?

--

Go to Step 16

Go to Step 13

11

  1. Turn the ignition switch to the OFF position.
  2. Disconnect the PCM.
  3. Check the fuel tank pressure sensor signal circuit for a poor terminal connection at the PCM.
  4. If a problem is found, repair as necessary. Refer to Wiring Repairs in Wiring Systems.

Was a problem found?

--

Go to Step 16

Go to Step 12

12

  1. Check the fuel tank pressure signal circuit between the fuel tank pressure sensor connector and the PCM for an open, short to ground, or short to the sensor ground circuit.
  2. If a problem is found, repair as necessary. Refer to Wiring Repairs in Wiring Systems.

Was a problem found?

--

Go to Step 16

Go to Step 14

13

Replace the fuel tank pressure sensor. Refer to Fuel Tank Pressure Sensor Replacement .

Is action complete?

--

Go to Step 16

--

14

Important:: The replacement PCM must be programmed. Refer to Powertrain Control Module Replacement/Programming .

Replace the PCM.

Is action complete?

--

Go to Step 16

--

15

Replace the A/C Pressure Sensor. Refer to A/C Refrigerant Pressure Sensor Replacement in Heating, Ventilation, and Air Conditioning.

Is action complete?

--

Go to Step 16

--

16

  1. Review and record scan tool Fail Records data.
  2. Clear DTCs.
  3. Operate the vehicle within fail records conditions.
  4. Monitor specific DTC info for DTC P0452.

Does the scan tool indicate DTC P0452 failed this ign?

--

System OK

Go to Step 3