GM Service Manual Online
For 1990-2009 cars only
Figure 1:

Hulkhead of Engine Compartment


Object Number: 374841  Size: LF
(1)Electronic Brake Traction Control Module Connector
(2)S131
(3)Elerctronic Brake Traction Control Module
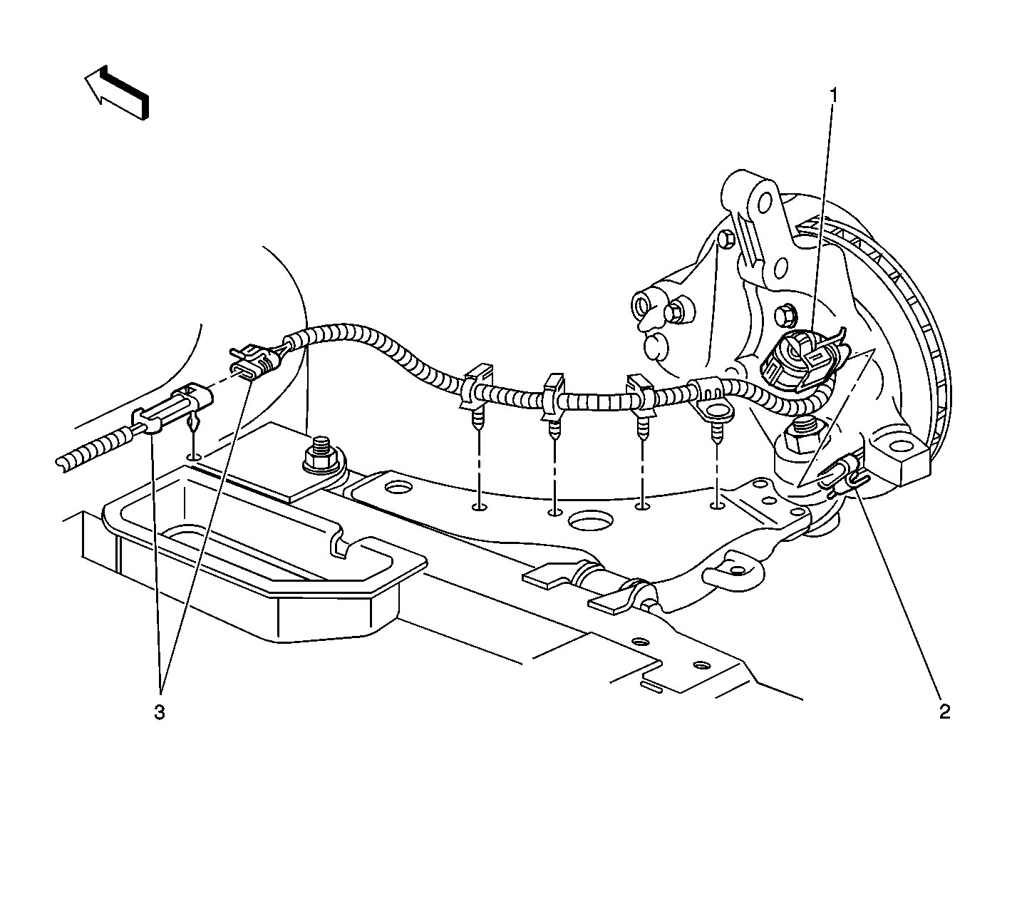
Figure 2:

Front Wheel Speed Sensor


Object Number: 374829  Size: LF
(1)C171 (LH Shown), C172 (RH SImilar)
(2)Forward Lamp Wiring Harness
(3)Front Wheel Speed Sensor Connector
(4)Front Wheel Speed Sensor
Figure 3:

Right Front Wheel


Object Number: 374830  Size: LF
(1)RF Wheel Speed Sensor Connector
(2)Wheel Speed Sensor
(3)C172
Figure 4:

Left Rear Wheel (Right Similiar)


Object Number: 374827  Size: LF
(1)LR Wheel Speed Sensor Connector
(2)LR Wheel Speed Sensor