GM Service Manual Online
For 1990-2009 cars only
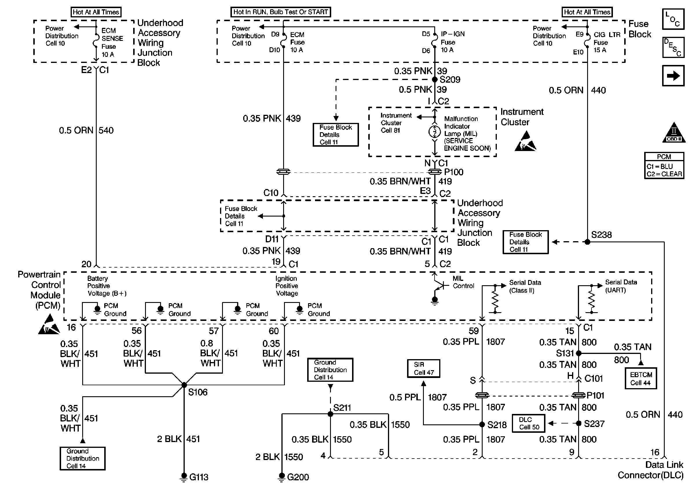
Figure 1:

Power, Ground, and DLC


Object Number: 352726  Size: FS
Cell 10: Underhood Accessory Wiring Junction Block
Cell 10: IGN MAIN 1 MaxiFuse 40 A
Cell 10
VSS, and Cruise
OBDII Symbol Description Notice
Handling Electrostatic Discharge Sensitive Parts Notice
Handling Electrostatic Discharge Sensitive Parts Notice
Cell 11: DRL, CANISTER VENT, PWR DROP, TURN, SIR, IP-IGN, CRUISE and ECM Fuses
Cell 81: Instrument Cluster, Continued
Cell 11: DRL, CANISTER VENT, PWR DROP, TURN, SIR, IP-IGN, CRUISE and ECM Fuses
Cell 11: CD CHNG, AUX CNSL, STOP LAMP, INT LAMP, CIG LTR Fuses
Cell 44: Power, Ground, Serial Data and EBTCM
Cell 50
Cell 47
Cell 14: RH/IP Ground G200 (3 of 4)
Figure 2:

VSS, and Cruise


Object Number: 352728  Size: FS
Handling Electrostatic Discharge Sensitive Parts Notice
Handling Electrostatic Discharge Sensitive Parts Notice
Handling Electrostatic Discharge Sensitive Parts Notice
Handling Electrostatic Discharge Sensitive Parts Notice
Handling Electrostatic Discharge Sensitive Parts Notice
Handling Electrostatic Discharge Sensitive Parts Notice
TCC, and Internal Solenoids
Power, Ground, and DLC
OBDII Symbol Description Notice
Figure 3:

TCC, and Internal Solenoids


Object Number: 352730  Size: FS
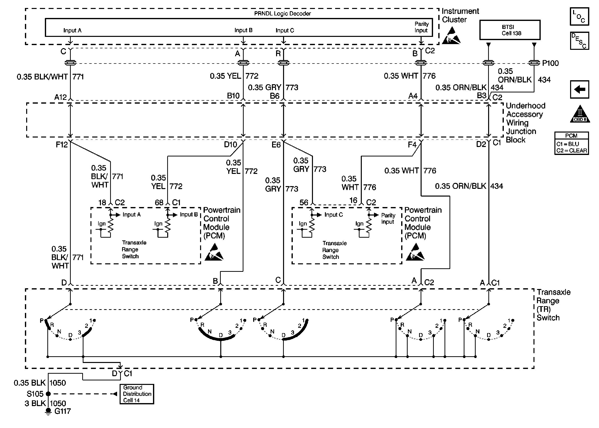
Cell 10: Underhood Accessory Wiring Junction Block
Transmission Range Switch
VSS, and Cruise
OBDII Symbol Description Notice
Handling Electrostatic Discharge Sensitive Parts Notice
Figure 4:

Transmission Range Switch


Object Number: 352731  Size: FS
Handling Electrostatic Discharge Sensitive Parts Notice
Cell 138: 2 of 2
TCC, and Internal Solenoids
OBDII Symbol Description Notice
Handling Electrostatic Discharge Sensitive Parts Notice
Handling Electrostatic Discharge Sensitive Parts Notice
Cell 14: Engine Ground G117