GM Service Manual Online
For 1990-2009 cars only
Makes
🢒
Pontiac
🢒
1999
🢒
Grand Prix
🢒
Body and Accessories
🢒
Lighting Systems
🢒 Interior Lights Schematics
Figure
1:
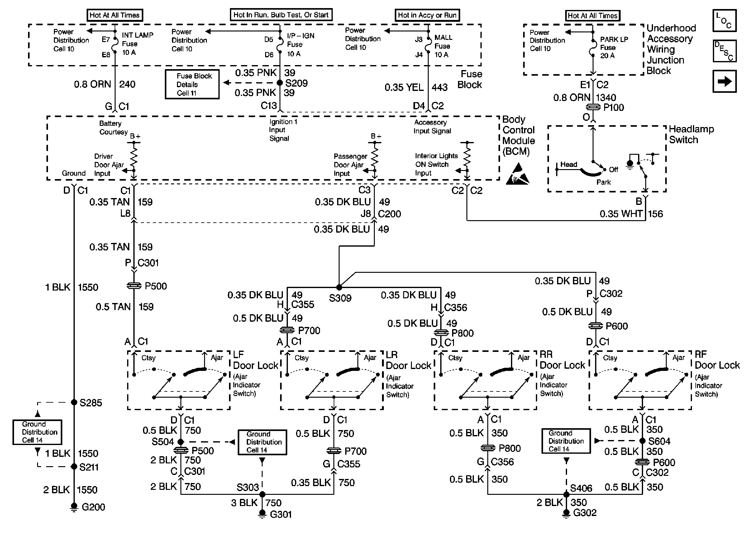
Cell 114: Door Locks
Interior Lights Circuit Description
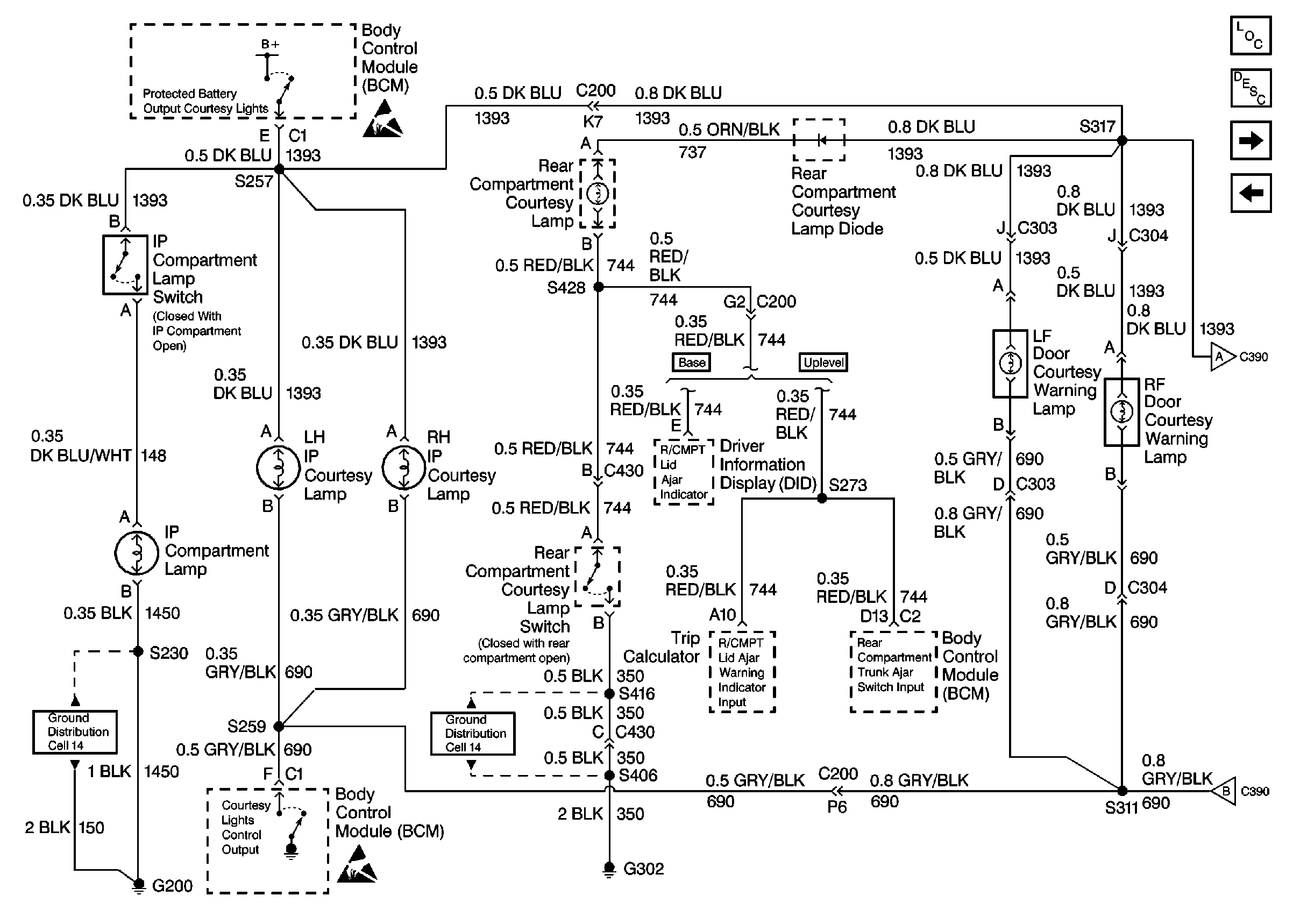
Cell 114: IP Compartment Lamp, IP Courtesy Lamps, Door Courtesy Warning Lamps
Fuse Block Schematics
Ground Distribution Schematics
Ground Distribution Schematics
Ground Distribution Schematics
Figure
2:
Cell 114: IP Compartment Lamp, IP Courtesy Lamps, Door Courtesy Warning Lamps
Interior Lights Circuit Description
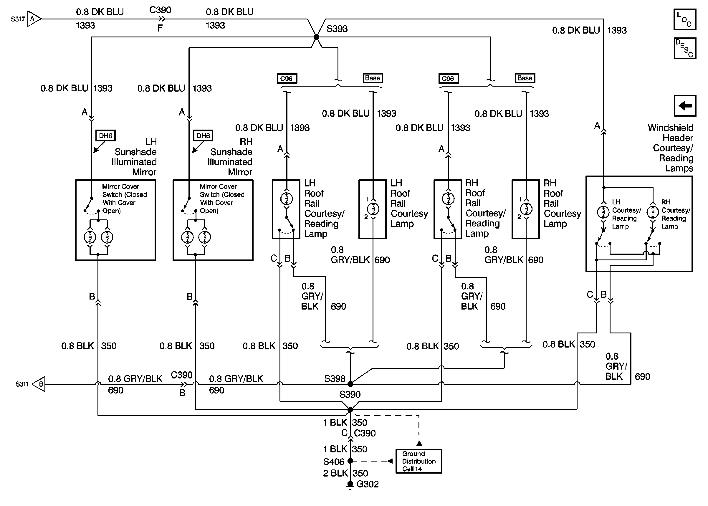
Cell 114: Sunshade Illuminated Mirrors, Roof Rail Courtesy/Reading Lamps, Windshield Header Courtesy/Reading Lamps
Cell 114: Door Locks
Ground Distribution Schematics
Ground Distribution Schematics
Figure
3:
Cell 114: Sunshade Illuminated Mirrors, Roof Rail Courtesy/Reading Lamps, Windshield Header Courtesy/Reading Lamps
Interior Lights Circuit Description
Cell 114: IP Compartment Lamp, IP Courtesy Lamps, Door Courtesy Warning Lamps
Ground Distribution Schematics