GM Service Manual Online
For 1990-2009 cars only
Makes
🢒
Pontiac
🢒
1999
🢒
Grand Prix
🢒
Body and Accessories
🢒
Instrument Panel, Gauges, and Console
🢒 Audible Warnings Schematics
Figure
1:
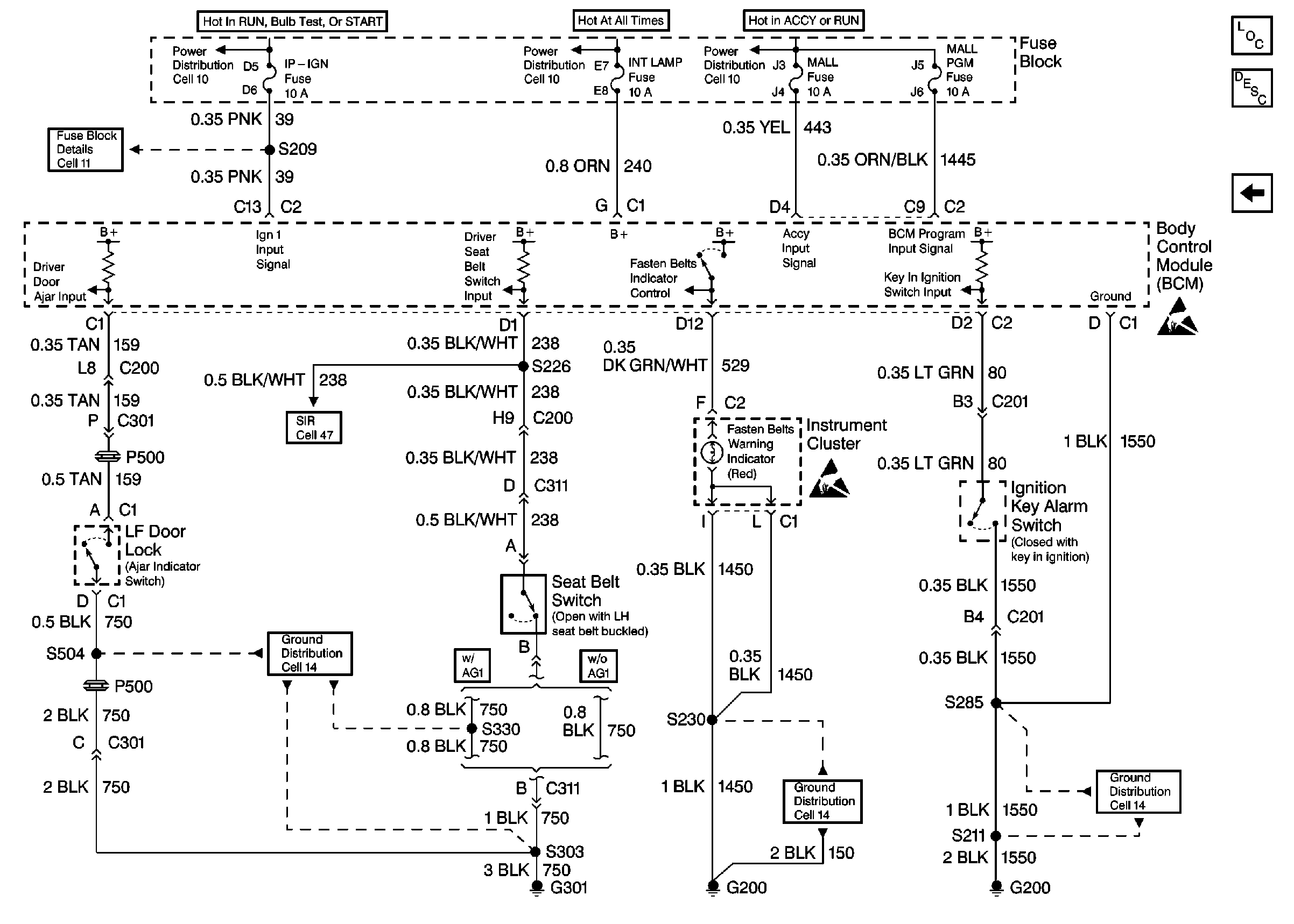
Cell 76: Audible Warnings
Instrument Cluster and HUD Components
Audible Warnings Circuit Description
Cell 76: Audible Warnings, Continued
Ground Distribution Schematics
Exterior Lights Schematics
Instrument Cluster: Analog Schematics
Headlights/Daytime Running Lights (DRL) Schematics
Handling ESD Sensitive Parts Notice
Handling ESD Sensitive Parts Notice
Handling ESD Sensitive Parts Notice
Figure
2:
Cell 76: Audible Warnings, Continued
Instrument Cluster and HUD Components
Audible Warnings Circuit Description
Cell 76: Audible Warnings
Fuse Block Schematics
Ground Distribution Schematics
Ground Distribution Schematics
Ground Distribution Schematics
Handling ESD Sensitive Parts Notice