GM Service Manual Online
For 1990-2009 cars only

Step

Action

Value(s)

Yes

No

1

Was the Remote Keyless Entry System Check performed?

--

Go to Step 2

Go to Remote Keyless Entry System Check

2

Was the BCM Diagnostic System Check performed?

--

Go to Step 3

Go to Diagnostic System Check - Body Control System in Body Control System

3

  1. Close the rear compartment lid.
  2. Turn the ignition switch to the OFF position.
  3. Press the rear compartment lid release switch. The switch is located inside the instrument panel compartment.

Did the rear compartment lid open?

--

Go to Step 4

Go to Rear Compartment Lid Release System Check in Body Rear End

4

  1. Program a known good transmitter. Refer to Transmitter Programming .
  2. Remove the key from the ignition key cylinder lock.
  3. Press the rear compartment button once on the keyless entry transmitter while observing the rear compartment lid.

Does the known good transmitter open the rear compartment lid?

--

Go to Step 10

Go to Step 5

5

  1. Close the rear compartment lid.
  2. Disconnect the RCDLR.
  3. Use a 10A fused jumper to connect between the RCDLR harness connector terminal H and ground.

Did the rear compartment lid open?

-

Go to Step 11

Go to Step 6

6

  1. Disconnect the rear compartment lid release relay electrical connector.
  2. Use a test light to connect between the rear compartment lid release relay harness connector terminal A1 and ground. Refer to

    Cell 134


    Object Number: 325981  Size: FS
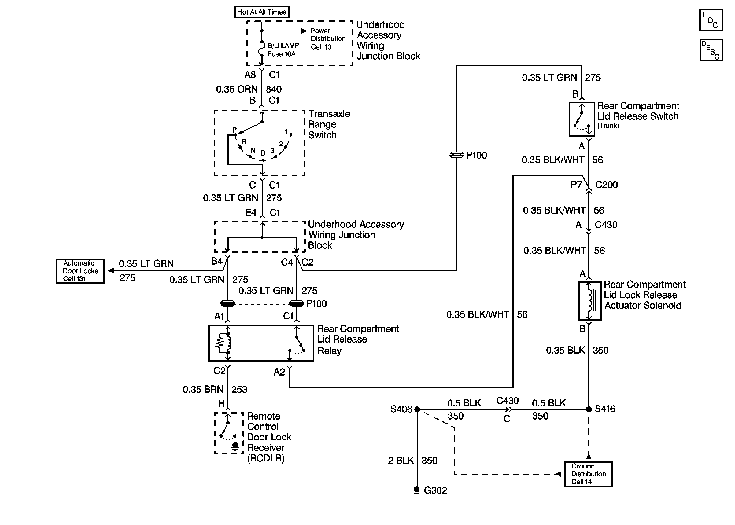
    Body Rear End Components
    Rear Compartment Lid Release Circuit Description
    Cell 14: Left Rear Compartment Ground G302 (1 of 2)
    Cell 11: B/U LAMP, ECM SENSE, ALT SENSE, FUEL PUMP, FOG LP and HORN Fuses
    Cell 131: B/U Lamp, Pwr Dist, I/P IGN Fuses
    in Body Rear End.

Is the test light on?

--

Go to Step 7

Go to Step 12

7

Use a test light to connect between the rear compartment lid release relay harness connector terminal C1 and ground.

Is the test light on?

--

Go to Step 8

Go to Step 12

8

Use a 20A fused jumper to connect between the rear compartment lid release relay harness connector terminal A2 and terminal C1.

Did the rear compartment lid open?

--

Go to Step 9

Go to Step 13

9

Use a DMM to measure the resistance between the RCDLR harness connector terminal H and the rear compartment lid release relay harness connector terminal C2.

Is the resistance within the specified range?

Less than 2 ohms

Go to Step 14

Go to Step 15

10

Replace the defective transmitter.

Is the repair complete?

--

Go to Step 16

--

11

  1. Inspect the RCDLR connector for poor terminal contact.
  2. If the connection is OK, replace the RCDLR.

Is the repair complete?

--

Go to Step 16

--

12

Repair a poor connection or open in circuit 275.

Is the repair complete?

--

Go to Step 16

--

13

Repair a poor connection or an open in circuit 56.

Is the repair complete?

--

Go to Step 16

--

14

Replace the rear compartment lid release relay.

Is the repair complete?

--

Go to Step 16

--

15

Repair a poor connection or an open in circuit 253.

Is the repair complete?

--

Go to Step 16

--

16

  1. Turn the ignition switch to the OFF position.
  2. Reinstall the connectors/components removed.
  3. Turn the ignition switch to the RUN position for 6  seconds.
  4. Turn the ignition switch to the OFF position.
  5. Remove the MALL PGM Fuse.
  6. Turn the ignition switch to the ACC position. The BCM sounds the chime a number of times equivalent to the BCM type installed on the vehicle.
  7. Turn the ignition switch from the ACC position to the OFF position and back to the ACC position within 1 second. The BCM sounds any DTCs stored.

Are there any BCM DTCs present?

--

Go to Diagnostic System Check - Body Control System in Body Control System

Go to Remote Keyless Entry System Check