GM Service Manual Online
For 1990-2009 cars only
Makes
🢒
Pontiac
🢒
1999
🢒
Grand Prix
🢒
Body and Accessories
🢒
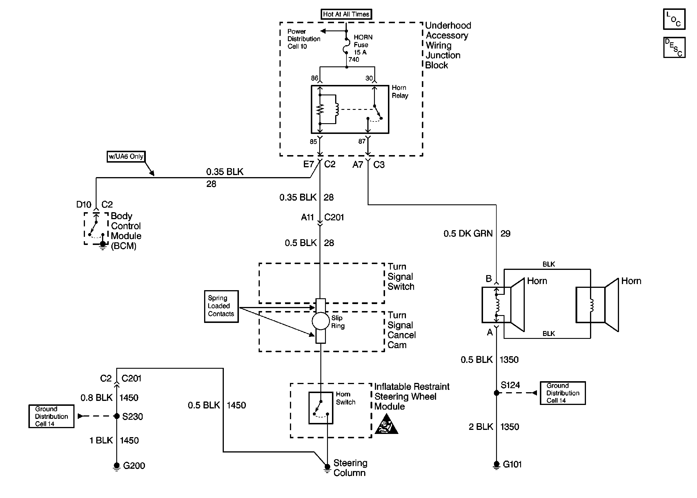
Horns
🢒 Horn Schematics
Cell 40
Horns Components
Horns Circuit Description
Cell 14: RH/IP Ground G200 (2 of 4)
Cell 14: Forward Lamp Grounds G101
SIR Handling Caution
Cell 11: B/U LAMP, ECM SENSE, ALT SENSE, FUEL PUMP, FOG LP and HORN Fuses