GM Service Manual Online
For 1990-2009 cars only
Makes
🢒
Pontiac
🢒
1999
🢒
Grand Prix
🢒
Body and Accessories
🢒
Stationary Windows
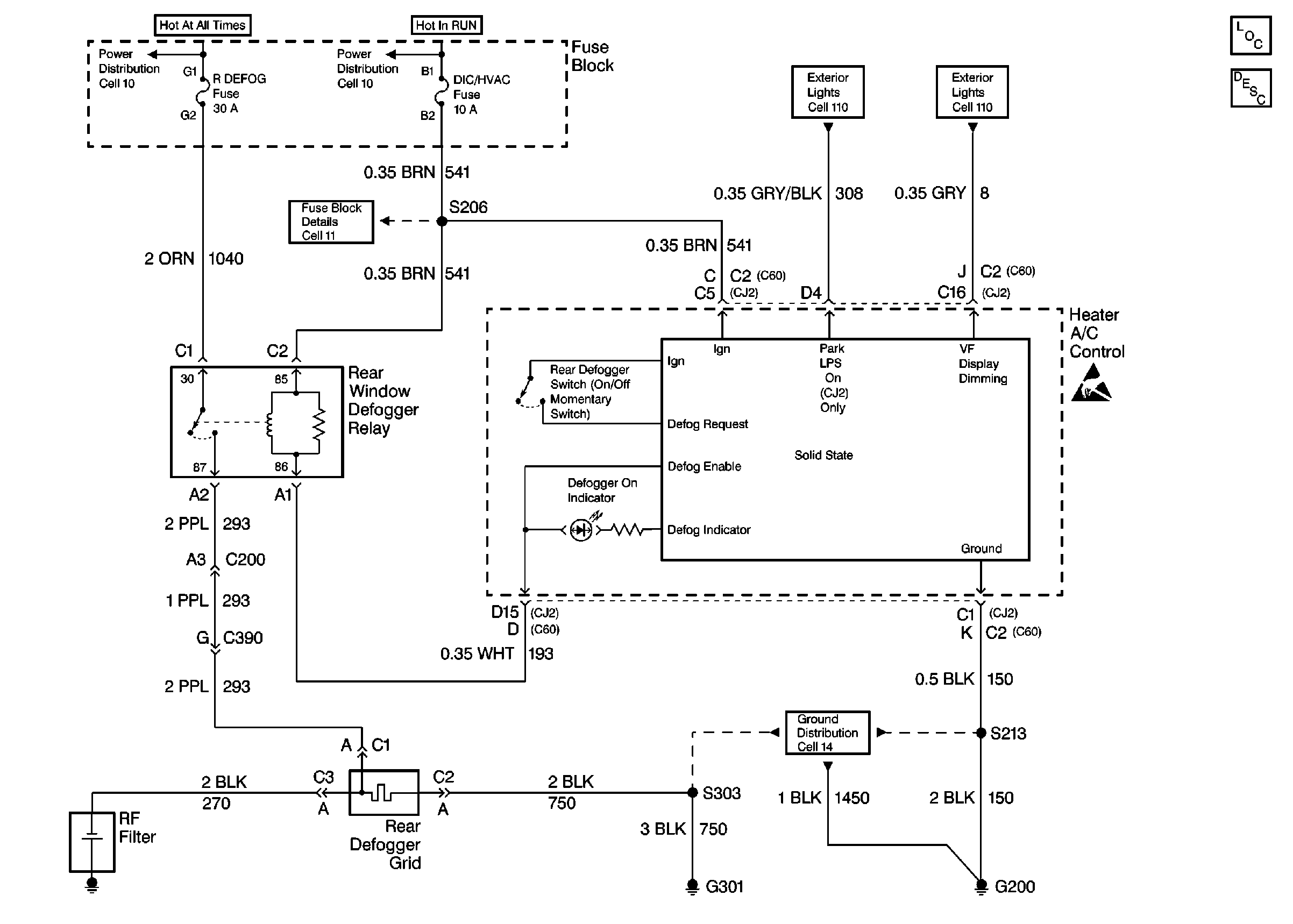
🢒 Defogger Schematics
Cell 61
Stationary Windows Components
Rear Window Defogger Circuit Description
Exterior Lights Schematics
Exterior Lights Schematics
Fuse Block Schematics
Ground Distribution Schematics
Handling ESD Sensitive Parts Notice