GM Service Manual Online
For 1990-2009 cars only

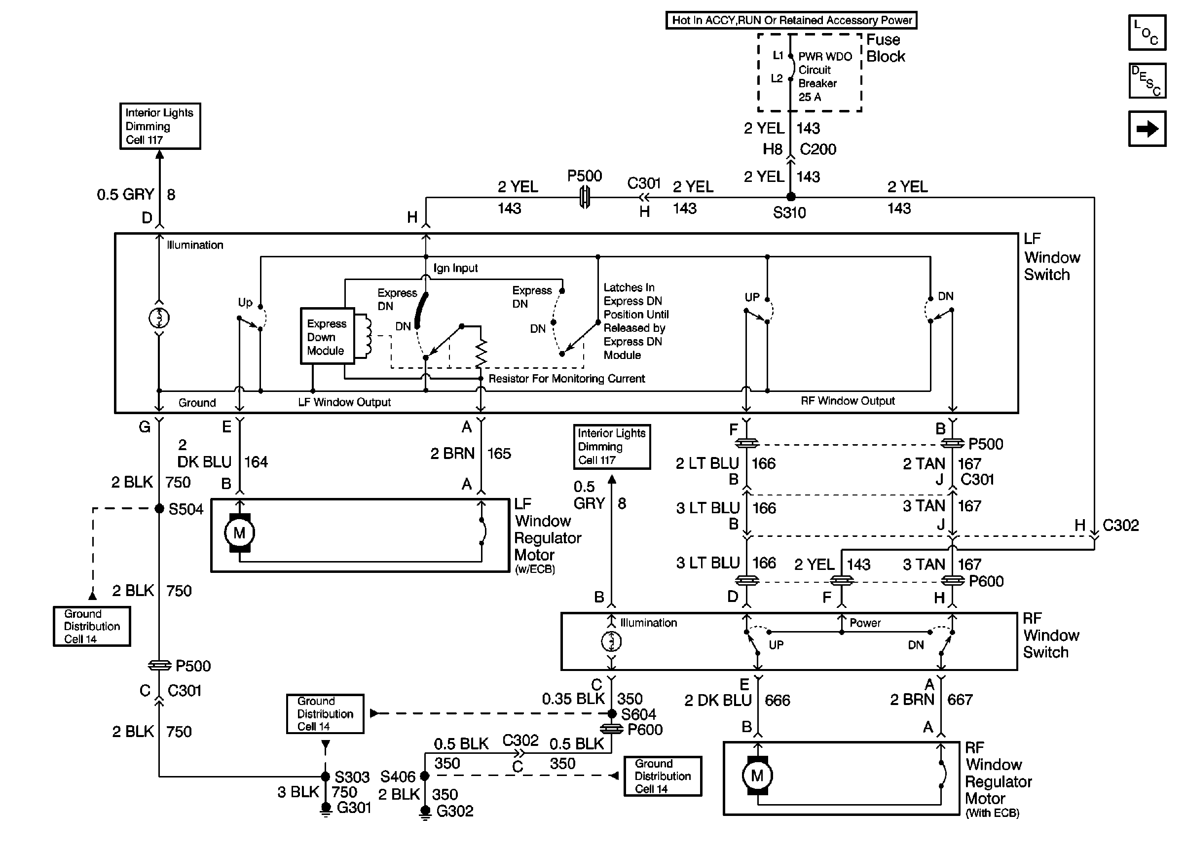
Cell 120: 2-Door


Object Number: 325960  Size: FS
Power Door Systems Components
Power Windows Circuit Description
Cell 120: 4-Door
Interior Lights Dimming Schematics
Interior Lights Dimming Schematics
Ground Distribution Schematics
Ground Distribution Schematics

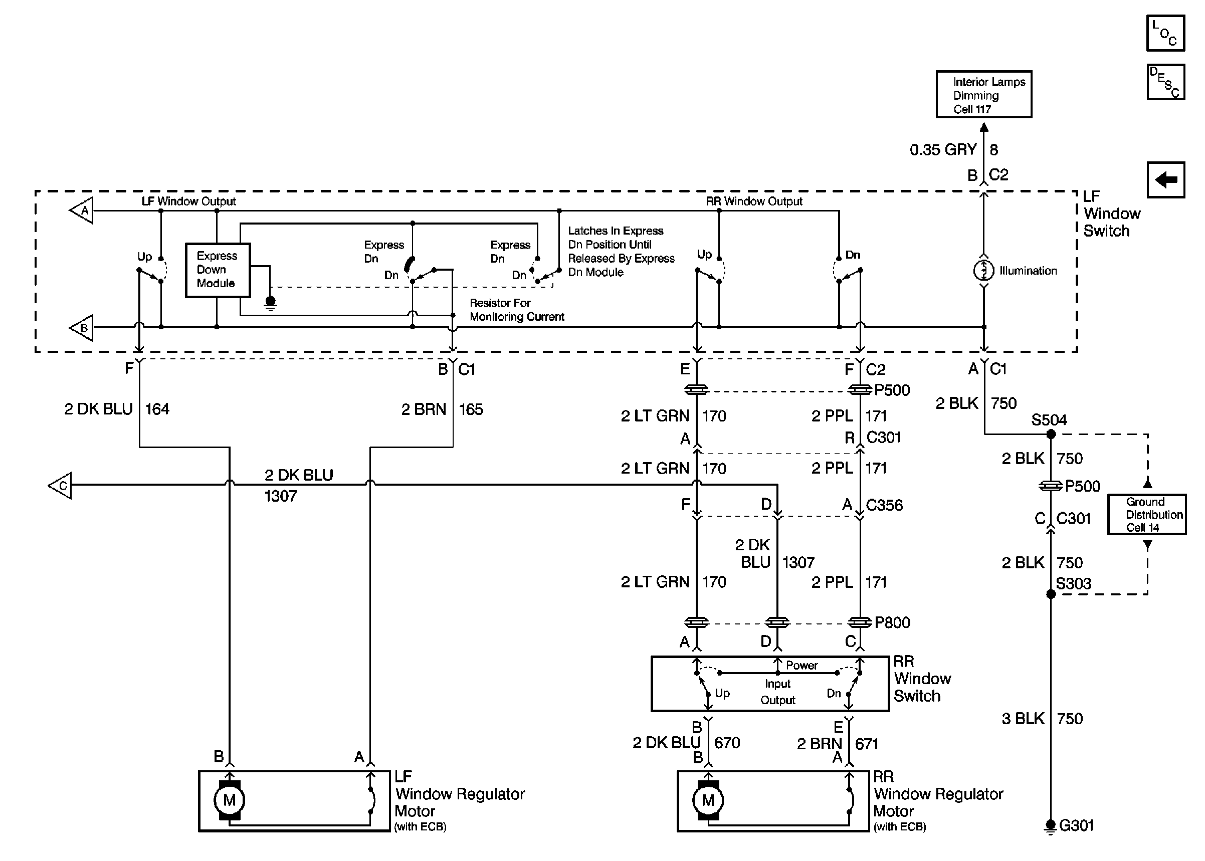
Cell 120: 4-Door


Object Number: 325962  Size: FS
Power Door Systems Components
Power Windows Circuit Description
Cell 120: 4-Door (2)
Cell 120: 2-Door
Cell 120: 4-Door (2)
Cell 120: 4-Door (2)
Cell 120: 4-Door (2)
Interior Lights Dimming Schematics
Ground Distribution Schematics

Cell 120: 4-Door (2)


Object Number: 325964  Size: FS
Power Door Systems Components
Power Windows Circuit Description
Cell 120: 4-Door
Interior Lights Dimming Schematics
Ground Distribution Schematics
Cell 120: 4-Door
Cell 120: 4-Door
Cell 120: 4-Door