GM Service Manual Online
For 1990-2009 cars only
Makes
🢒
Pontiac
🢒
1999
🢒
Grand Prix
🢒
Body and Accessories
🢒
Doors
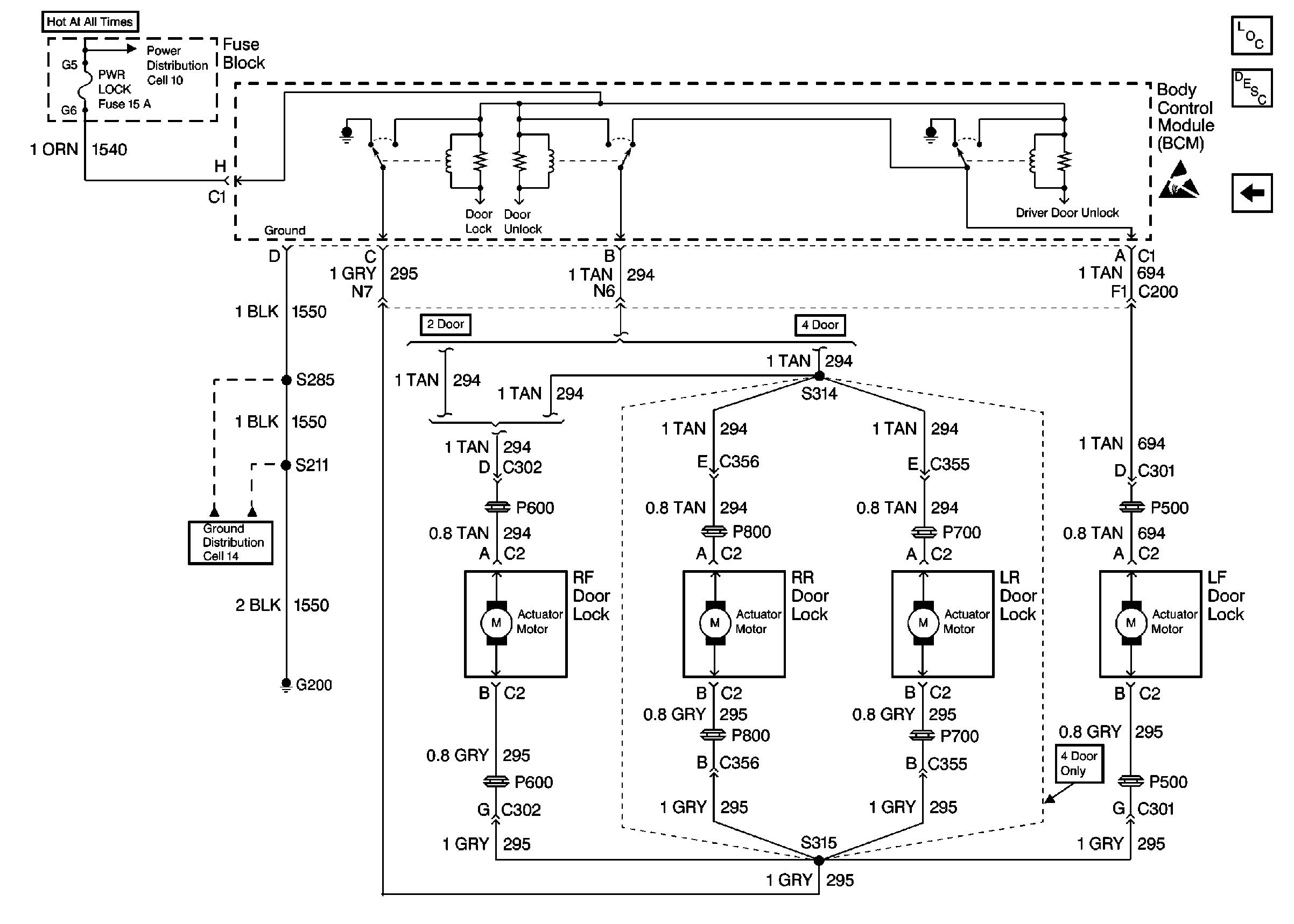
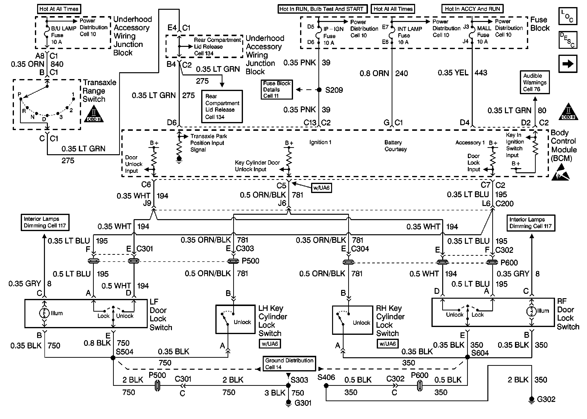
🢒 Door Lock/Indicator Schematics
Cell 131: B/U Lamp, Pwr Dist, I/P IGN Fuses
Power Door Systems Components
Cell 131: PWR Lock Fuse 15A
OBD II Symbol Description Notice
Handling ESD Sensitive Parts Notice
Power Distribution Schematics
Power Distribution Schematics
Power Distribution Schematics
Power Distribution Schematics
Fuse Block Schematics
Release Systems Schematics
Release Systems Schematics
Interior Lights Dimming Schematics
Interior Lights Dimming Schematics
Ground Distribution Schematics
Cell 131: PWR Lock Fuse 15A
Power Door Systems Components
Cell 131: B/U Lamp, Pwr Dist, I/P IGN Fuses
Power Distribution Schematics
Handling ESD Sensitive Parts Notice
Ground Distribution Schematics